GM Service Manual Online
For 1990-2009 cars only
Makes
🢒
Chevrolet
🢒
2009
🢒
Corvette
🢒
Diagnostic Navigation
🢒
Vehicle Diagnostic Information
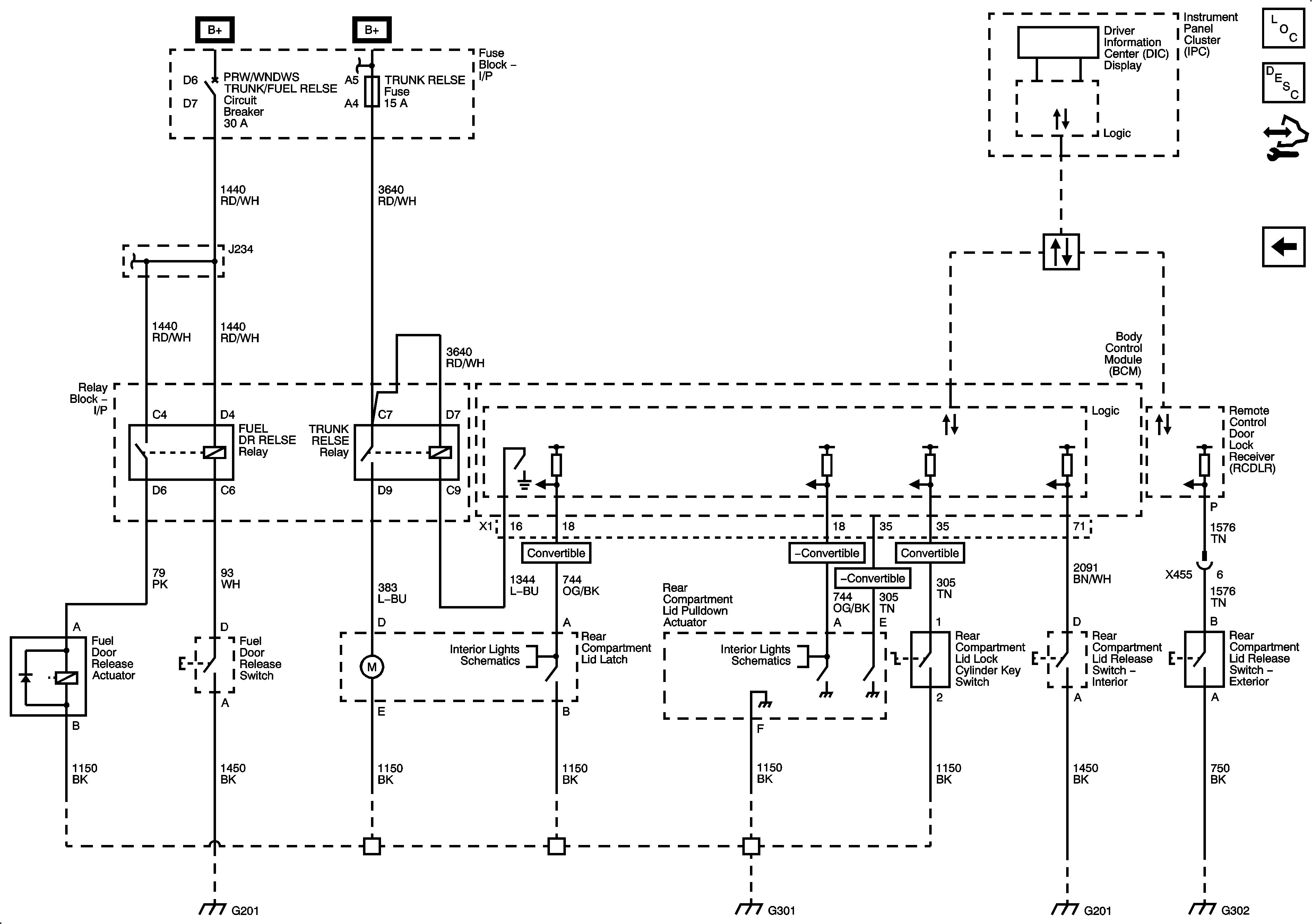
🢒 Release Systems Schematics
Figure
1:
Coupe
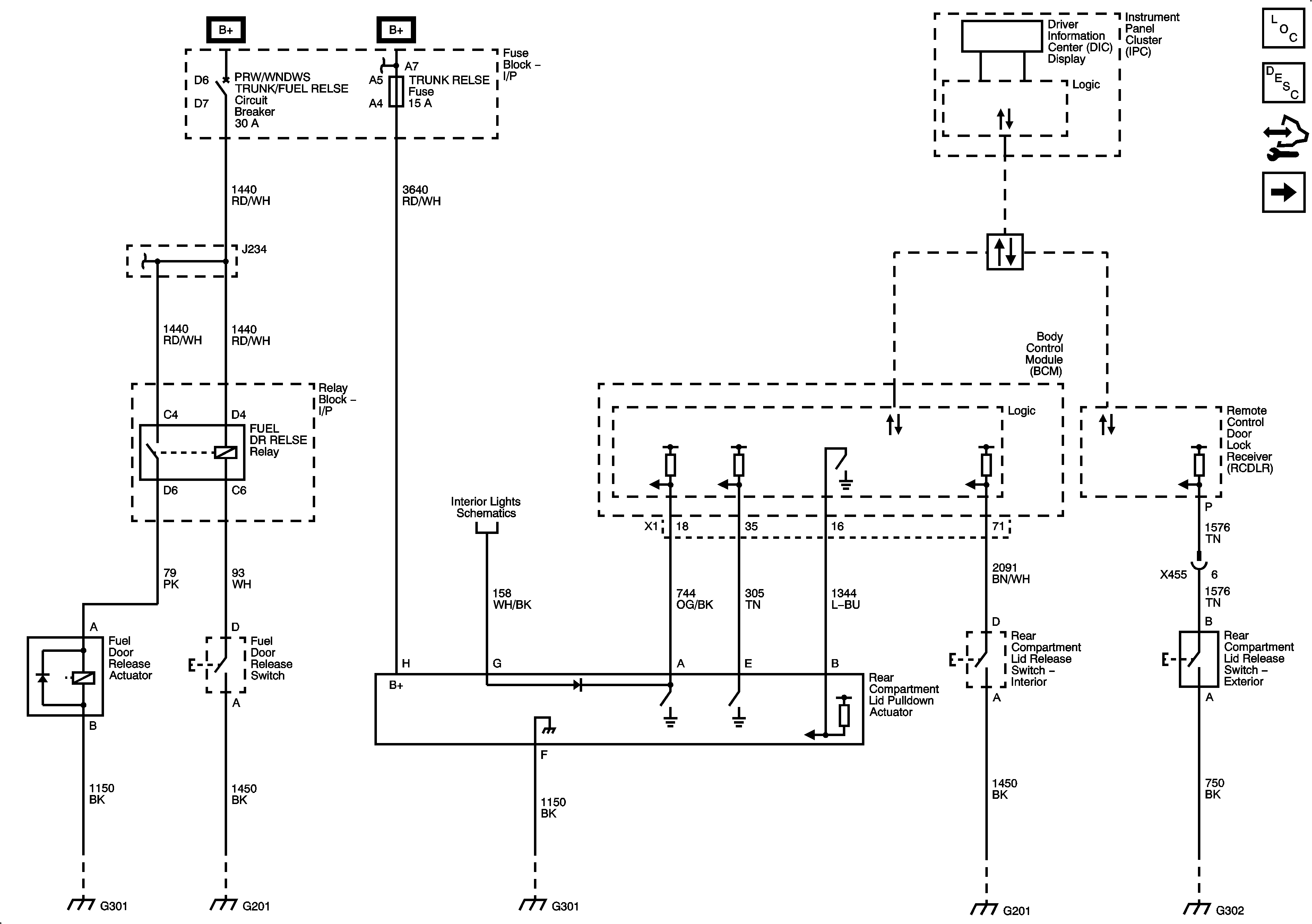
Figure
2:
Convertible/Z06