GM Service Manual Online
For 1990-2009 cars only

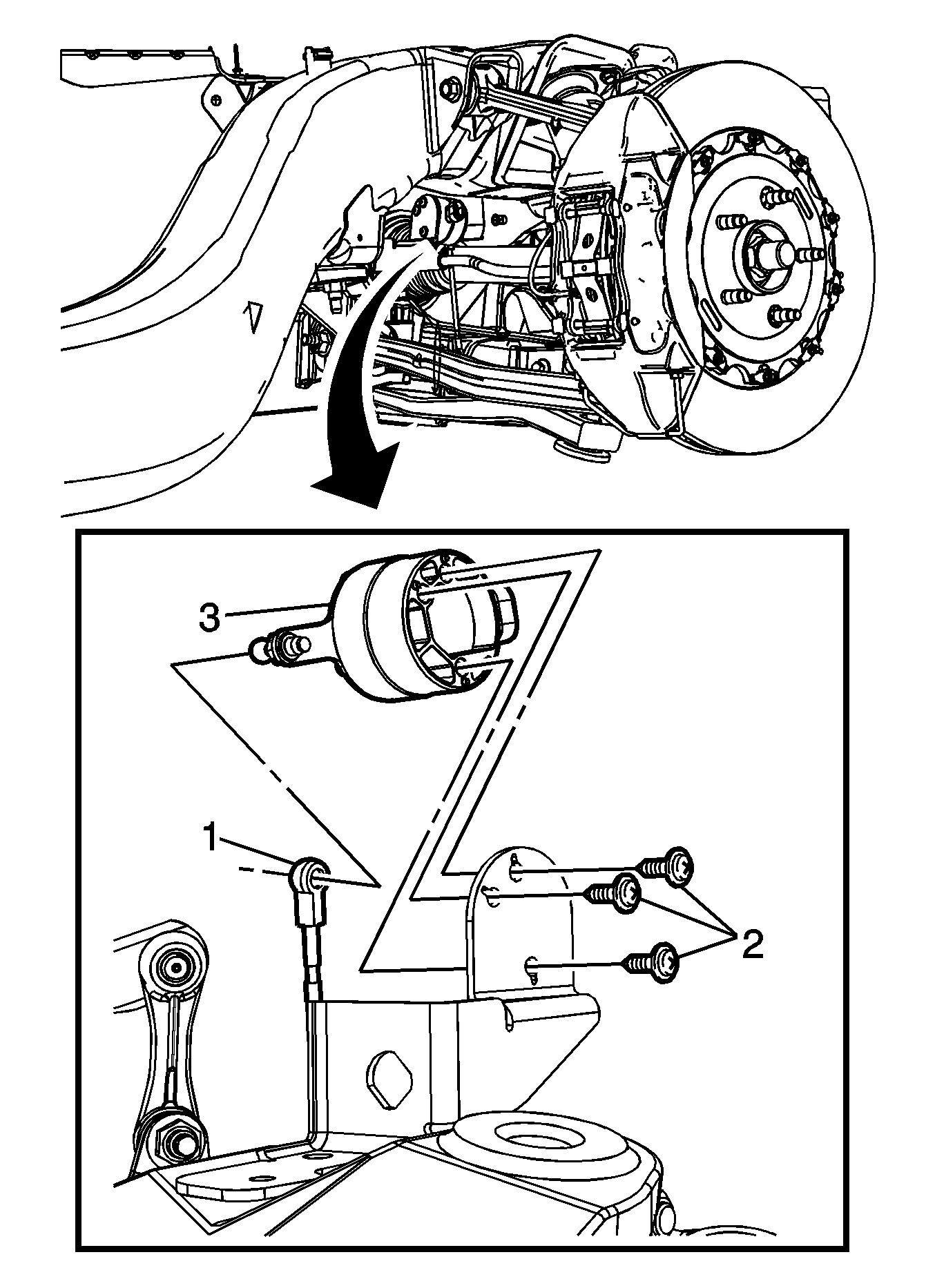
Electronic Suspension Rear Position Sensor Replacement ZR1


Object Number: 2145113  Size: MH

Callout

Component Name

Preliminary Procedure

  1. Turn the ignition switch off.
  2. Raise and support the vehicle. Refer to Lifting and Jacking the Vehicle.
  3. Remove the rear tire and wheel assembly. Refer to Tire and Wheel Removal and Installation.

1

Rear Electronic Suspension Sensor Link

Note: Remove the link from the level sensor.

2

Rear Electronic Suspension Sensor Fasteners (Qty 3)

Caution: Refer to Fastener Caution in the Preface section.

Tigthen
5 N·m (44 lb in).

Note: when replacing the level sensor, it is not necessary to remove the bracket and the sensor. The bracket can remain on the frame.

3

Rear Electronic Suspension Position Sensor

Electronic Suspension Rear Position Sensor Replacement w/O ZR1

Removal Procedure

  1. Turn OFF the ignition switch.
  2. Raise and support the vehicle. Refer to Lifting and Jacking the Vehicle.
  3. Remove the tire and wheel assembly. Refer to Tire and Wheel Removal and Installation.

  4. Object Number: 925365  Size: SH
  5. Disconnect the electronic suspension control (ESC) position sensor harness connector.

  6. Object Number: 925362  Size: SH
  7. Disconnect the position sensor link from the control arm link stud.
  8. Remove the position sensor mounting bolt.
  9. Remove the position sensor from the vehicle.

Installation Procedure


    Object Number: 925362  Size: SH
  1. Install the position sensor to the vehicle.
  2. Caution: Refer to Fastener Caution in the Preface section.

  3. Install the position sensor mounting bolt and tighten to 7 N·m (62 lb in).
  4. Connect the position sensor link to the control arm link stud.

  5. Object Number: 925365  Size: SH
  6. Connect the ESC position harness connector.
  7. Install the tire and wheel assembly. Refer to Tire and Wheel Removal and Installation.
  8. Lower the vehicle.