GM Service Manual Online
For 1990-2009 cars only
Makes
🢒
Chevrolet
🢒
2009
🢒
Corvette
🢒
Body Systems
🢒
Lighting
🢒 Interior Lights Schematics
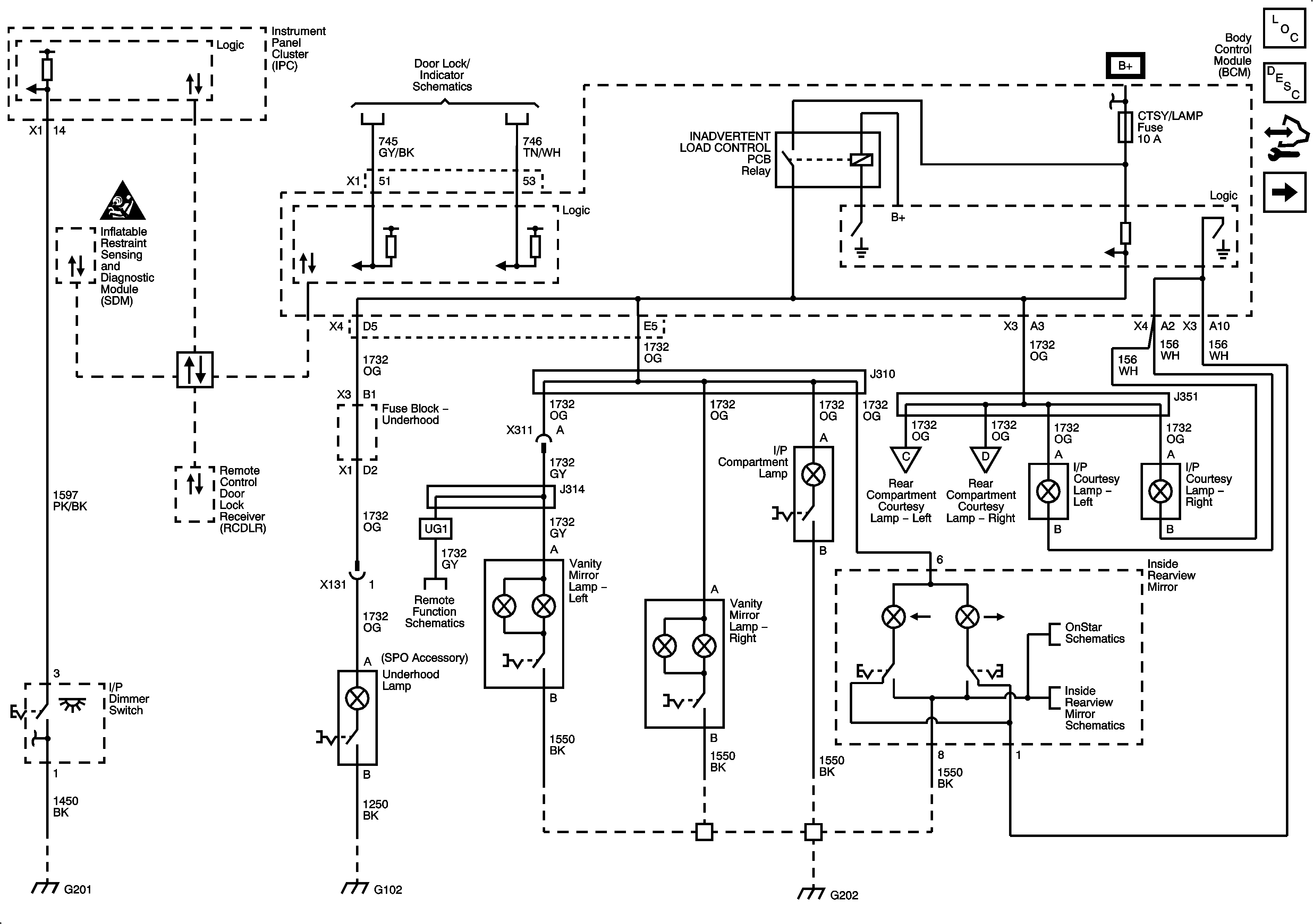
Figure
1:
Passenger Compartment Lamps
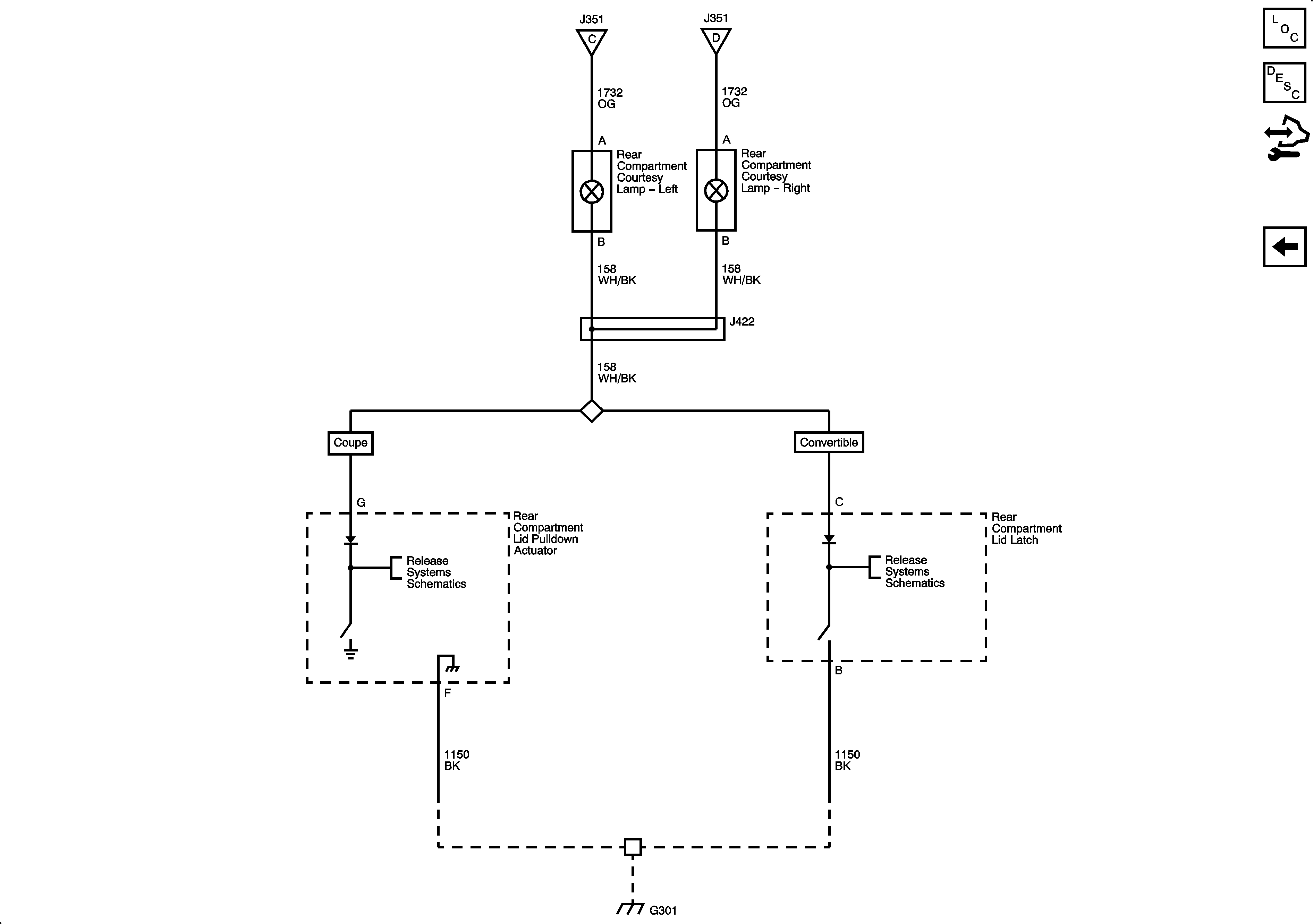
Figure
2:
Rear Compartment Courtesy Lamps