GM Service Manual Online
For 1990-2009 cars only

Removal Procedure

Caution: To prevent equipment damage, never connect or disconnect the wiring harness connection from the EBCM with the ignition switch in the ON position.

  1. Turn the ignition switch to the OFF position.
  2. Disconnect the negative battery cable. Refer to Battery Negative Cable Disconnection and Connection.
  3. Remove the air cleaner assembly. Refer to Air Cleaner Assembly Replacement.
  4. Clean the area surrounding the electronic brake control module (EBCM) and the brake pressure modulator valve (BPMV) of and dirt and debris.
  5. Disconnect the EBCM electrical connector.

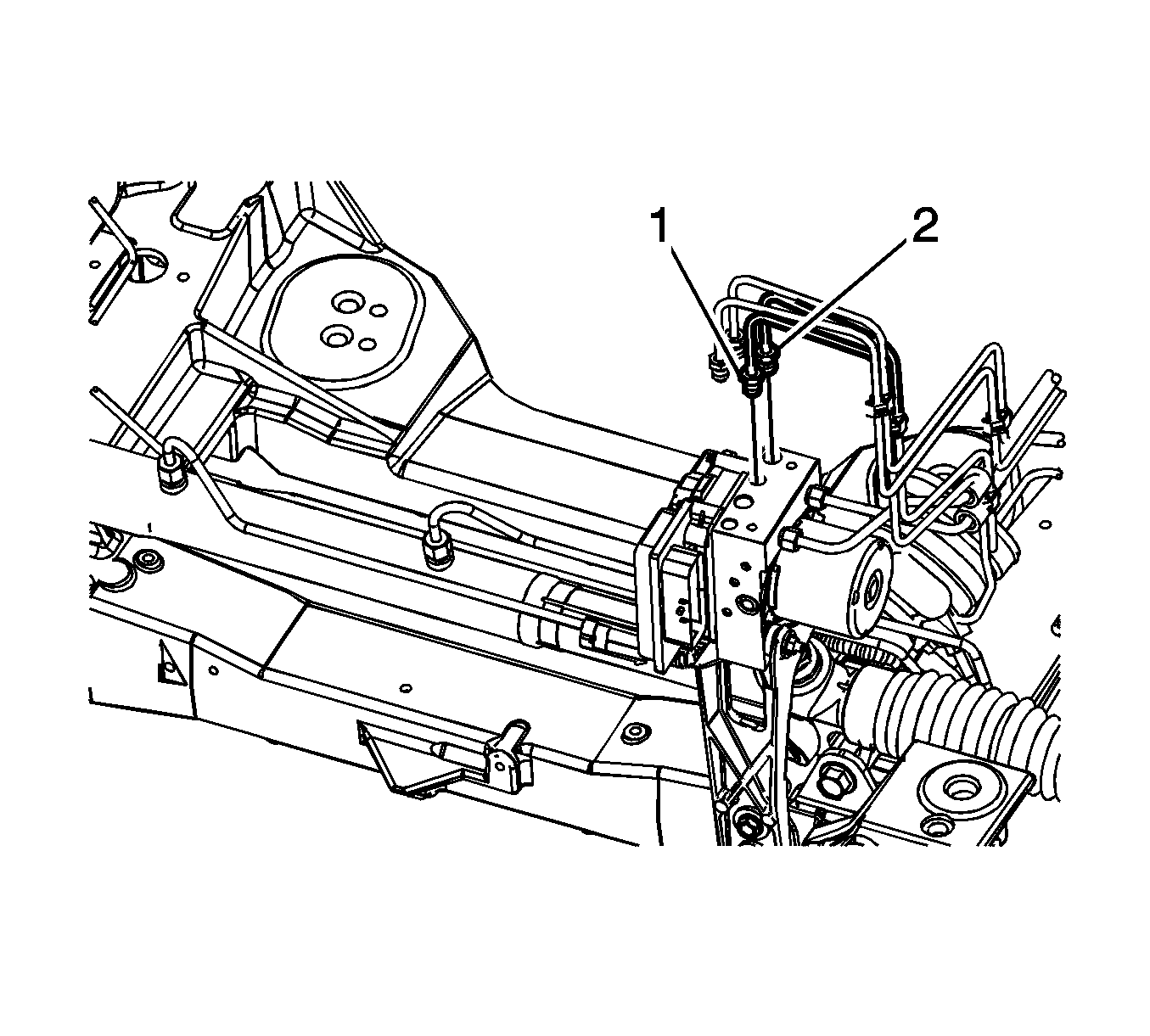
  6. Object Number: 2141647  Size: SH
  7. Disconnect the left rear brake pipe fitting (1).
  8. Cap the brake pipe fitting and plug the BPMV outlet port to prevent brake fluid leaks and contamination.

  9. Disconnect the right rear brake pipe fitting (2).
  10. Cap the brake pipe fitting and plug the BPMV outlet port to prevent brake fluid leaks and contamination.


    Object Number: 2141648  Size: SH
  11. Disconnect the right front brake pipe fitting (1).
  12. Cap the brake pipe fitting and plug the BPMV outlet port to prevent brake fluid leaks and contamination.

    Do not force the components apart.

  13. Disconnect the left front brake pipe fitting (2).
  14. Cap the brake pipe fitting and plug the BPMV outlet port to prevent brake fluid leaks and contamination.


    Object Number: 2141653  Size: SH
  15. Disconnect the master cylinder secondary brake pipe fitting (1).
  16. Cap the brake pipe fitting and plug the BPMV inlet port to prevent brake fluid leaks and contamination.

  17. Disconnect the master cylinder primary brake pipe fitting (2).
  18. Cap the brake pipe fitting and plug the BPMV inlet port to prevent brake fluid leaks and contamination.


    Object Number: 2141655  Size: SH
  19. Remove the BPMV nuts (1).

  20. Object Number: 2141659  Size: SH
  21. Remove the EBCM/BPMV module assembly (1) from the bracket.

  22. Object Number: 2141669  Size: SH
  23. Remove the BPMV insulators (1).
  24. Inspect the insulators for damage and replace, if necessary.


    Object Number: 2141671  Size: SH
  25. Remove the EBCM bolts (1).
  26. Note: Do not attempt to pry or lever the EBCM from the BPMV.


    Object Number: 2141673  Size: SH
  27. Carefully remove the EBCM (1) from the BPMV.
  28. Do not force the components apart.

  29. Clean the sealing surfaces of the EBCM and the BPMV with denatured alcohol and allow to dry.

Installation Procedure


    Object Number: 2141673  Size: SH
  1. Carefully install the EBCM (1) to the BPMV.
  2. Do not force the components together.

    Caution: Refer to Fastener Caution in the Preface section.


    Object Number: 2141671  Size: SH
  3. Install the EBCM bolts (1) and tighten in a cross pattern to  3 N·m (27 lb in).

  4. Object Number: 2141669  Size: SH
  5. Install the BPMV insulators (1).

  6. Object Number: 2141655  Size: SH
  7. Install the EBCM/BPMV module assembly to the bracket.
  8. Install the BPMV nuts (1) and tighten to  12 N·m (106 lb in).

  9. Object Number: 2141653  Size: SH
  10. Connect the master cylinder secondary brake pipe fitting (1) and tighten to  18 N·m (13 lb ft).
  11. Connect the master cylinder primary brake pipe fitting (2) and tighten to  18 N·m (13 lb ft).

  12. Object Number: 2141648  Size: SH
  13. Connect the right front brake pipe fitting (1) and tighten to  18 N·m (13 lb ft).
  14. Connect the left front brake pipe fitting (2) and tighten to  18 N·m (13 lb ft).

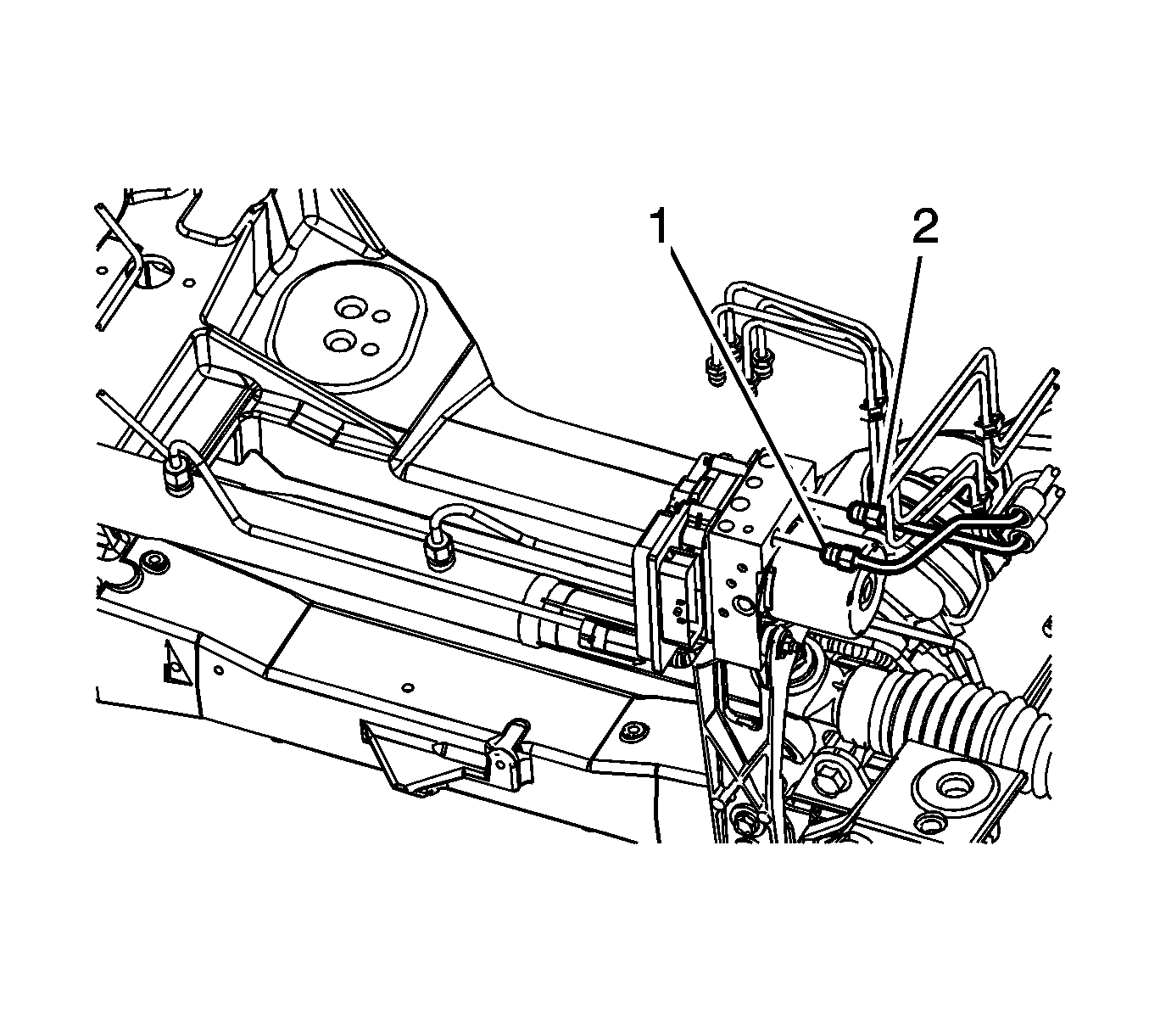
  15. Object Number: 2141647  Size: SH
  16. Connect the left rear brake pipe fitting (1) and tighten to  18 N·m (13 lb ft).
  17. Connect the right rear brake pipe fitting (2) and tighten to  18 N·m (13 lb ft).
  18. Connect the EBCM electrical connector.
  19. Install the air cleaner assembly. Refer to Air Cleaner Assembly Replacement.
  20. Connect the negative battery cable. Refer to Battery Negative Cable Disconnection and Connection.
  21. If installing a new EBCM, program the EBCM. Refer to Service Programming System (SPS).
  22. Perform the Antilock Brake System Automated Bleed Procedure.