GM Service Manual Online
For 1990-2009 cars only

Rear Brake Rotor Replacement JL9, J55, J56


Object Number: 1673400  Size: SF

Callout

Component Name

Warning: Refer to Brake Dust Warning in the Preface section.

Caution: Support the brake caliper with heavy mechanic wire, or equivalent, whenever it is separated from its mount and the hydraulic flexible brake hose is still connected. Failure to support the caliper in this manner will cause the flexible brake hose to bear the weight of the caliper, which may cause damage to the brake hose and in turn may cause a brake fluid leak.

Preliminary Procedures

  1. Raise and support the vehicle. Refer to Lifting and Jacking the Vehicle.
  2. Remove the tire and wheel assembly. Refer to Tire and Wheel Removal and Installation.
  3. Disconnect the front park brake cable from the park brake lever. Refer to Parking Brake Front Cable Replacement.
  4. If equipped with RPO JL9 or RPO J55 and without disconnecting the brake hose, remove the brake caliper and brake caliper bracket as an assembly and support with heavy mechanics wire or equivalent. Refer to Rear Brake Caliper Bracket Replacement.
  5. If equipped with RPO J56 and without disconnecting the brake hose, remove the front brake caliper and support with heavy mechanics wire or equivalent. Refer to Rear Brake Caliper Replacement.

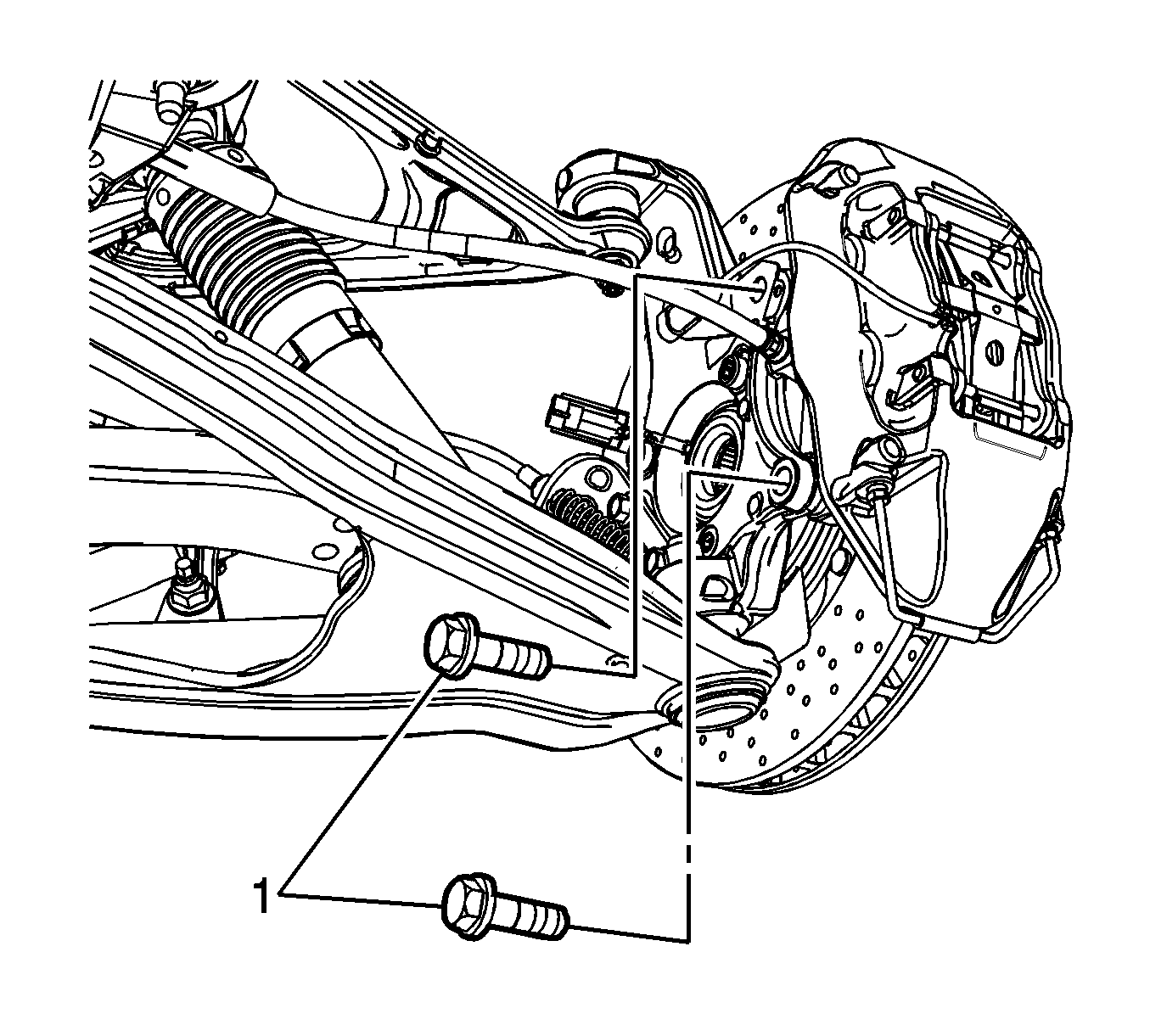
1

Brake Rotor Retainer (Qty: 2)

Procedure

Discard the brake rotor retainers.

2

Disc Brake Rotor

Procedure

  1. Mark the relationship of the disc brake rotor to the wheel hub.
  2. Using the J-41013 Rotor Resurfacing Kit , clean the mating surface of the disc brake rotor of any corrosion or debris.
  3. Using the J-42450-A Wheel Hub Resurfacing Kit , clean the mating surface of the wheel hub of any corrosion or debris.

Special Tools

    • J-41013 Rotor Resurfacing Kit
    • J-42450-A Wheel Hub Resurfacing Kit

Rear Brake Rotor Replacement J57

Special Tools

    • J-41013 Rotor Resurfacing Kit
    • J-42450-A Wheel Hub Resurfacing Kit

Removal Procedure

Warning: Refer to Brake Dust Warning in the Preface section.

  1. Raise and support the vehicle. Refer to Lifting and Jacking the Vehicle.
  2. Caution: Disc brake rotor protectors MUST be installed prior to tire and wheel assembly removal to avoid ceramic brake rotor damage due to contact between the tire and wheel assembly and the rotor. If the ceramic brake rotor is damaged replacement may be required.

  3. Install the disc brake rotor protectors and remove the tire and wheel assembly. Refer to Tire and Wheel Removal and Installation.

  4. Object Number: 2146877  Size: SH
  5. Disconnect the brake pad wear sensor electrical connector (1).

  6. Object Number: 2146896  Size: SH
  7. Remove the brake caliper bolts (1).
  8. Caution: Support the brake caliper with heavy mechanic wire, or equivalent, whenever it is separated from its mount and the hydraulic flexible brake hose is still connected. Failure to support the caliper in this manner will cause the flexible brake hose to bear the weight of the caliper, which may cause damage to the brake hose and in turn may cause a brake fluid leak.


    Object Number: 2146900  Size: SH
  9. Remove the brake caliper (1) and support with heavy mechanics wire or equivalent.

  10. Object Number: 2146903  Size: SH
  11. Remove and discard the brake rotor retainers (1), if equipped.

  12. Object Number: 2146906  Size: SH
  13. If reinstalling the brake rotor, matchmark the position of the brake rotor to the wheel hub.
  14. Remove the brake rotor (1).

Installation Procedure

  1. If reinstalling the brake rotor, clean any corrosion and debris from the wheel hub mating surface of the brake rotor using the J-41013 Rotor Resurfacing Kit .
  2. Note: Do not clean the friction surfaces of the brake rotor with chemical brake cleaners.

  3. Clean the friction surfaces of the brake rotor with soap and water or denatured alcohol and allow to air dry.
  4. Note: Do not pry against the cross-drilled holes in the brake rotor to remove loose material and debris.

  5. If necessary, carefully remove any loose material and debris from the cross-drilled holes in the brake rotor with a 5 mm (3/16 in) diameter tool.
  6. Using the J-42450-A Wheel Hub Resurfacing Kit , clean any corrosion and debris from the rotor mating surface of the wheel hub.

  7. Object Number: 2146906  Size: SH
  8. Install the brake rotor (1).
  9. If reinstalling the brake rotor, align the brake rotor to the matchmark on the wheel hub.


    Object Number: 2146900  Size: SH
  10. Install the brake caliper (1).
  11. Caution: Refer to Fastener Caution in the Preface section.


    Object Number: 2146896  Size: SH
  12. Install the brake caliper bolts (1) and tighten to  175 N·m (129 lb ft).

  13. Object Number: 2146877  Size: SH
  14. Connect the brake pad wear sensor electrical connector (1).
  15. Install the tire and wheel assembly and remove the disc brake rotor protectors. Refer to Tire and Wheel Removal and Installation.
  16. If a new rotor was installed, burnish the brake pads and rotor. Refer to Brake Pad and Rotor Burnishing.