GM Service Manual Online
For 1990-2009 cars only

Removal Procedure

  1. Raise and suitably support the vehicle. Refer to Lifting and Jacking the Vehicle.
  2. Remove the floor panel tunnel reinforcement. Refer to Floor Panel Tunnel Panel Reinforcement Replacement.

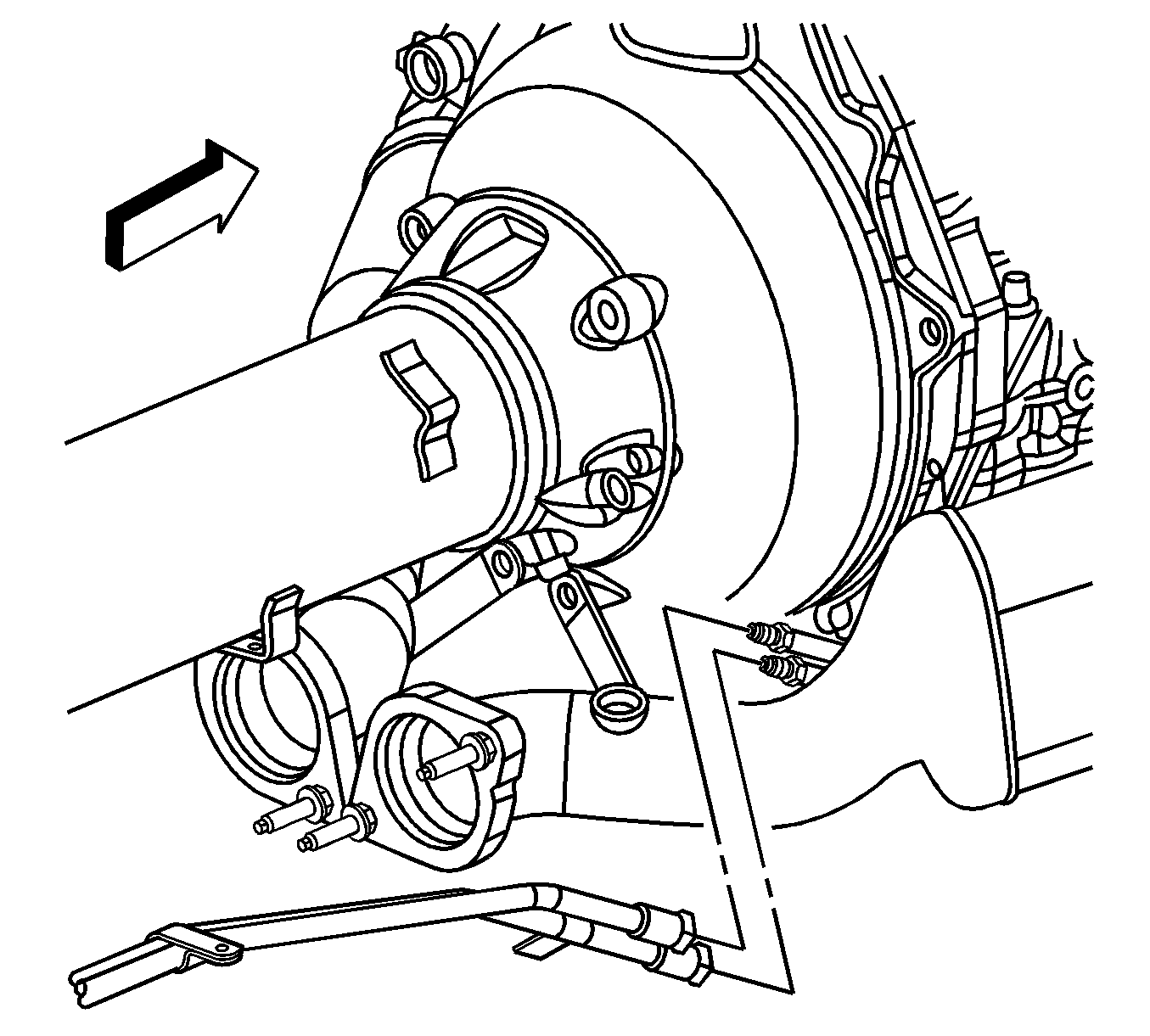
  3. Object Number: 1218468  Size: SH

    Note: 

       • The front transmission oil cooler (TOC) inlet and outlet lines connect to the rear TOC inlet and outlet lines near the engine starter motor.
       • Cap or plug the open TOC pipes immediately to prevent system contamination.

  4. Disconnect the front TOC inlet and outlet lines from the rear TOC inlet and outlet lines.
  5. Cap or plug the open TOC pipes.


    Object Number: 1809294  Size: SH
  6. Remove the TOC block fitting bolt from the transmission housing.
  7. Rotate the TOC block fitting to insecure the upper TOC pipe.
  8. Disconnect the upper and lower TOC pipes from the transmission.
  9. Cap or plug the TOC pipes and transmission fittings to prevent system contamination.


    Object Number: 1200824  Size: SH
  10. Remove the forward TOC pipe bracket bolt.
  11. Remove the forward TOC pipe bracket.

  12. Object Number: 1200827  Size: SH
  13. Remove the rear TOC pipe bracket bolt.
  14. Remove the rear TOC pipe bracket.
  15. Remove the TOC pipes from the vehicle.

Installation Procedure

  1. Install the TOC pipes into position.
  2. Install the rear TOC pipe bracket.
  3. Caution: Refer to Fastener Caution in the Preface section.


    Object Number: 1200827  Size: SH
  4. Install the rear TOC pipe bracket bolt.
  5. Tighten
    Tighten the bolt to 12 N·m (9 lb ft).

  6. Install the forward TOC pipe bracket.

  7. Object Number: 1200824  Size: SH
  8. Install the forward TOC pipe bracket bolt.
  9. Tighten
    Tighten the bolt to 12 N·m (9 lb ft).

  10. Remove caps or plugs from the TOC pipes and transmission fittings.
  11. Connect the upper and lower TOC pipes to the transmission.
  12. Rotate the TOC block fitting to secure the upper TOC pipe.

  13. Object Number: 1809294  Size: SH
  14. Install the TOC block fitting bolt to the transmission housing.
  15. Tighten
    Tighten the bolt to 16 N·m (12 lb ft).

  16. Remove the caps or plugs from the TOC pipes.

  17. Object Number: 1218468  Size: SH
  18. Connect the front TOC inlet and outlet lines to the rear TOC inlet and outlet lines.
  19. Install the floor panel tunnel reinforcement. Refer to Floor Panel Tunnel Panel Reinforcement Replacement.
  20. Lower the vehicle.
  21. Check the transmission fluid level, add fluid if necessary.