GM Service Manual Online
For 1990-2009 cars only
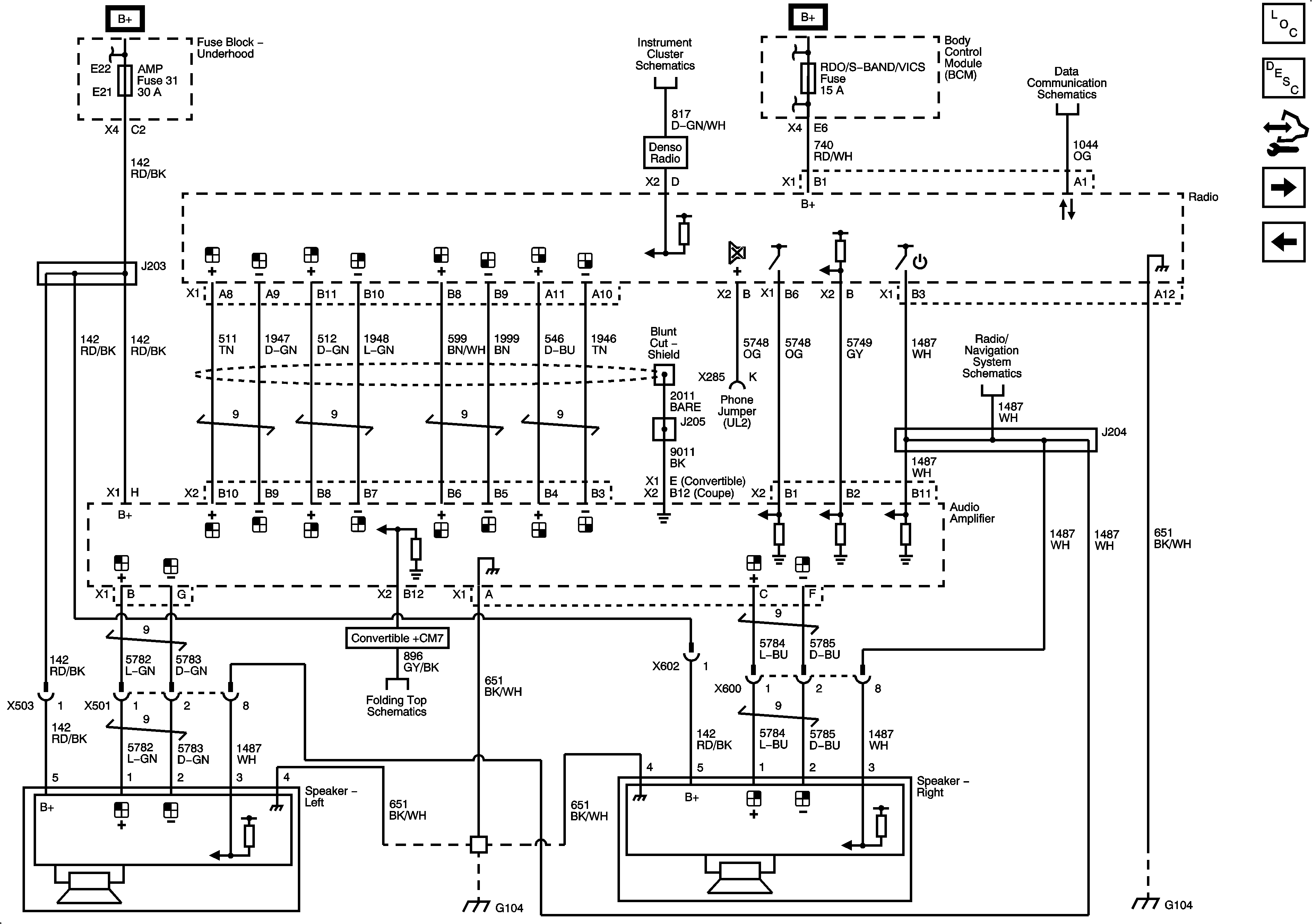
Figure 1:

Power, Ground, Serial Data, Radio, Amplifier and Audio Signals (US8/U66)


Object Number: 2053574  Size: FS
Figure 2:

Speakers (U66)


Object Number: 2053576  Size: FS
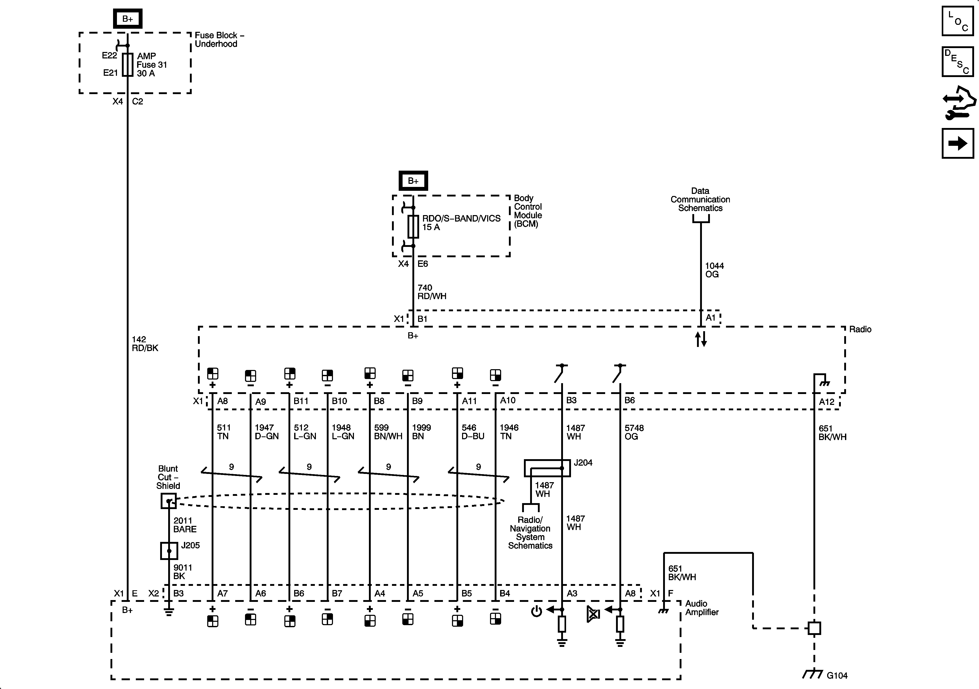
Figure 3:

Power, Ground, Serial Data, Radio, Amplifier, Audio Signals and Front Speakers (U65)


Object Number: 2053580  Size: FS
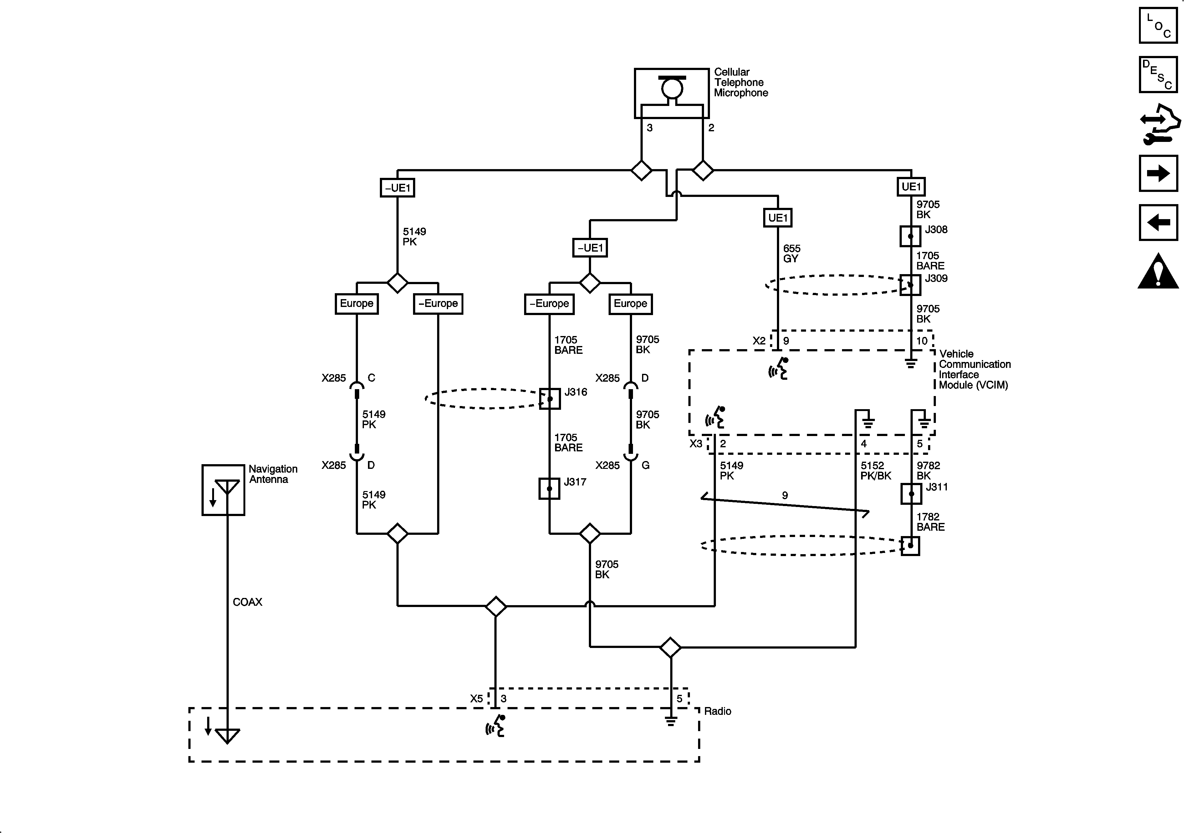
Figure 4:

Speakers and Noise Compension Microphone (U65)


Object Number: 2053585  Size: FS
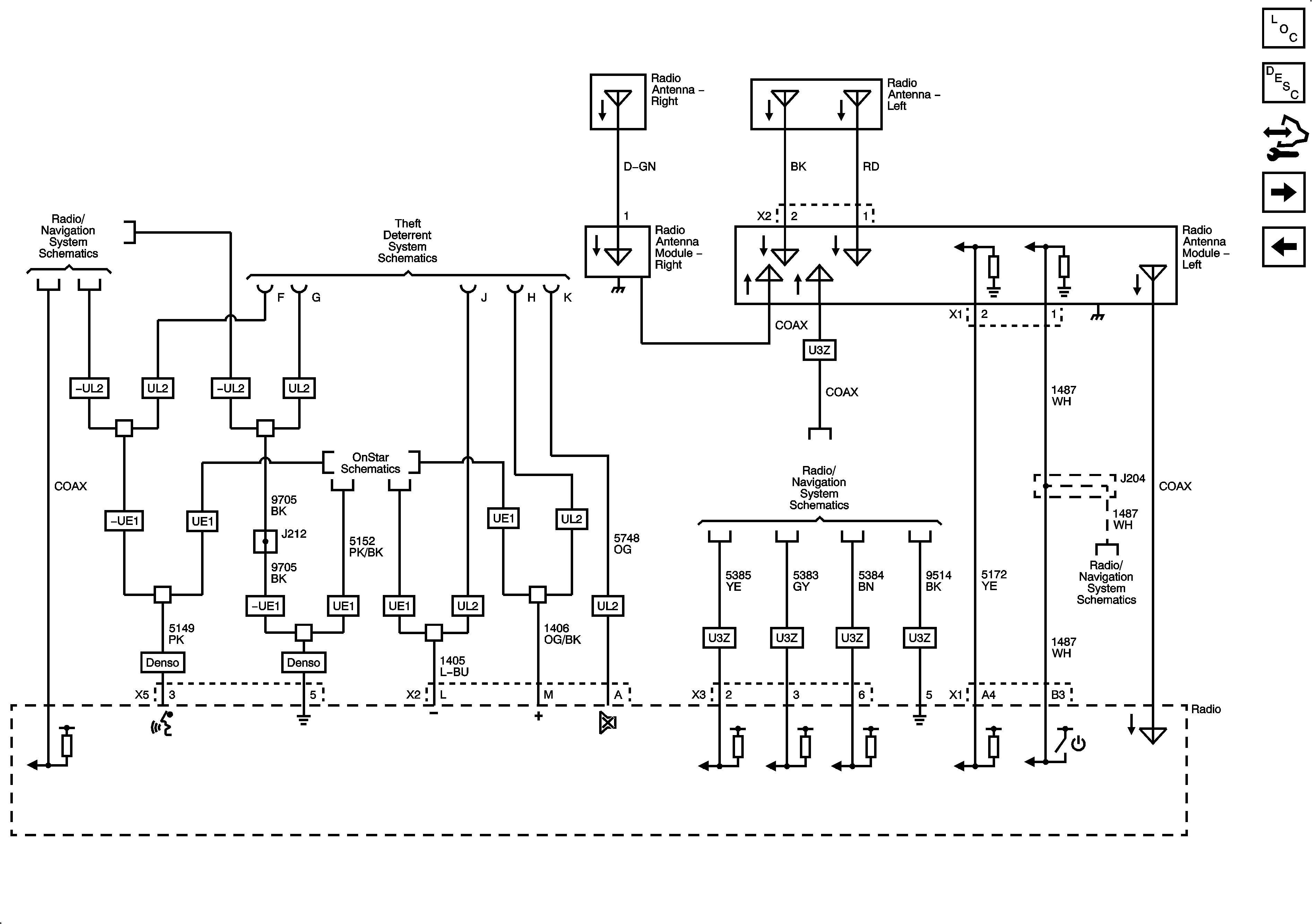
Figure 5:

Antennas Except (U2K), Navigation and OnStar References


Object Number: 2053592  Size: FS
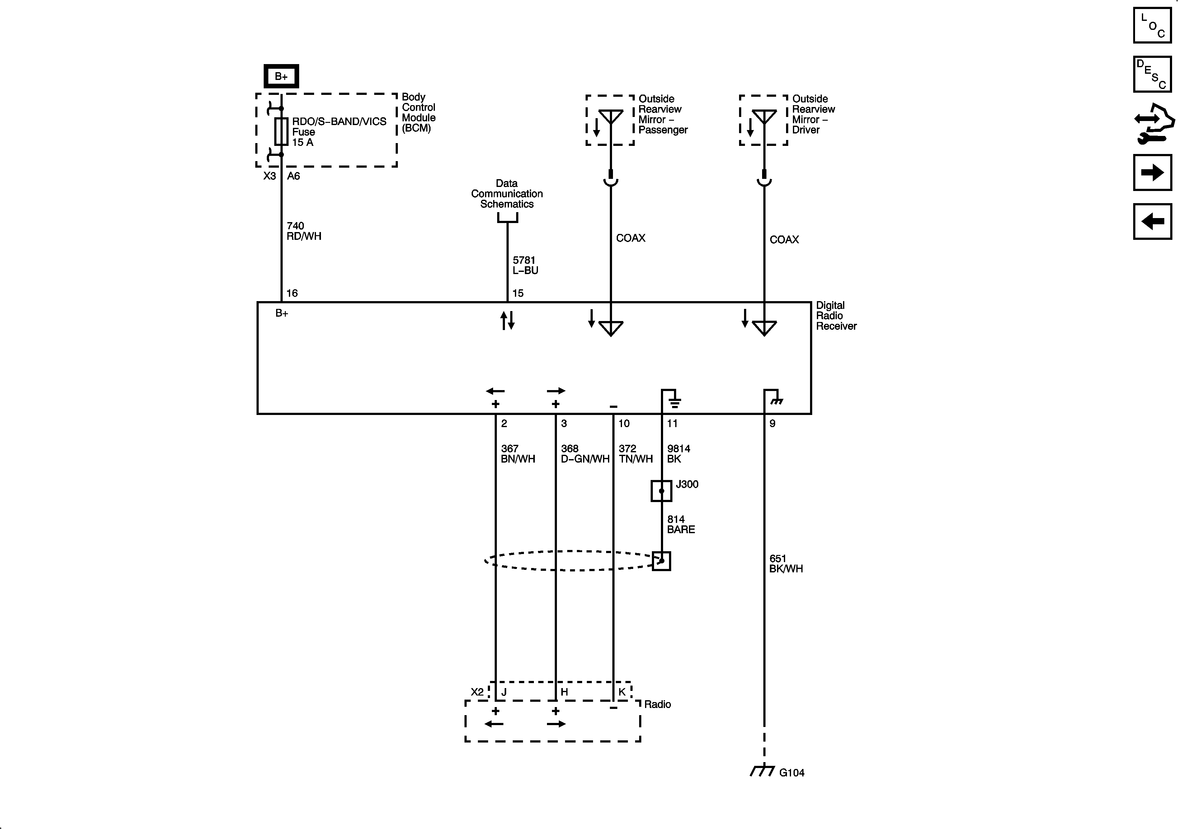
Figure 6:

Satellite Radio (U2K)


Object Number: 2053598  Size: FS
Figure 7:

Steering Wheel Controls (UK3)


Object Number: 2053603  Size: FS
Figure 8:

Navigation Except Japan


Object Number: 2053608  Size: FS
Figure 9:

Japan (U32)


Object Number: 2053610  Size: FS