GM Service Manual Online
For 1990-2009 cars only
Makes
🢒
Chevrolet
🢒
2009
🢒
Corvette
🢒
Safety and Security
🢒
Supplemental Inflatable Restraints
🢒 SIR Schematics
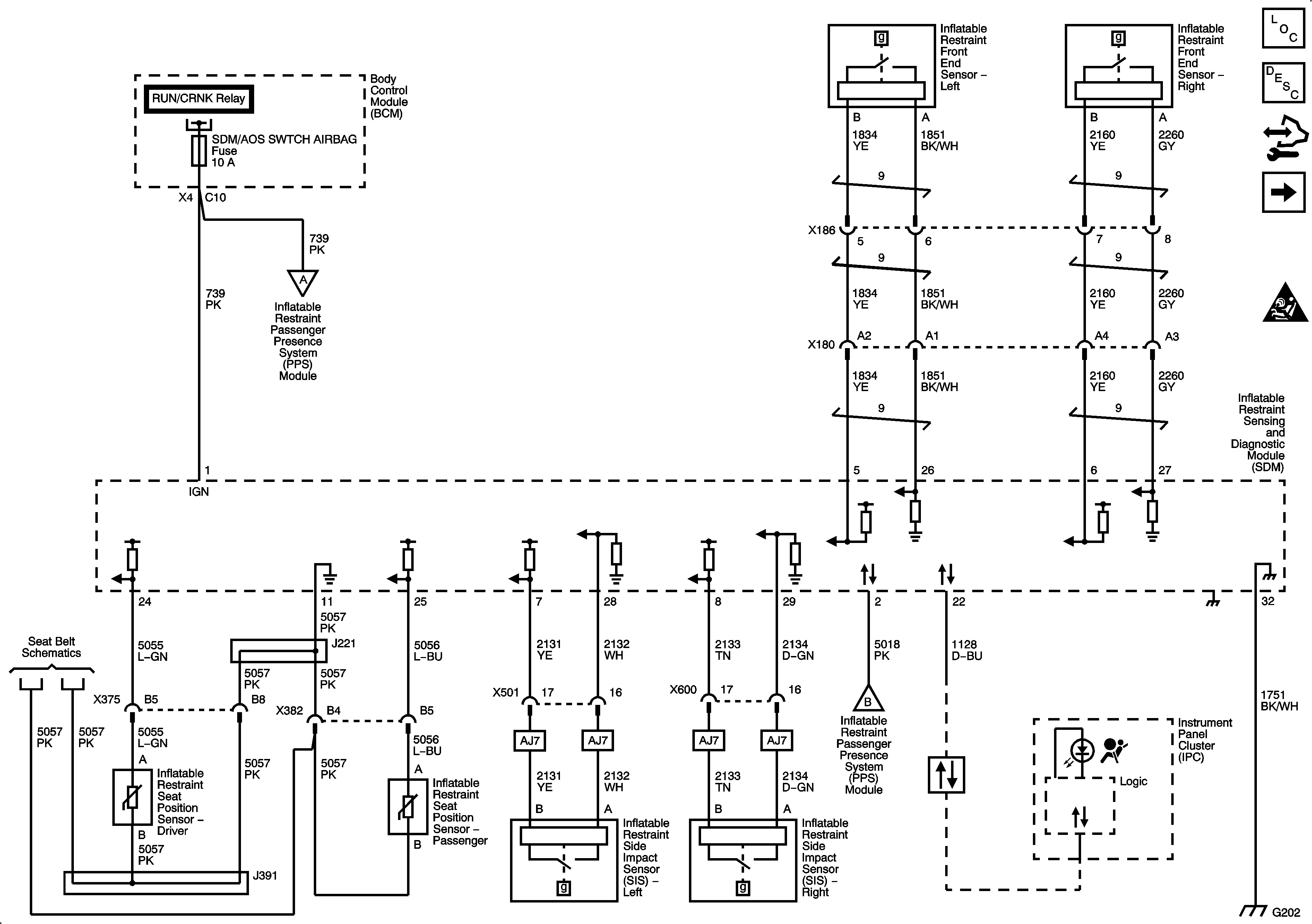
Figure
1:
Power, Ground, Indicators, Sensors, and Switches
Figure
2:
Deployment Loops
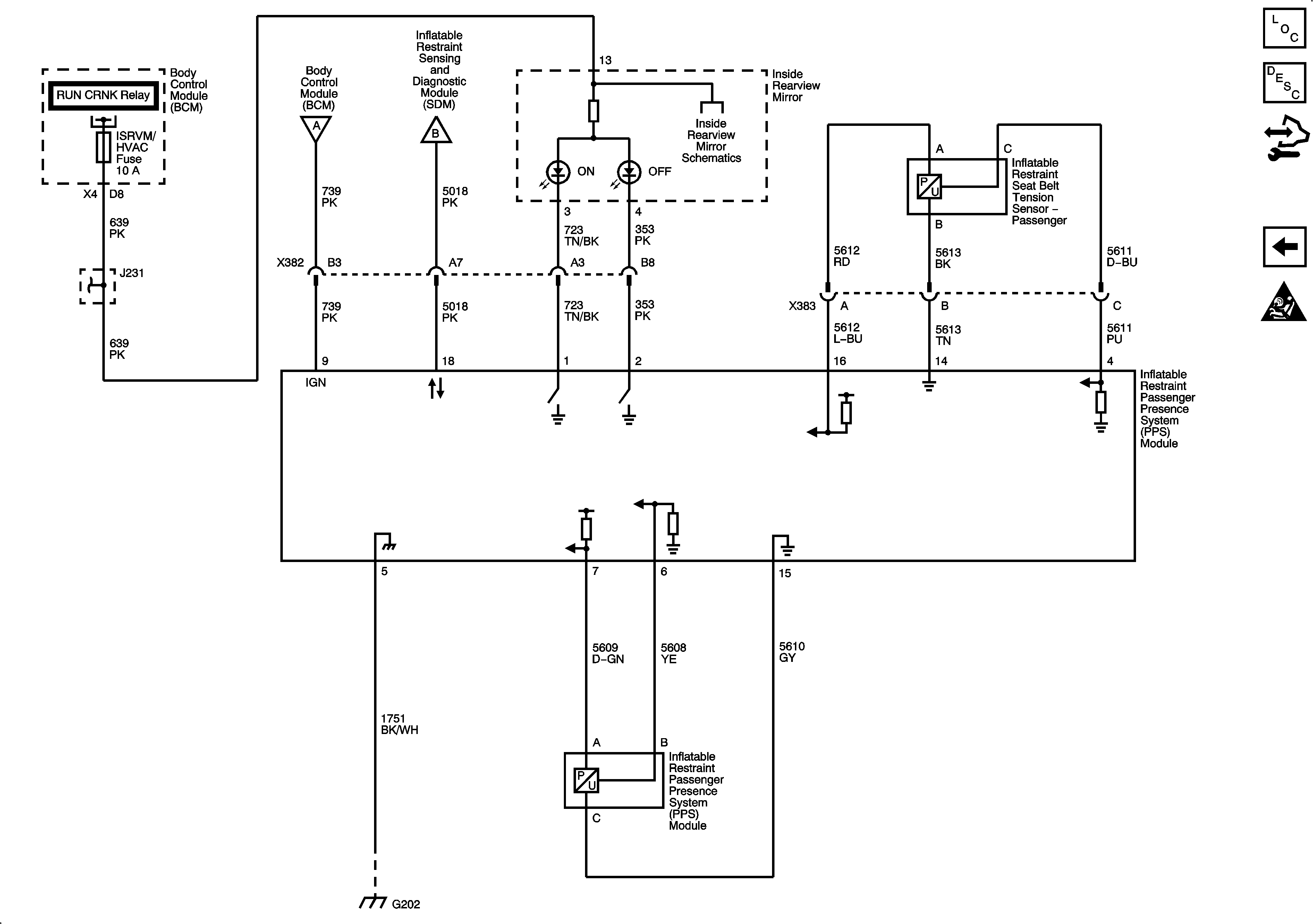
Figure
3:
Passenger Presence System (PPS)