GM Service Manual Online
For 1990-2009 cars only
Makes
🢒
Chevrolet
🢒
2004
🢒
Epica
🢒
Transmission/Transaxle
🢒
Manual Transmission - D20
🢒 Manual Transmission Schematics
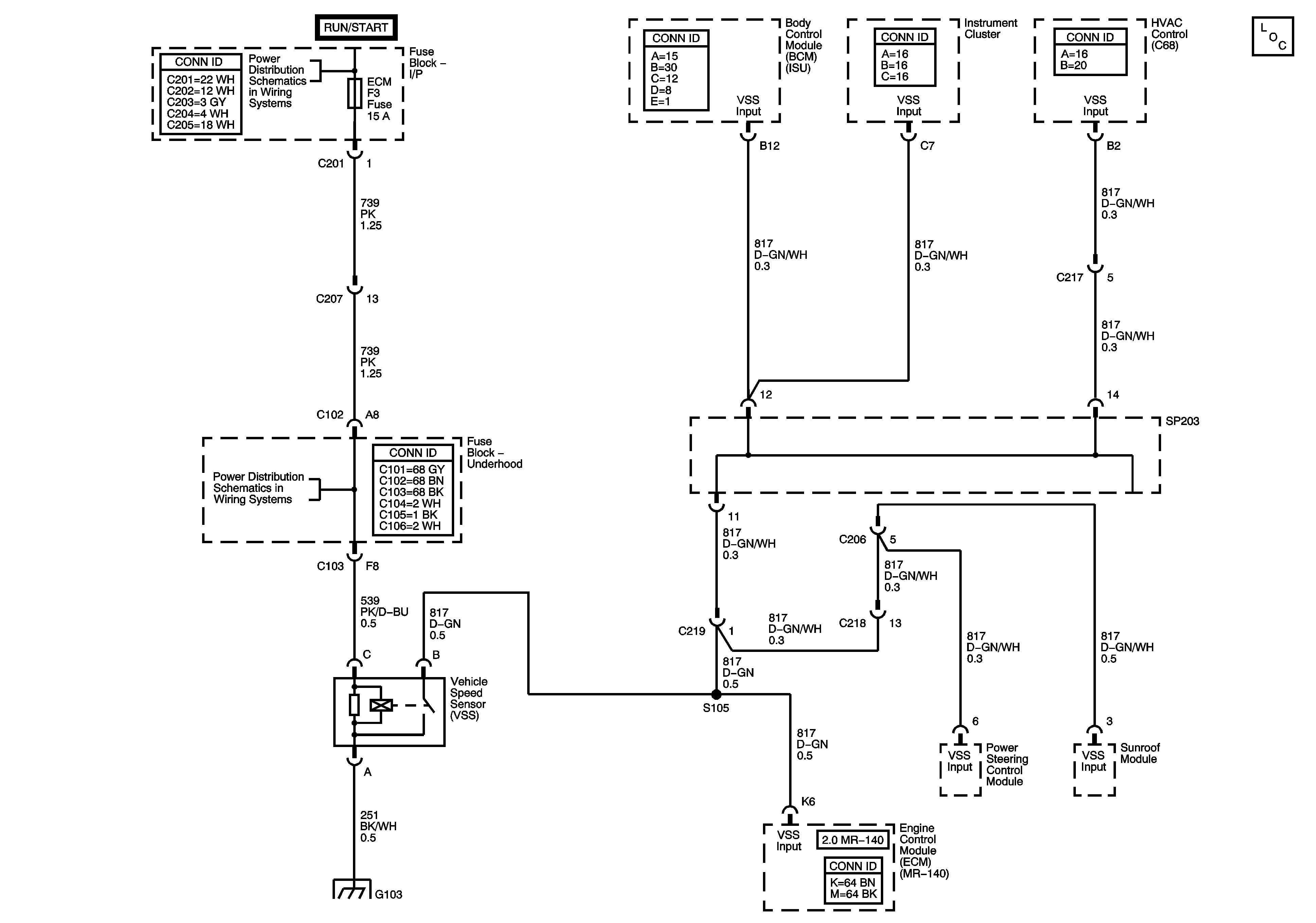
Figure
1:
Vehicle Speed Sensor (VSS) - European Emissions
Master Electrical Component List
Underhood Fuse Block - Fuel Pump Relay, FUEL and ECM Fuses
Underhood Fuse Block - Fuel Pump Relay, FUEL and ECM Fuses
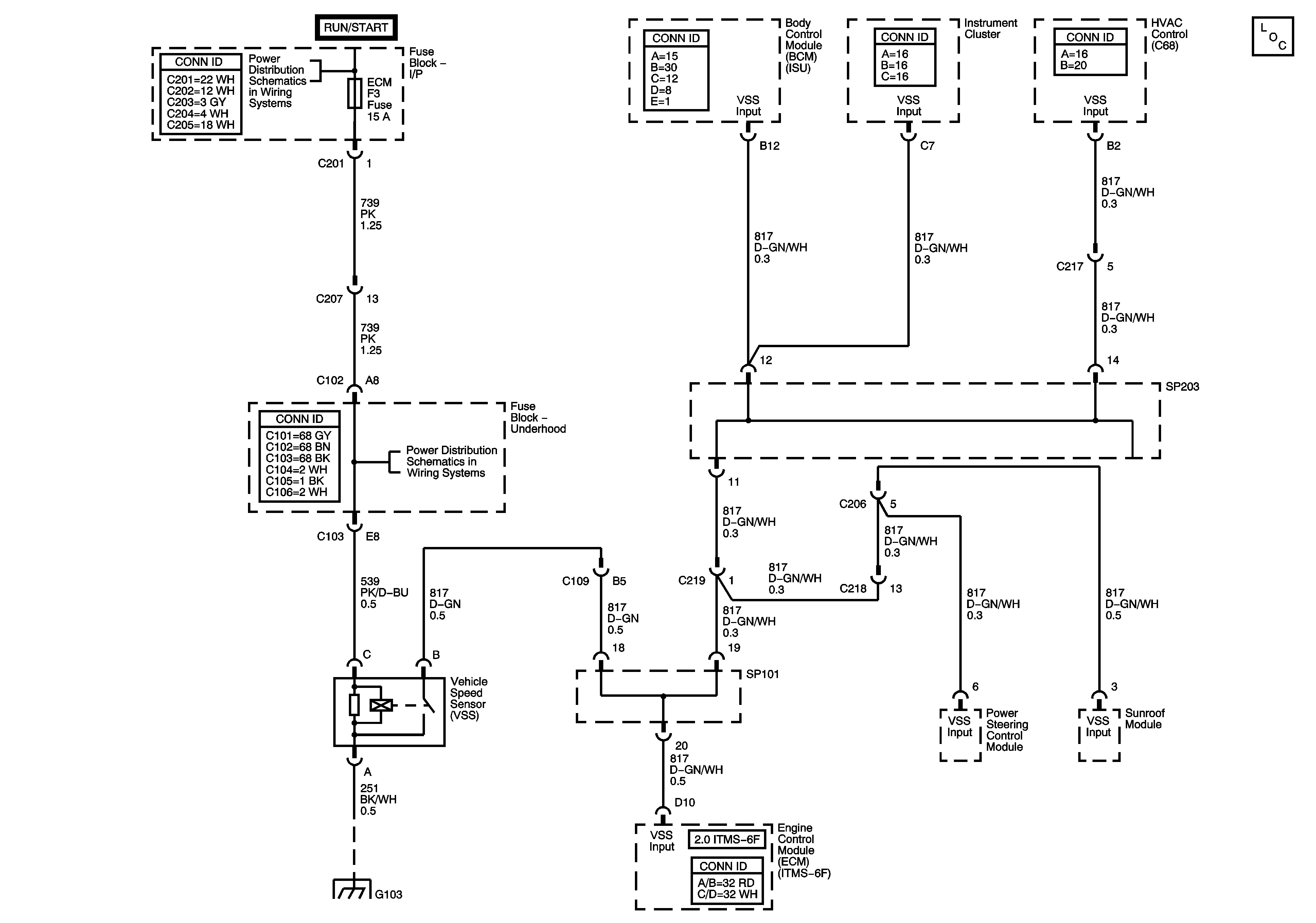
Figure
2:
Vehicle Speed Sensor (VSS) - Non-European Emissions
Master Electrical Component List
Underhood Fuse Block - Fuel Pump Relay, FUEL and ECM Fuses
Underhood Fuse Block - Fuel Pump Relay, FUEL and ECM Fuses