GM Service Manual Online
For 1990-2009 cars only
Makes
🢒
Chevrolet
🢒
2004
🢒
Epica
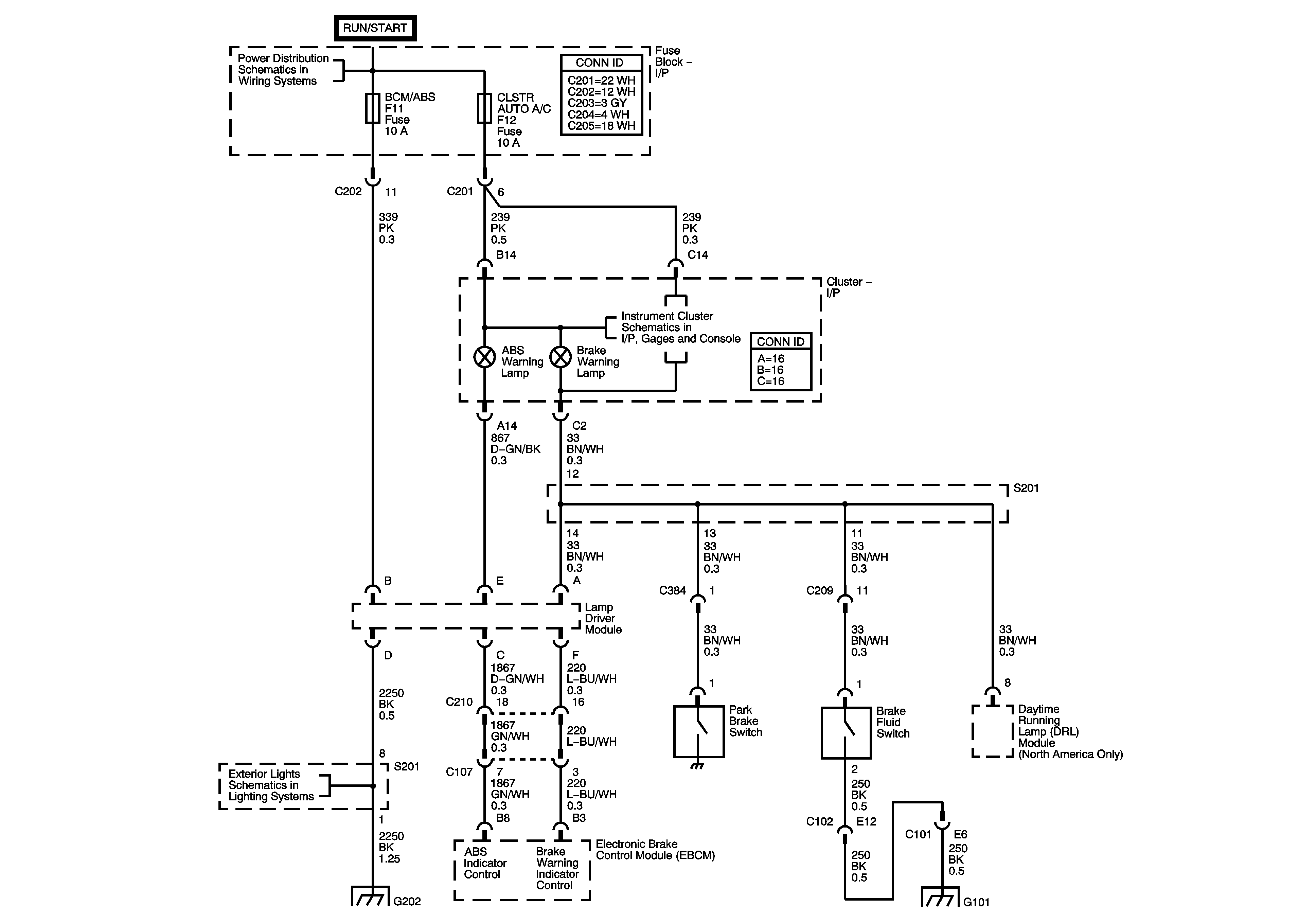
🢒 Brake Lamp Warning Circuit
Brake Lamp Warning Circuit
Brake Lamp Warning Circuit
Master Electrical Component List
I/P Fuse Block - WPR, TCM BTSI, BCM ABS, CLSTR AUTO A/C and WSWA Fuses
Warning Lamps
Park Lamps - North America