GM Service Manual Online
For 1990-2009 cars only

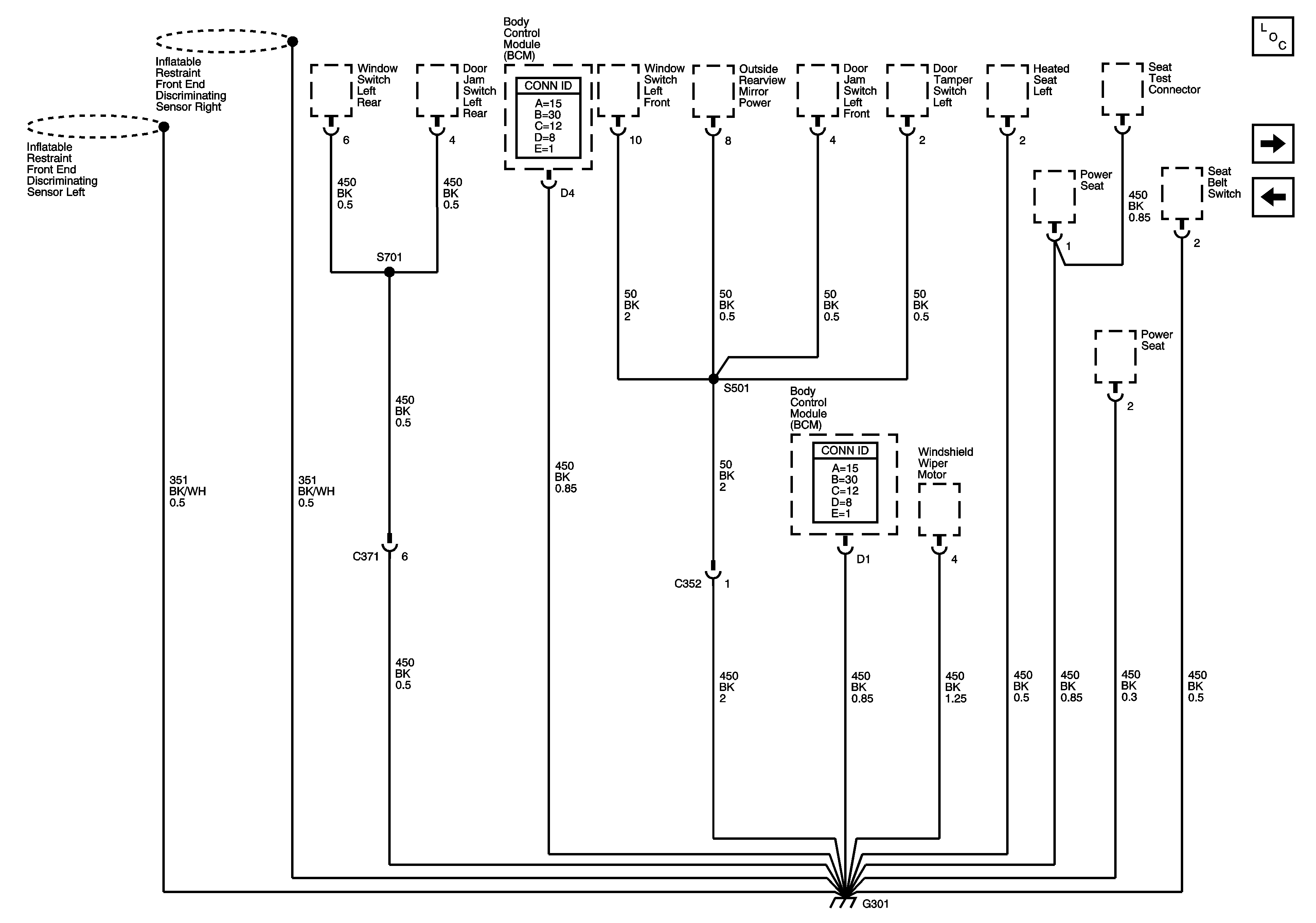
G301

G301


Object Number: 1461079  Size: FS
Master Electrical Component List
G302
G205 (C60)