GM Service Manual Online
For 1990-2009 cars only

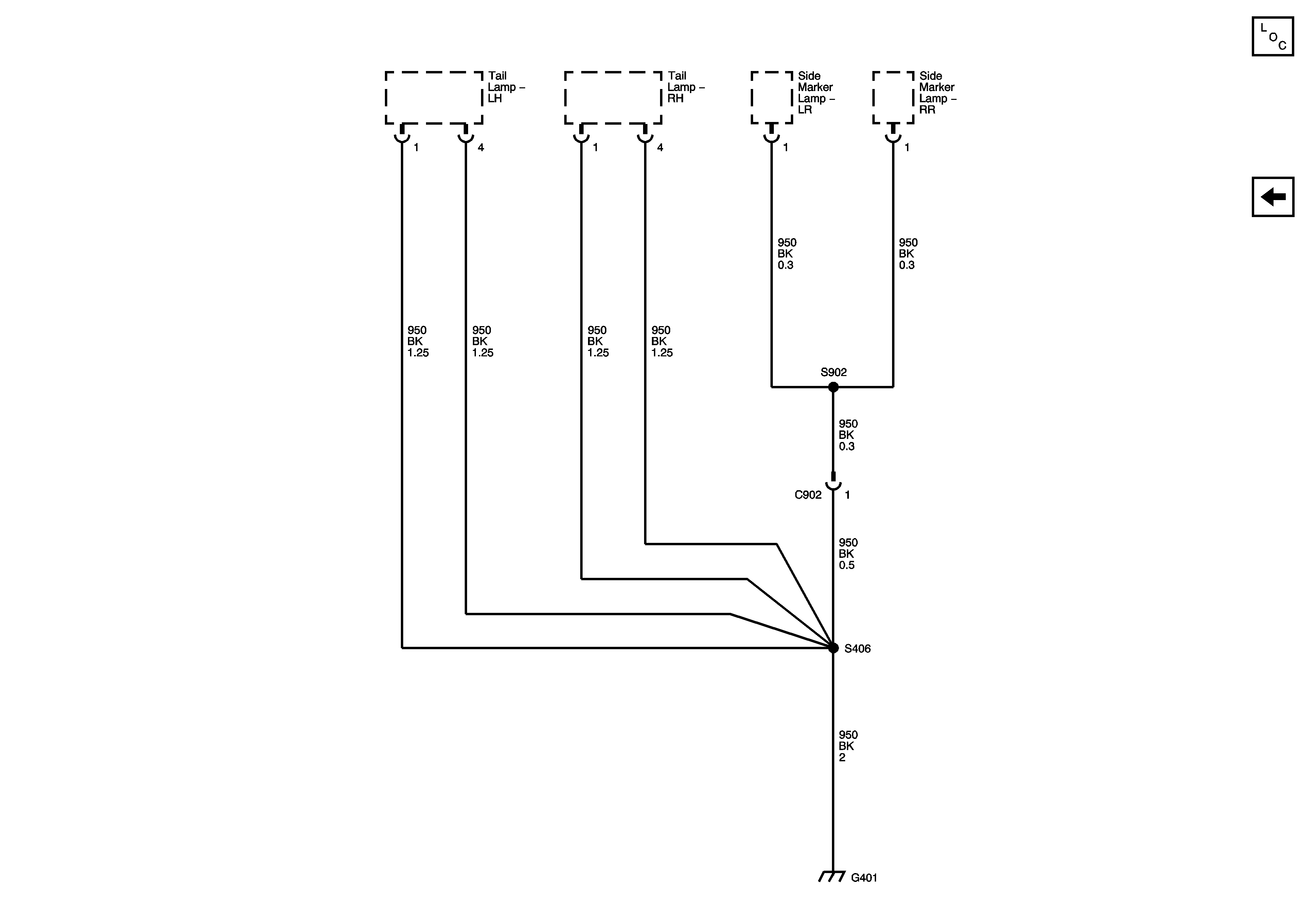
G401

G401


Object Number: 1461082  Size: FS
Master Electrical Component List
G303