GM Service Manual Online
For 1990-2009 cars only
Makes
🢒
Chevrolet
🢒
2004
🢒
Epica
🢒 Starting System
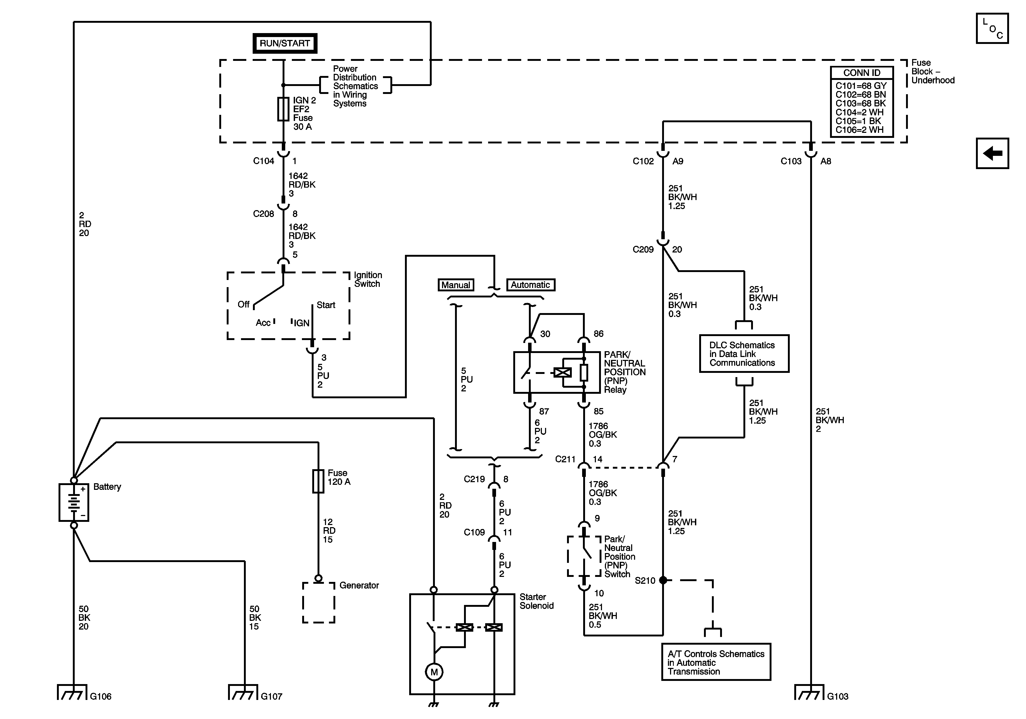
Starting System
Starting System
Master Electrical Component List
Charging System
Underhood Fuse Block - IGN2 Fuse, Ignition Switch, I/P Fuse Block - AUTO A/C BCM, HVAC EPS, ABS and HTD MIR Fuses
Data Link Connector
Power, Ground, Hold Switch and DLC