GM Service Manual Online
For 1990-2009 cars only
Makes
🢒
Chevrolet
🢒
2004
🢒
Epica
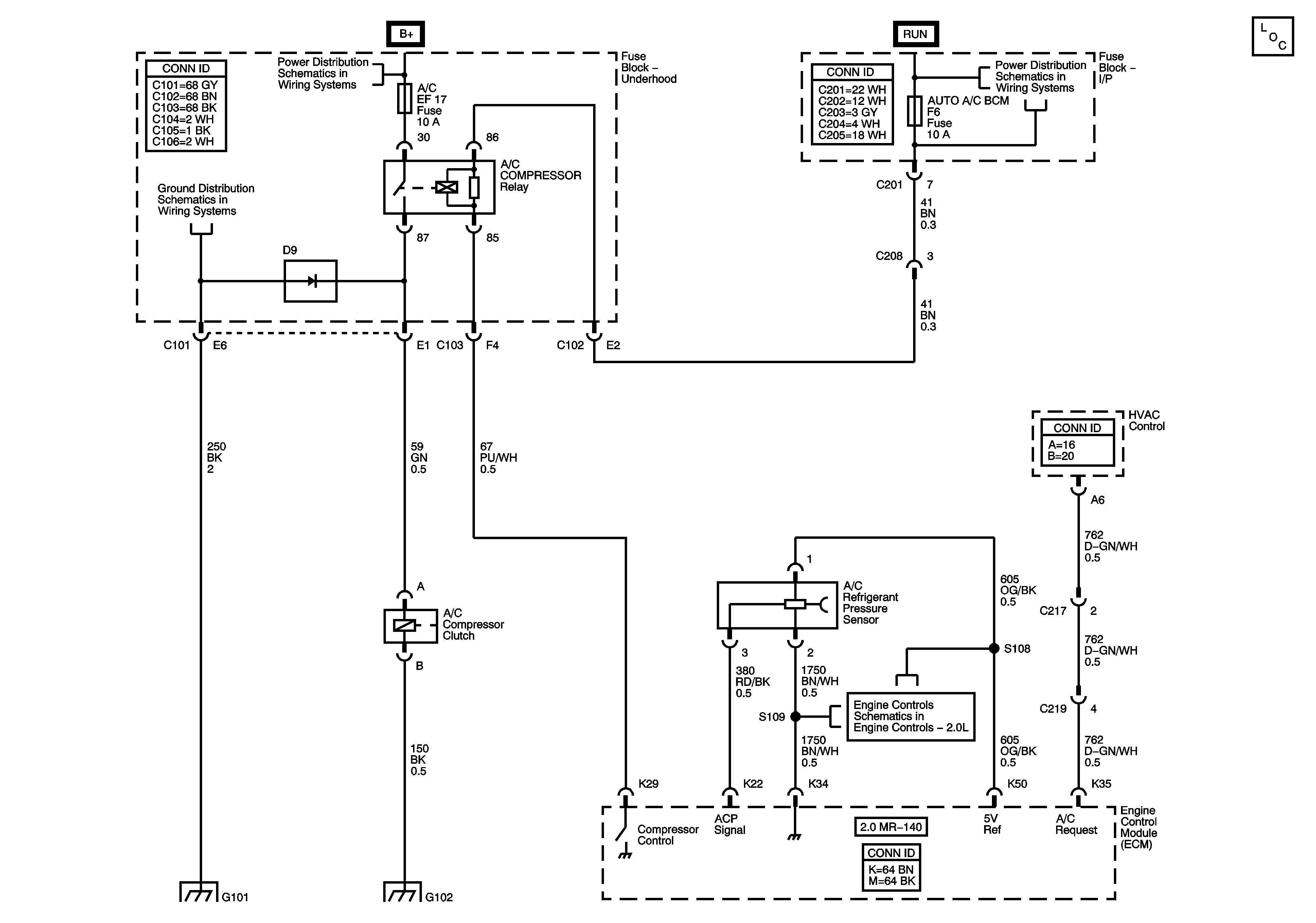
🢒 Compressor Controls (2.0L MR-140)
Compressor Controls (2.0L MR-140)
Compressor Controls (2.0L MR-140)
Master Electrical Component List
Underhood Fuse Block - A/C and IP Fuse BATT, I/P Fuse Block - RADIO CRUISE, AUTO HVAC CLSTR, and DLC Fuses
Underhood Fuse Block - IGN2 Fuse, Ignition Switch, I/P Fuse Block - AUTO A/C BCM, HVAC EPS, ABS and HTD MIR Fuses
G101
Engine Data Sensors - Pressure and Temperature