GM Service Manual Online
For 1990-2009 cars only

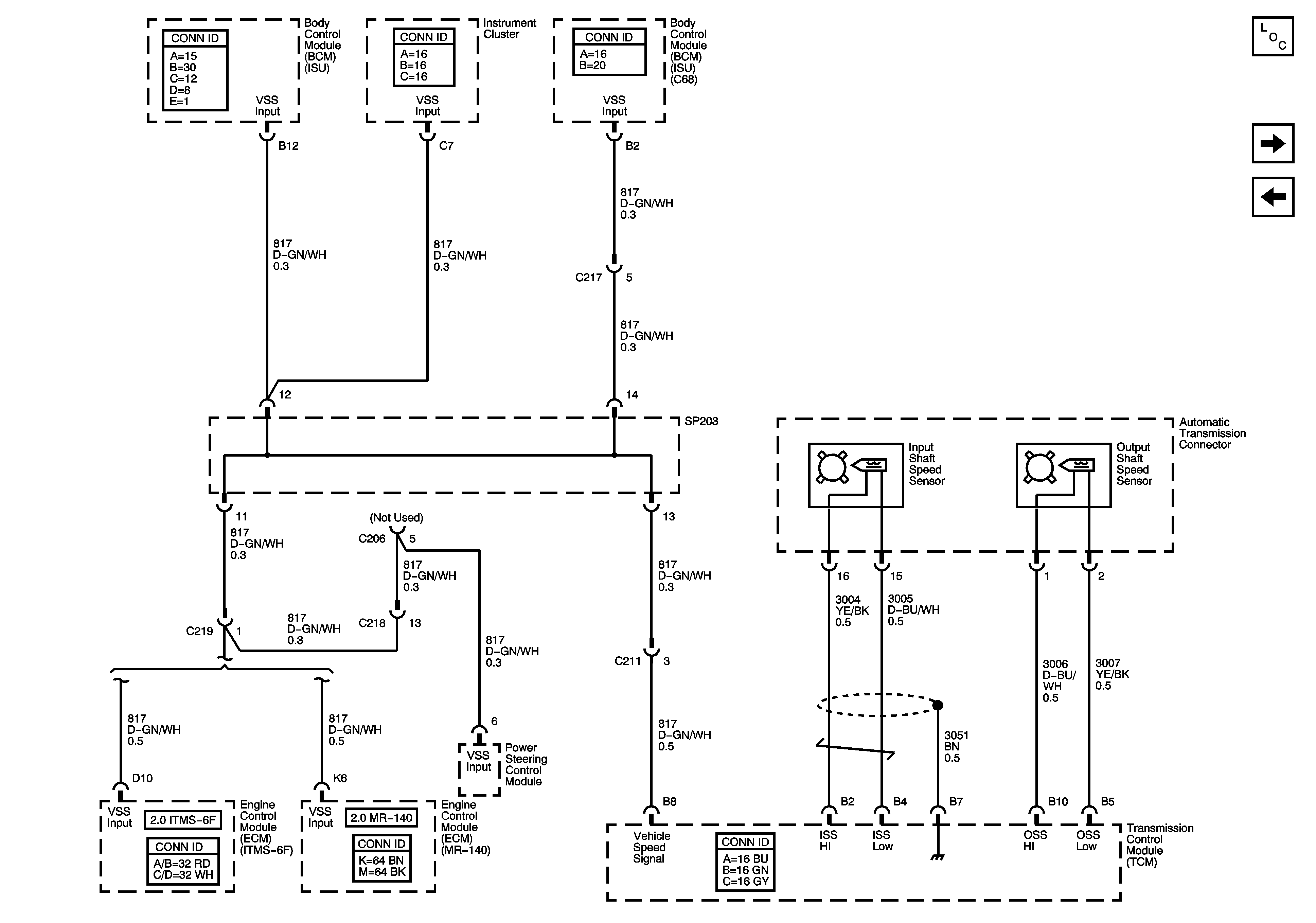
Vehicle Speed Signal

Vehicle Speed Signal


Object Number: 1461097  Size: FS
Master Electrical Component List
Park/Neutral Position (PNP) Switch
Shift and Pressure Control Solenoids