GM Service Manual Online
For 1990-2009 cars only
Makes
🢒
Chevrolet
🢒
2004
🢒
Epica
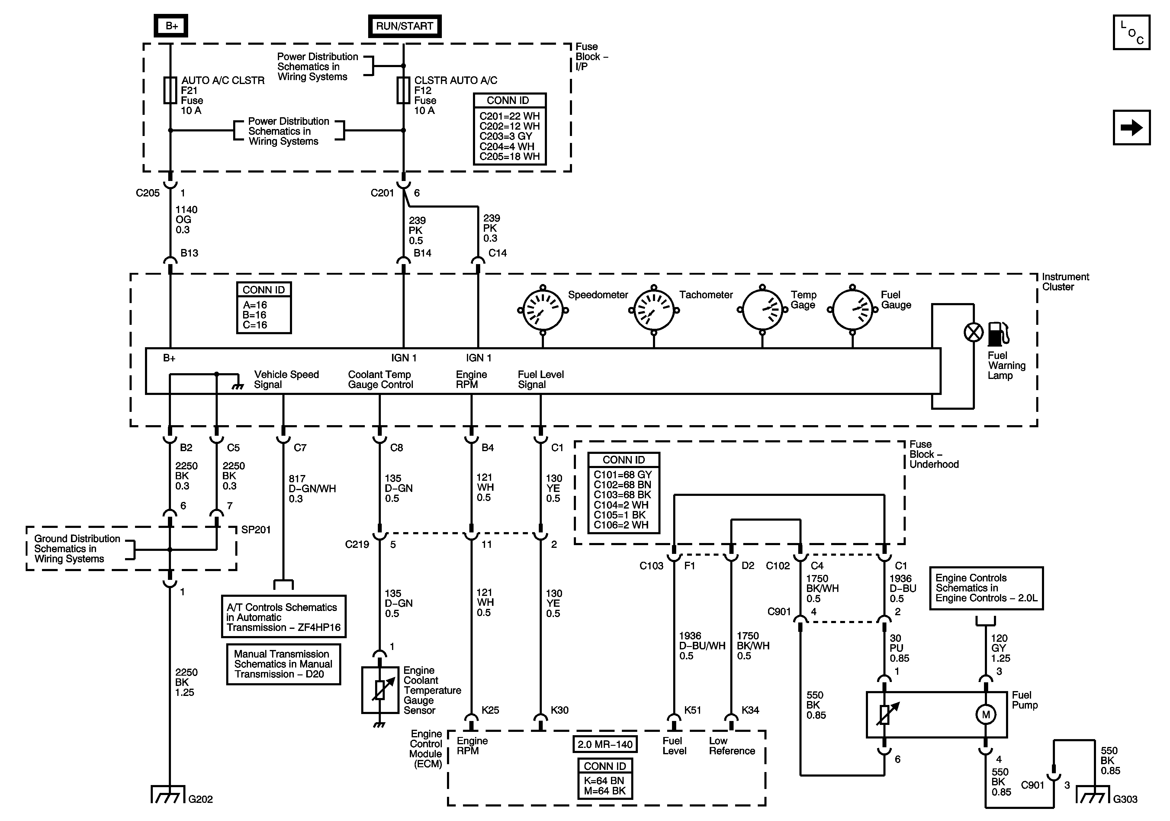
🢒 Power, Ground, and Gages (2.0L MR-140)
Power, Ground, and Gages (2.0L MR-140)
Power, Ground, and Gages (2.0L MR-140)
Master Electrical Component List
Malfuntion Indicator Lamp (MIL), Speed Sensitive Power Steering (SSPS), and HOLD Warning Lamps, PRNDL Indicator
I/P Fuse Block - WPR, TCM BTSI, BCM ABS, CLSTR AUTO A/C and WSWA Fuses
Underhood Fuse Block - A/C and IP Fuse BATT, I/P Fuse Block - RADIO CRUISE, AUTO HVAC CLSTR, and DLC Fuses
G201, G202
Power, Ground, Hold Switch and DLC
Vehicle Speed Sensor (VSS) - European Emissions
Fuel Controls - Fuel Pump Controls and Fuel Injectors