GM Service Manual Online
For 1990-2009 cars only
Makes
🢒
Chevrolet
🢒
2005
🢒
Epica
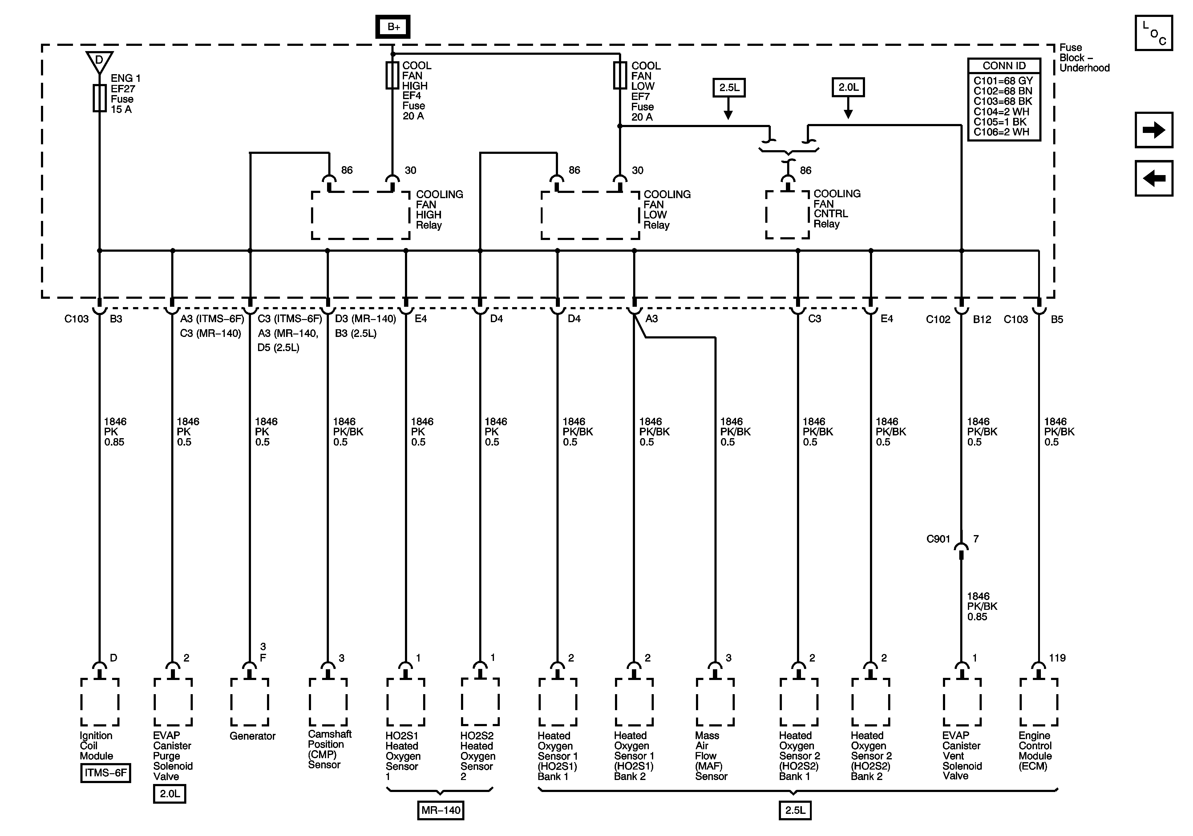
🢒 Underhood Fuse Block - ENG1, COOL FAN HIGH, and COOL FAN LOW Fuses
Underhood Fuse Block - ENG1, COOL FAN HIGH, and COOL FAN LOW Fuses
Underhood Fuse Block - ENG1, COOL FAN HIGH, and COOL FAN LOW Fuses
Master Electrical Component List
Underhood Fuse Block - A/C and IP Fuse BATT, I/P Fuse Block - RADIO CRUISE, AUTO HVAC CLSTR, and DLC Fuses
Underhood Fuse Block - Fuel Pump Relay, FUEL and ECM Fuses
Underhood Fuse Block (2.5L) - ENG MAIN Relay and ENG2 Fuse