GM Service Manual Online
For 1990-2009 cars only
Makes
🢒
Chevrolet
🢒
2005
🢒
Epica
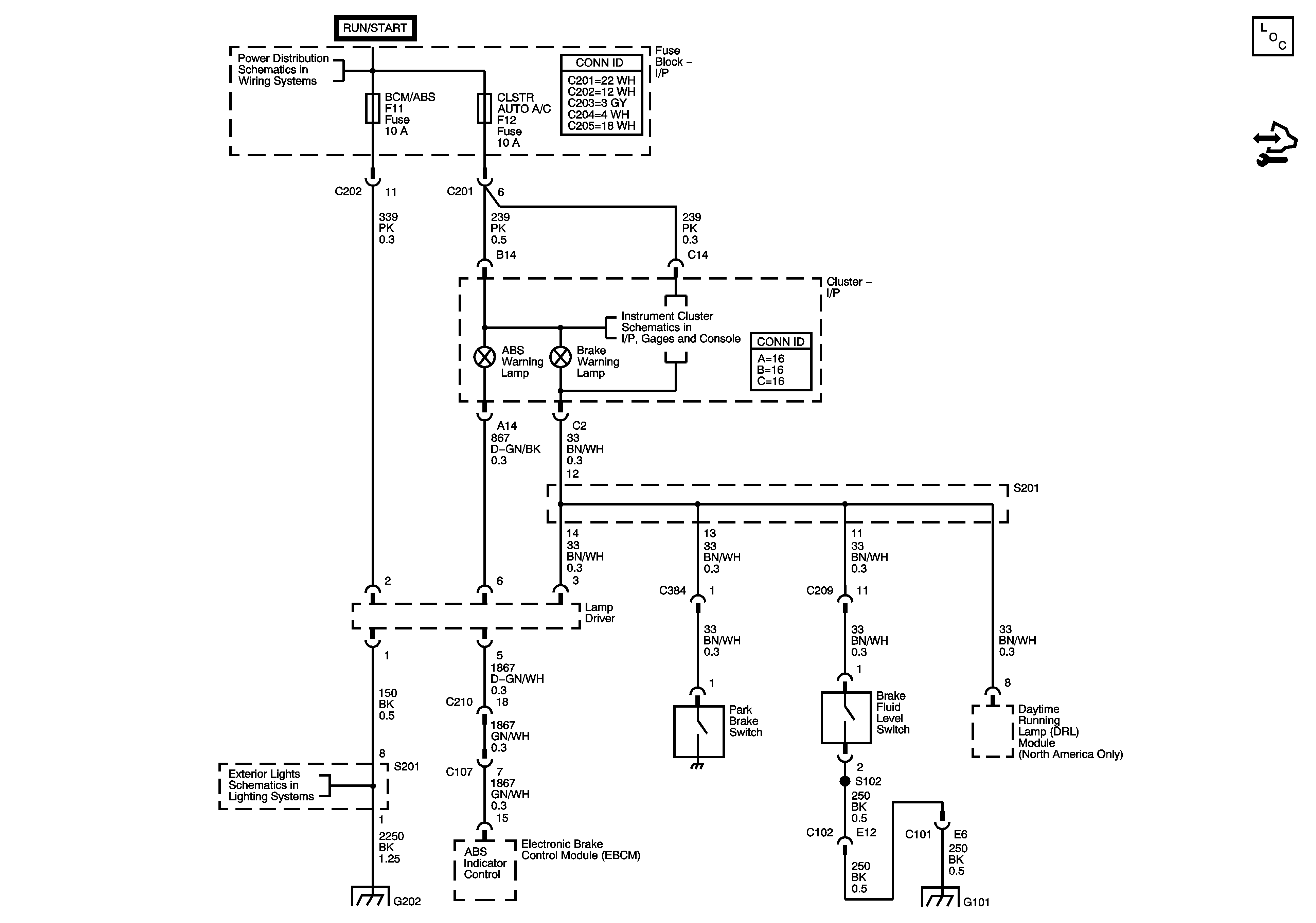
🢒 Brake Warning System Schematics
Brake Warning System Schematics
Master Electrical Component List
WPR, TCM BTSI, BCM ABS, CLSTR AUTO A/C, WSWA Fuses
Park Lamps - North America
G202, SP201
G101