GM Service Manual Online
For 1990-2009 cars only

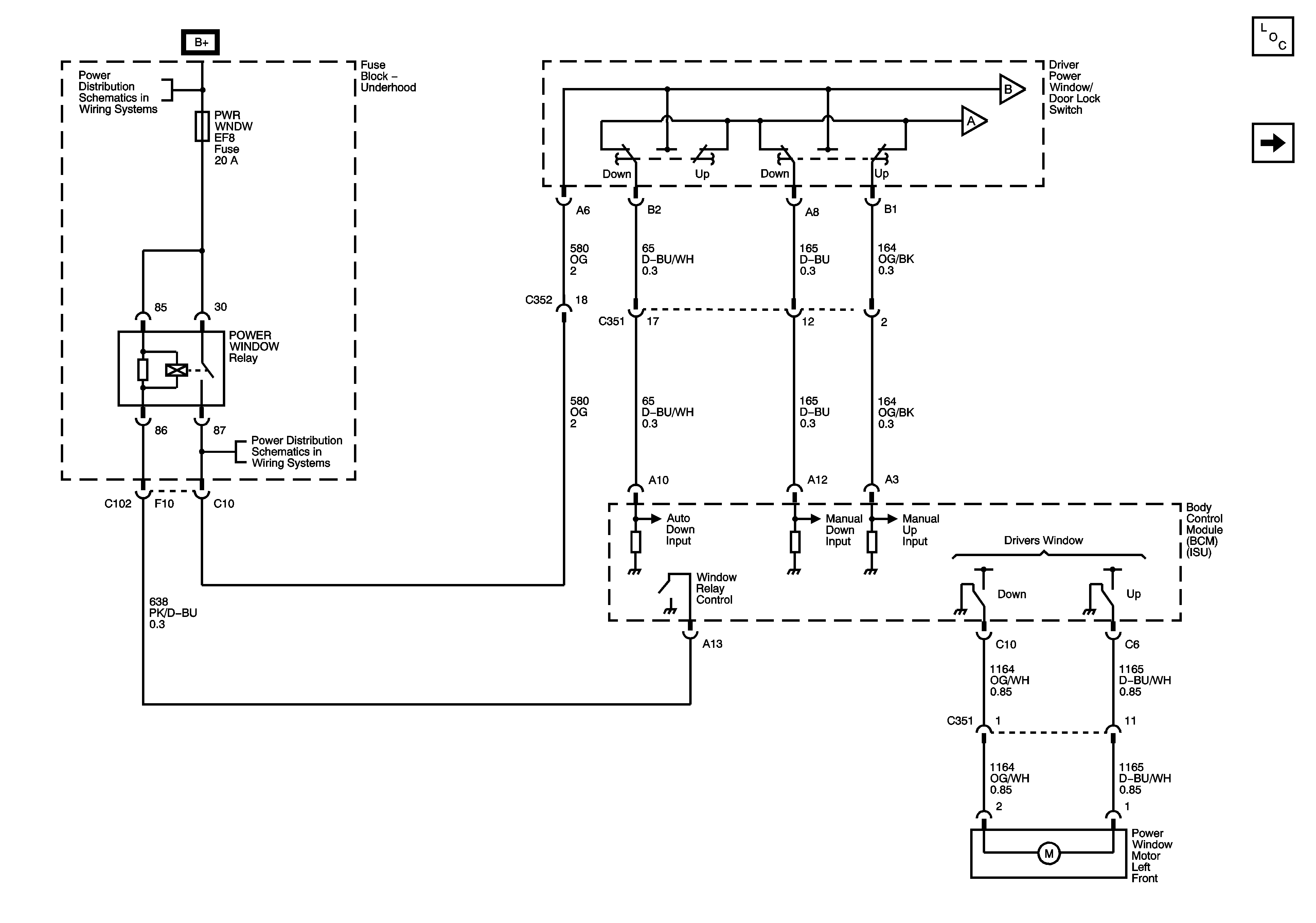
Power Window Schematics (1 of 2)

Power Window Schematics (1 of 2)


Object Number: 1257288  Size: FS
Master Electrical Component List
Power Window Schematics (2 of 2)
FOG LAMPS, PWR WNDW, PWR MIR, HORN Fuses
FOG LAMPS, PWR WNDW, PWR MIR, HORN Fuses