GM Service Manual Online
For 1990-2009 cars only
Makes
🢒
Chevrolet
🢒
2005
🢒
Epica
🢒 Audible Warnings Schematics
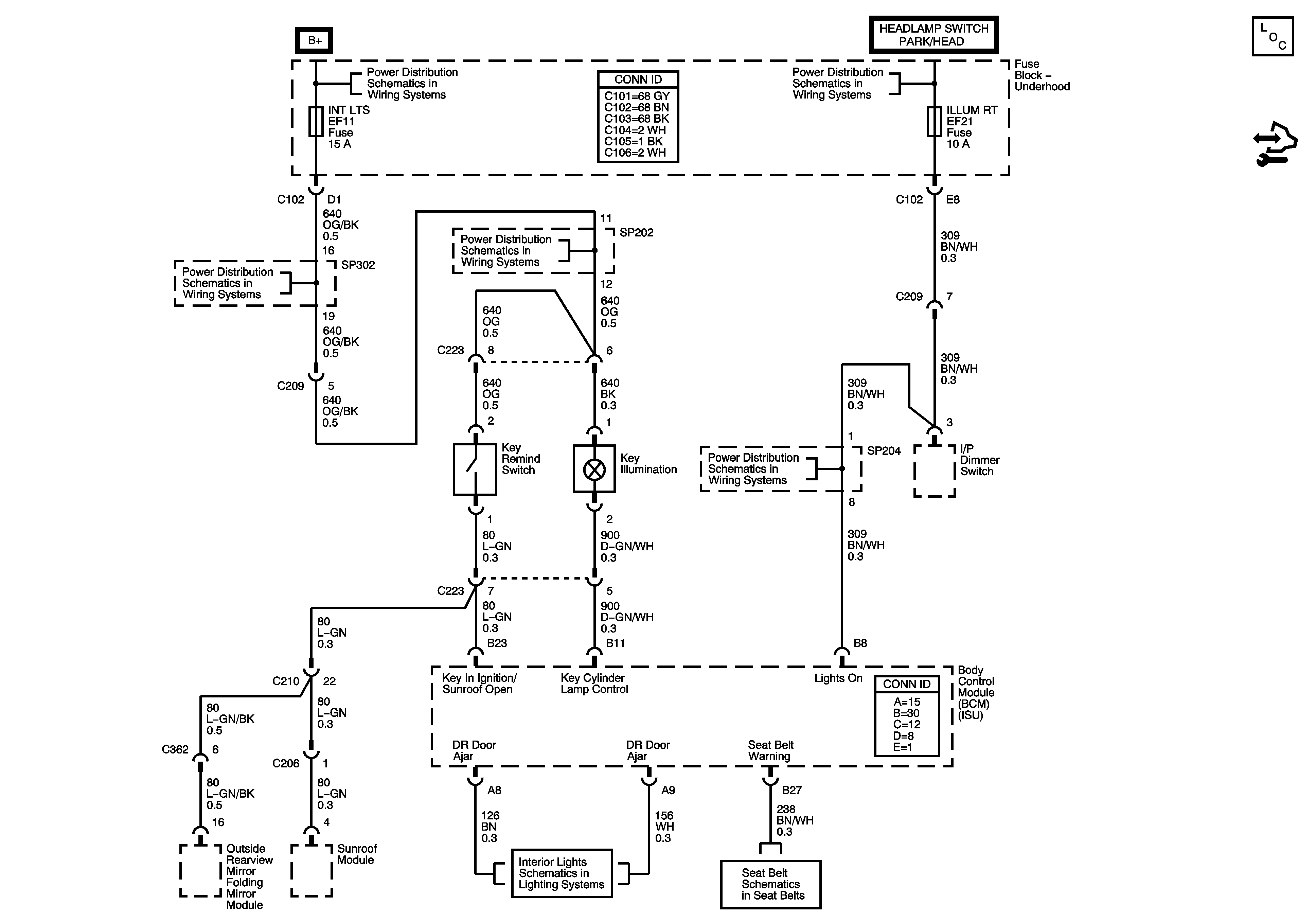
Audible Warnings Schematics
Master Electrical Component List
INT LTS, FRT DEFOG Fuses
A/C, IP BATT Fuses, I/P Fuse Block, RADIO, CRUISE, AUTO A/C CLSTR, DLC Fuses
INT LTS, FRT DEFOG Fuses
INT LTS, FRT DEFOG Fuses
A/C, IP BATT Fuses, I/P Fuse Block, RADIO, CRUISE, AUTO A/C CLSTR, DLC Fuses
Door Courtesy Lamps and Door Jamb switches
Seat Belt Schematics