GM Service Manual Online
For 1990-2009 cars only
Makes
🢒
Chevrolet
🢒
2005
🢒
Epica
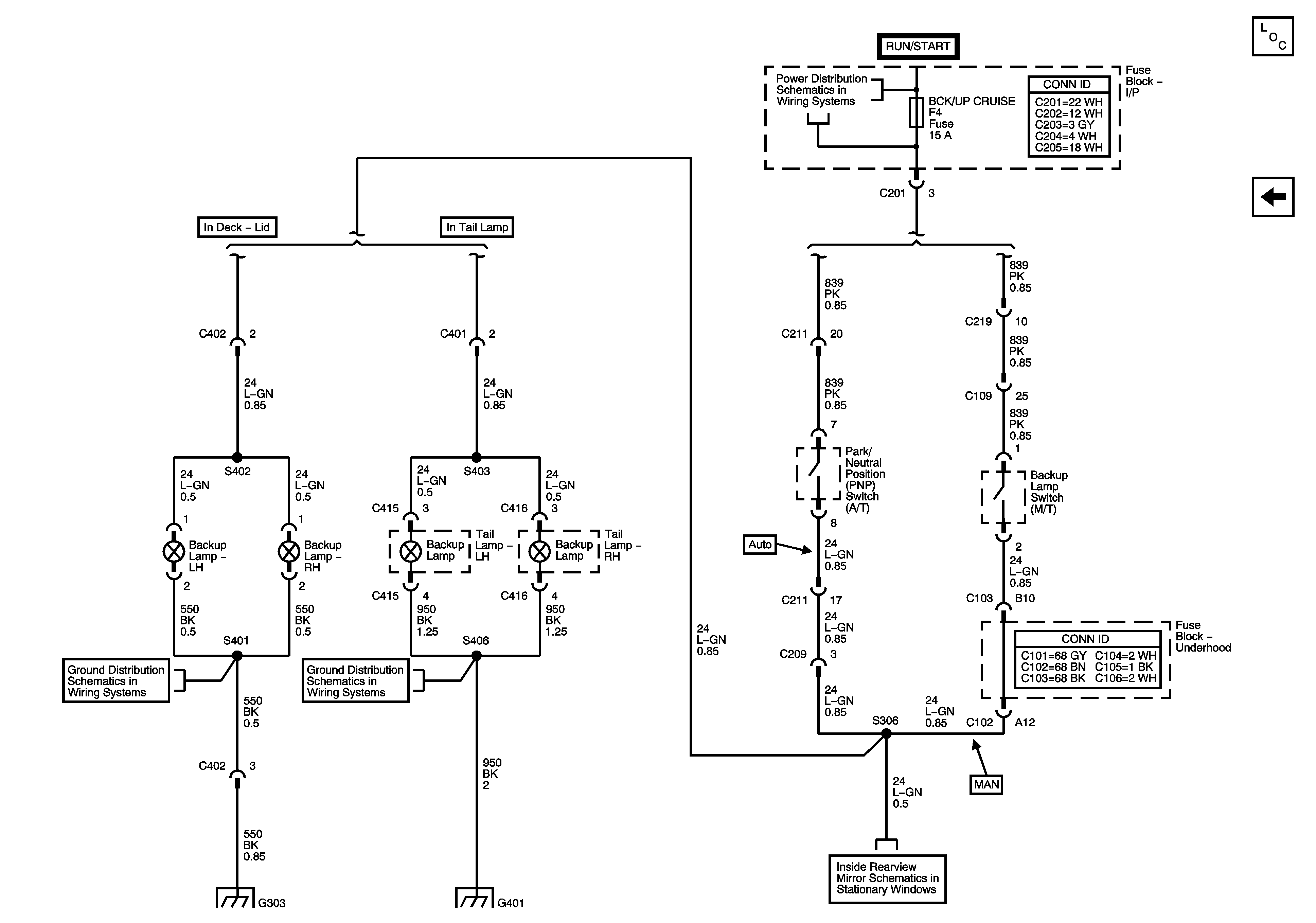
🢒 Backup Lamps
Backup Lamps
Backup Lamps
Master Electrical Component List
Stop Lamps
IGN 1, Fuse, Ignition Switch, I/P Fuse Block, - LTR, HTD SEAT, CLK, RADIO, AIR BAG, BCK/UP, CRUISE, ECM Fuses
G303
G401, S406, S902
G303
G401, S406, S902
Inside Rearview Mirror Schematics