GM Service Manual Online
For 1990-2009 cars only
Makes
🢒
Chevrolet
🢒
2005
🢒
Epica
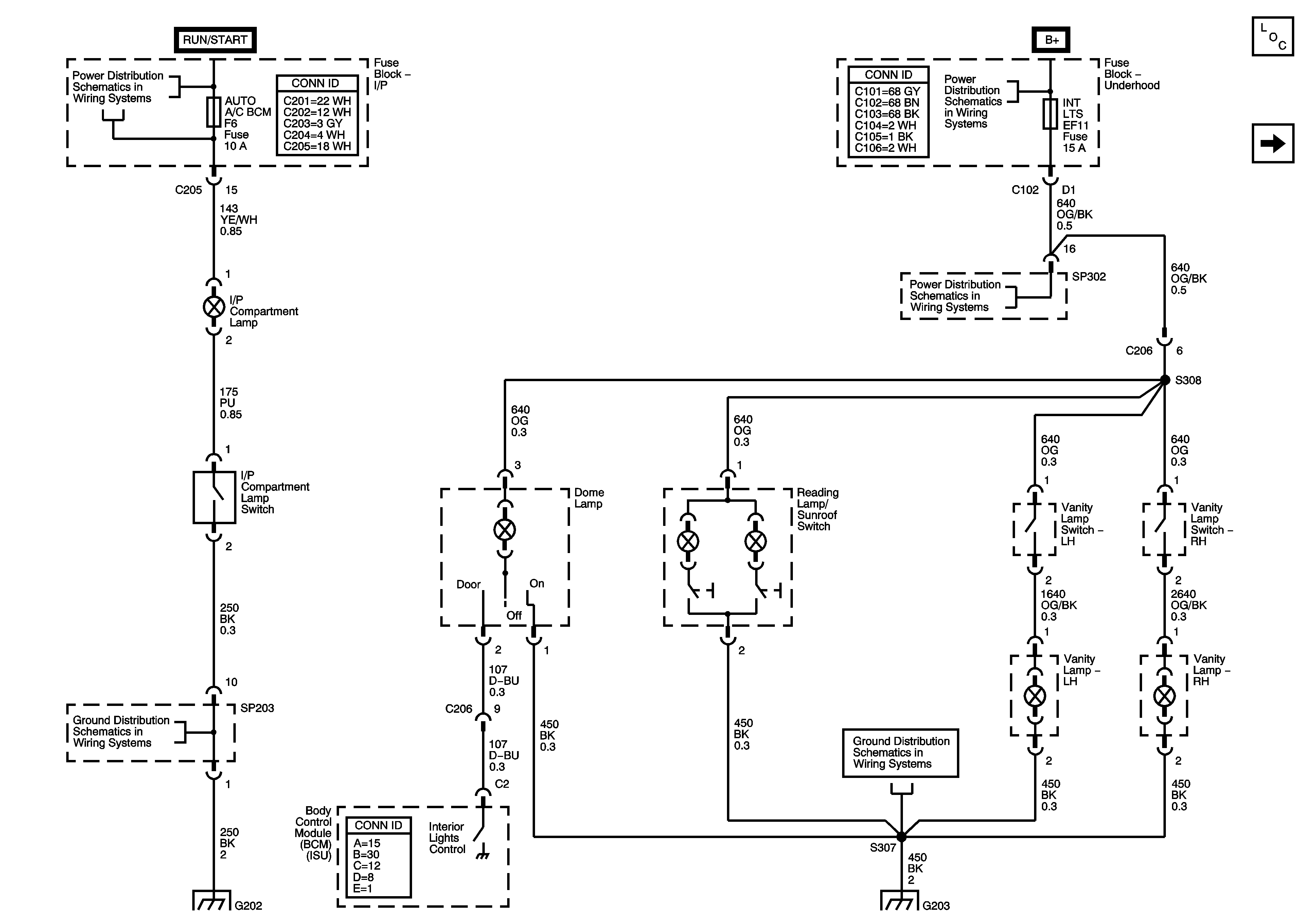
🢒 I/P Compartment, Roof Courtesy Lamps
I/P Compartment, Roof Courtesy Lamps
I/P Compartment, Roof Courtesy Lamps
Master Electrical Component List
Door Courtesy Lamps and Door Jamb switches
WPR, TCM BTSI, BCM ABS, CLSTR AUTO A/C, WSWA Fuses
INT LTS, FRT DEFOG Fuses
INT LTS, FRT DEFOG Fuses
G201, G202, SP203
G203, S307
G201, G202, SP203
G203, S307