GM Service Manual Online
For 1990-2009 cars only
Makes
🢒
Chevrolet
🢒
2005
🢒
Epica
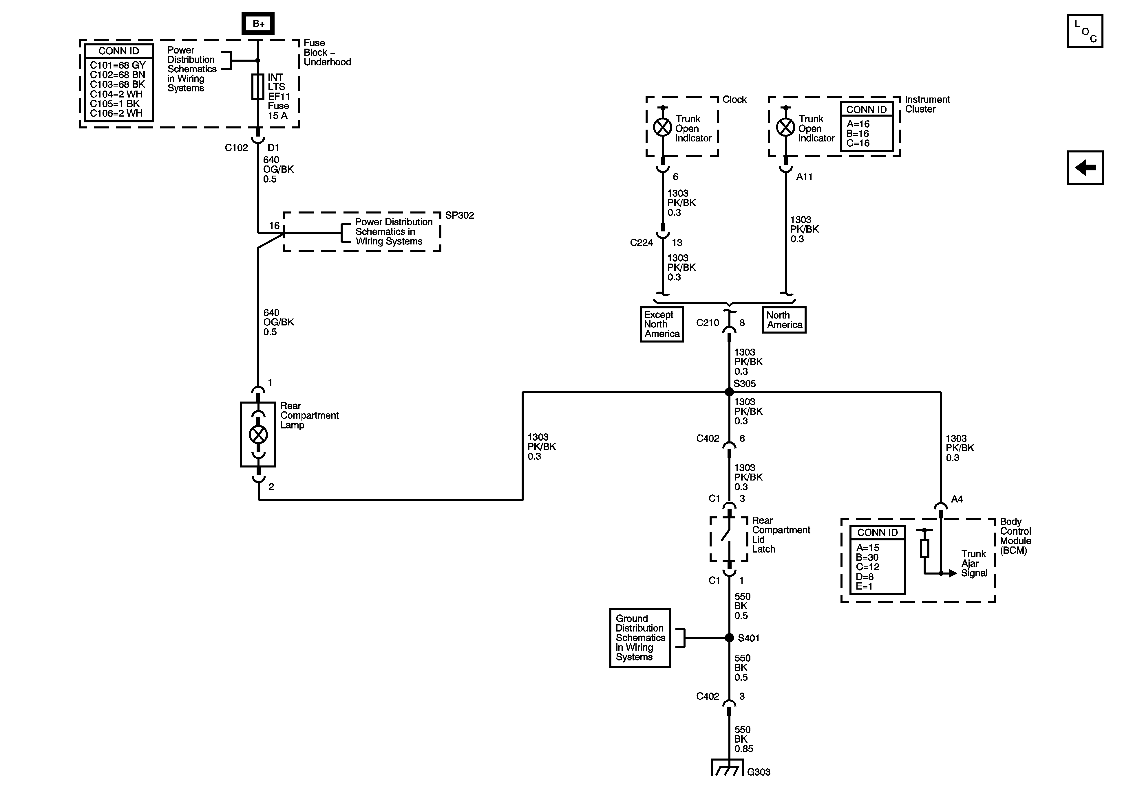
🢒 Rear Compartment Lamp
Rear Compartment Lamp
Rear Compartment Lamp
Master Electrical Component List
Door Courtesy Lamps and Door Jamb switches
INT LTS, FRT DEFOG Fuses
INT LTS, FRT DEFOG Fuses
G303
G303