GM Service Manual Online
For 1990-2009 cars only

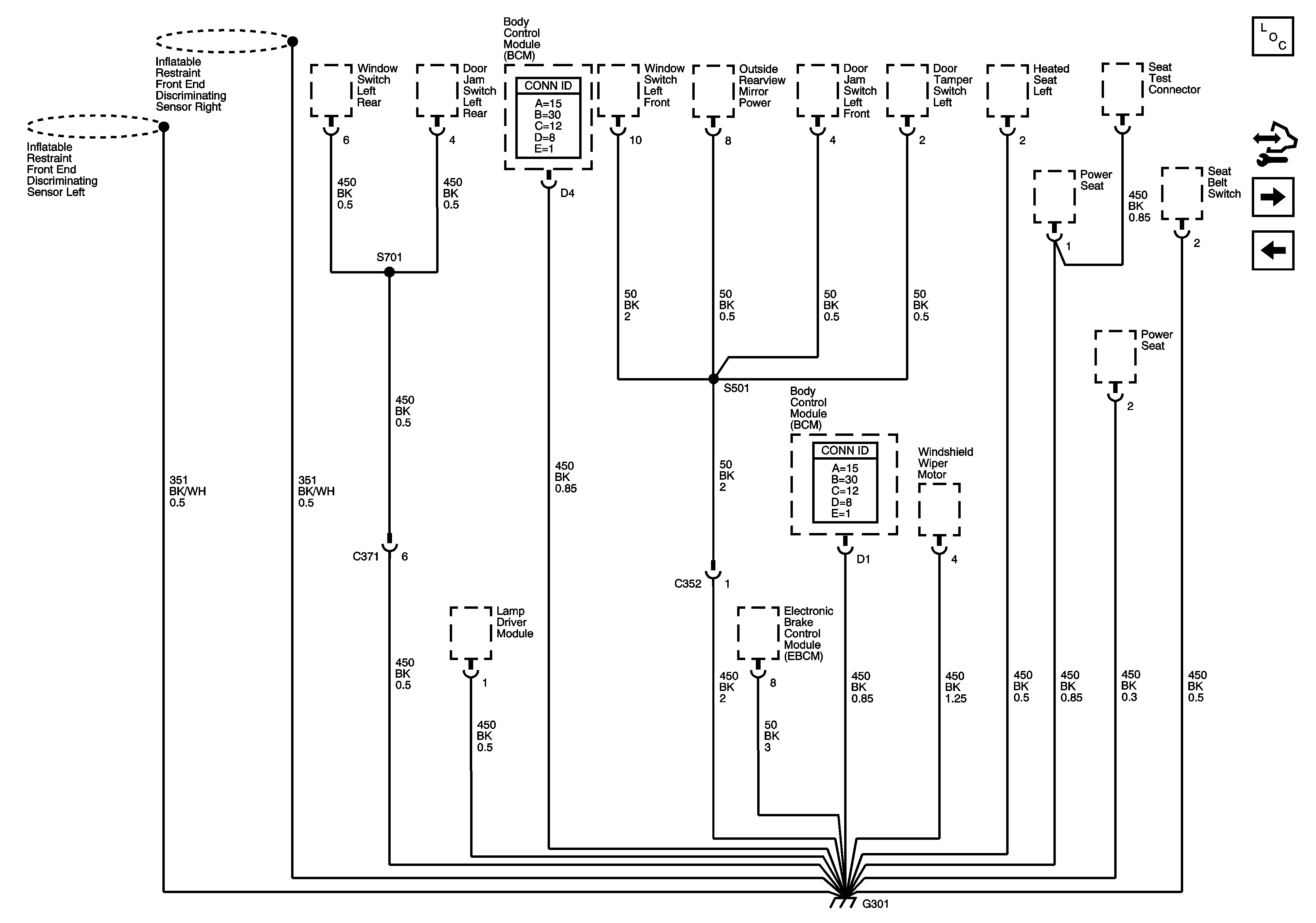
G301

G301


Object Number: 1685684  Size: FS
Master Electrical Component List
G302
G205 (C68), G205 (C60)