GM Service Manual Online
For 1990-2009 cars only
Makes
🢒
Chevrolet
🢒
2006
🢒
Epica
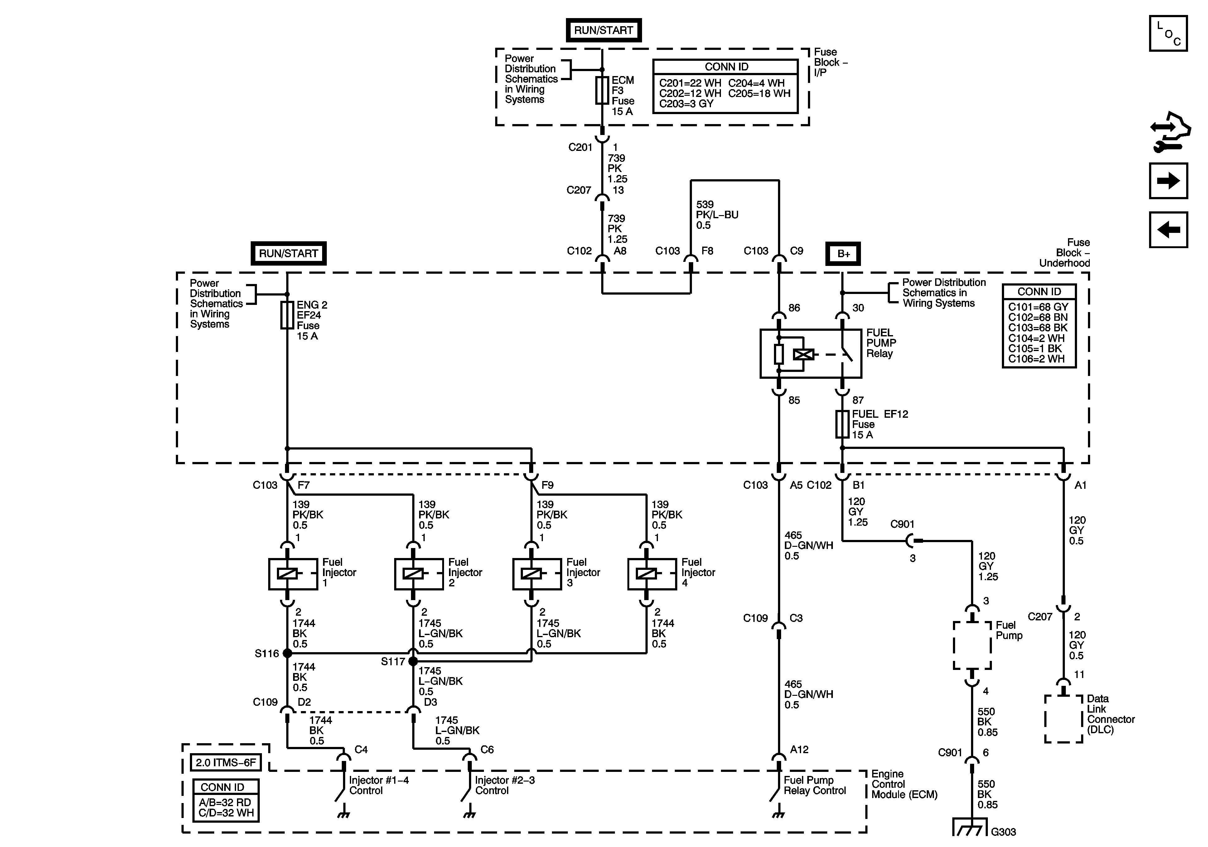
🢒 Fuel Pump and Injectors
Fuel Pump and Injectors
Fuel Pump and Injectors
Master Electrical Component List
EVAP Purge Valve, IAC Valve, Octane Selection Switch
CKP, Knock Sensors
IGN 1, Fuse, Ignition Switch, I/P Fuse Block, - LTR, HTD SEAT, CLK, RADIO, AIR BAG, BCK/UP, CRUISE, ECM Fuses
ENG MAIN Relay, ECM, ENG 2 Fuses (2.0L)
Fuse Block - Underhood Bussing (1 of 2)
G303