GM Service Manual Online
For 1990-2009 cars only
Makes
🢒
Chevrolet
🢒
2006
🢒
Epica
🢒 Headlight Leveling Schematics
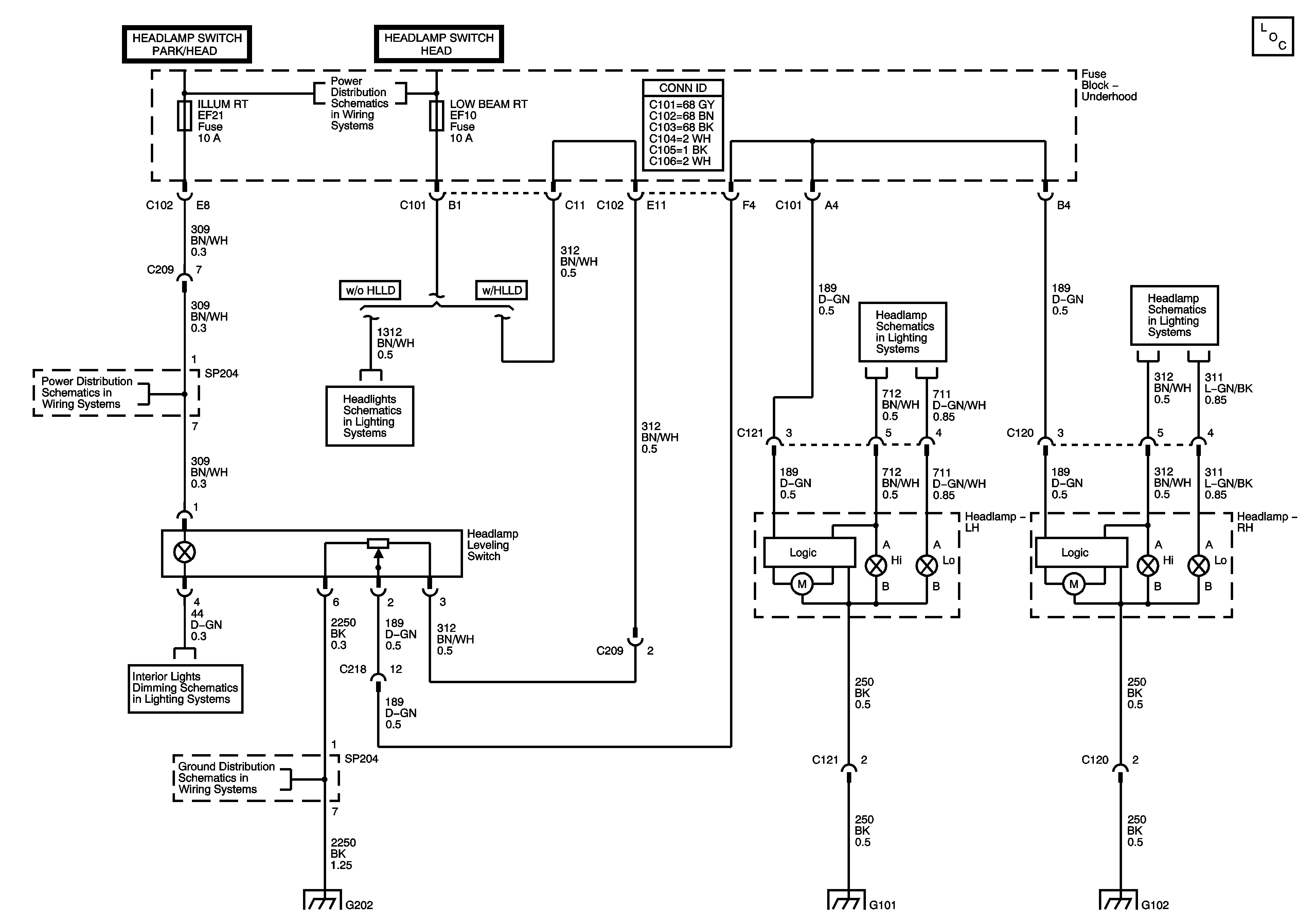
Headlight Leveling Schematics
Master Electrical Component List
ILLUM RT Fuse, SP 204
ILLUM RT Fuse, SP 204
Headlights Schematics
Headlights Schematics
Headlights Schematics
Interior Lights Dimming Schematics
G201, G202, SP203
G201, G202, SP203
G101
G102