GM Service Manual Online
For 1990-2009 cars only
Makes
🢒
Chevrolet
🢒
2006
🢒
Epica
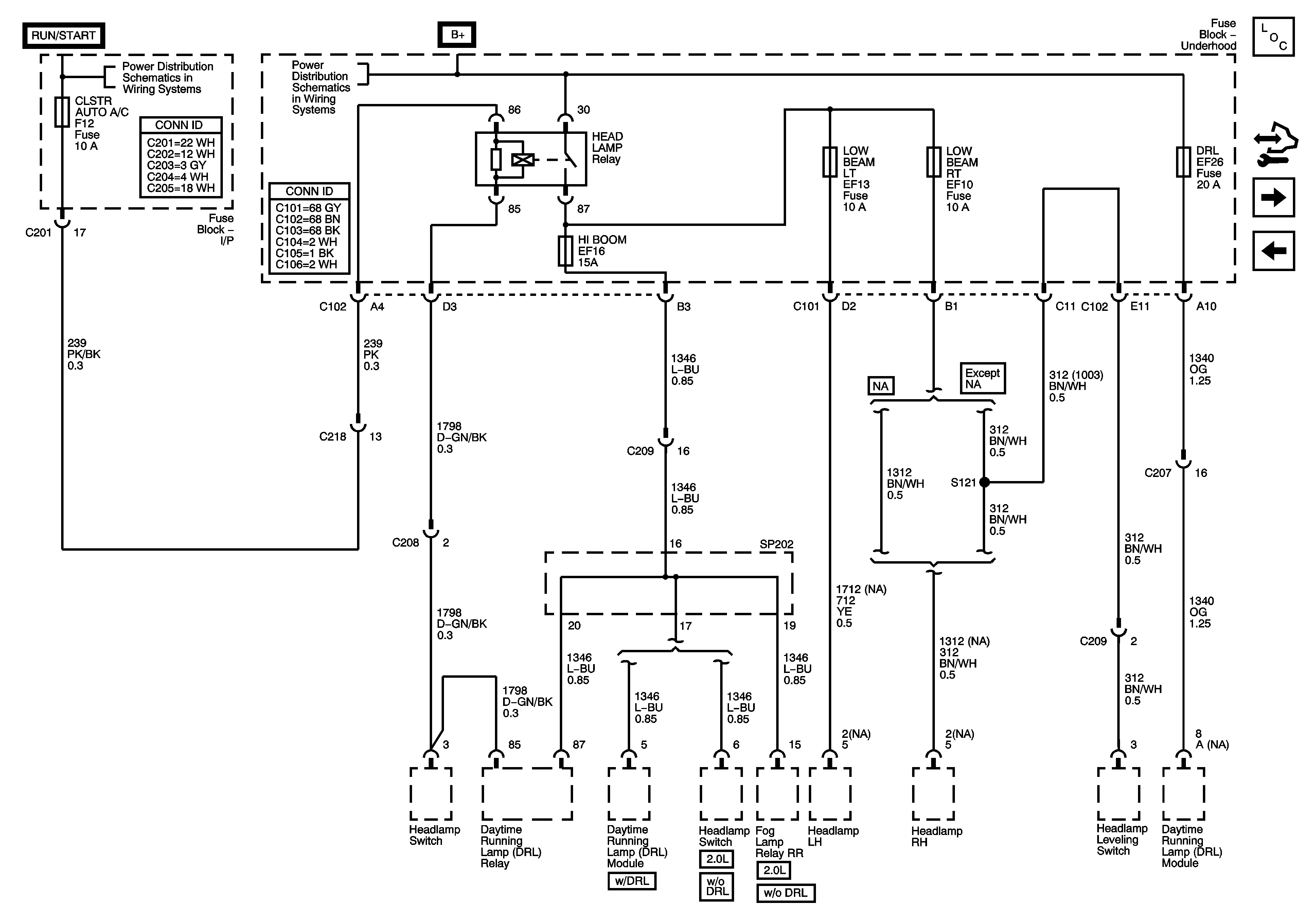
🢒 HEADLAMP Relay, LOW BEAM LT, LOW BEAM RT, DRL, CLSTR AUTO A/C Fuses
HEADLAMP Relay, LOW BEAM LT, LOW BEAM RT, DRL, CLSTR AUTO A/C Fuses
HEADLAMP Relay, LOW BEAM LT, LOW BEAM RT, DRL, CLSTR AUTO A/C Fuses
Master Electrical Component List
FOG LAMPS, PWR WNDW, PWR MIR, HORN Fuses
STOP LAMPS, HI BEAM PASSING, ECM Fuses
WPR, TCM BTSI, BCM ABS, CLSTR AUTO A/C, WSWA Fuses
Fuse Block - Underhood Bussing (1 of 2)