GM Service Manual Online
For 1990-2009 cars only
Makes
🢒
Chevrolet
🢒
2007
🢒
Epica
🢒
Body Systems
🢒
Lighting
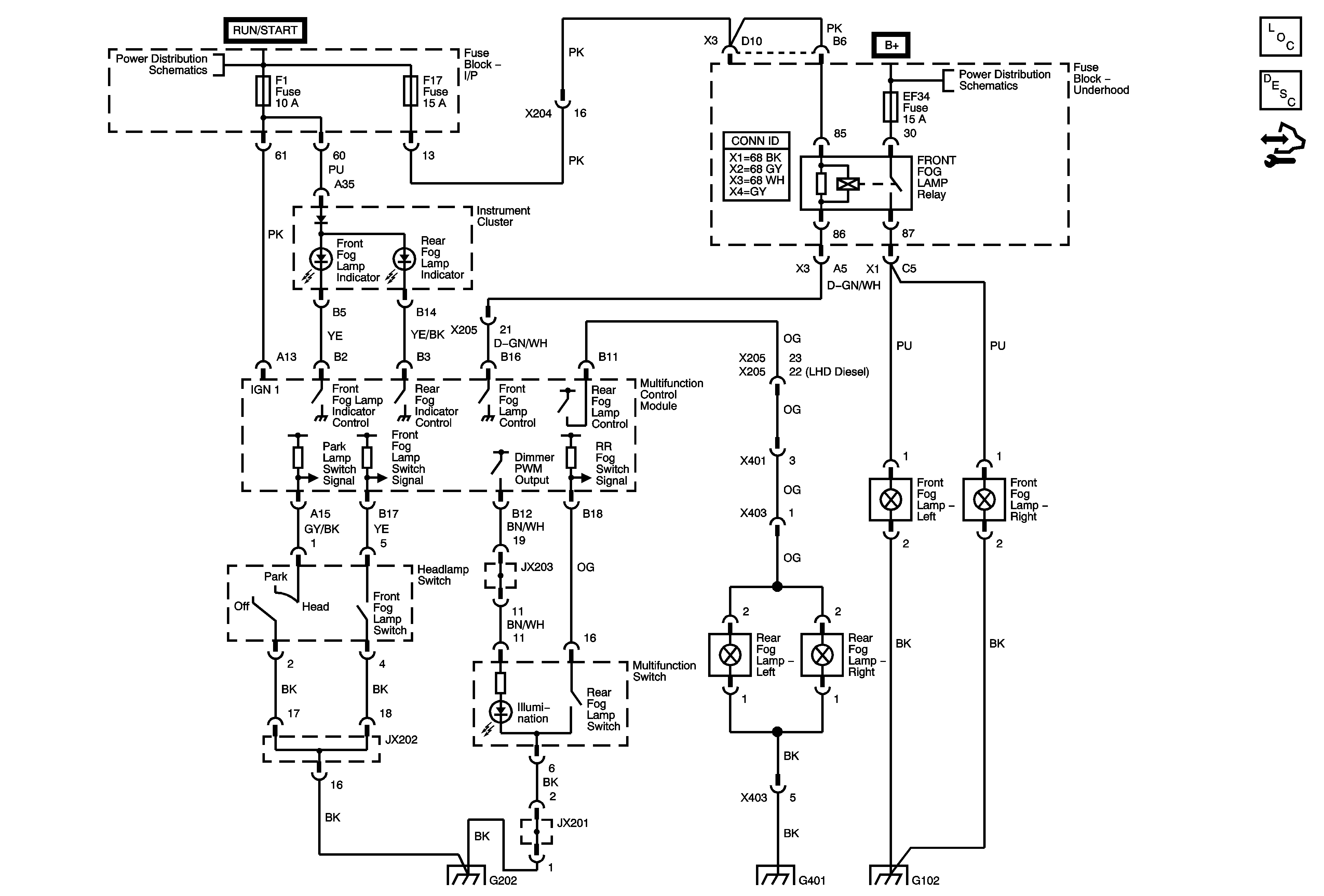
🢒 Fog Lights Schematics
Master Electrical Component List
Exterior Lighting Systems Description and Operation
Control Module References
Alternator, EF1, EF3, EF5, EF18, EF19, EF27, EF30, EF33 Fuses
Alternator, EF1, EF3, EF5, EF18, EF19, EF27, EF30, EF33 Fuses
G202 (1 of 2)
G401
G102