GM Service Manual Online
For 1990-2009 cars only

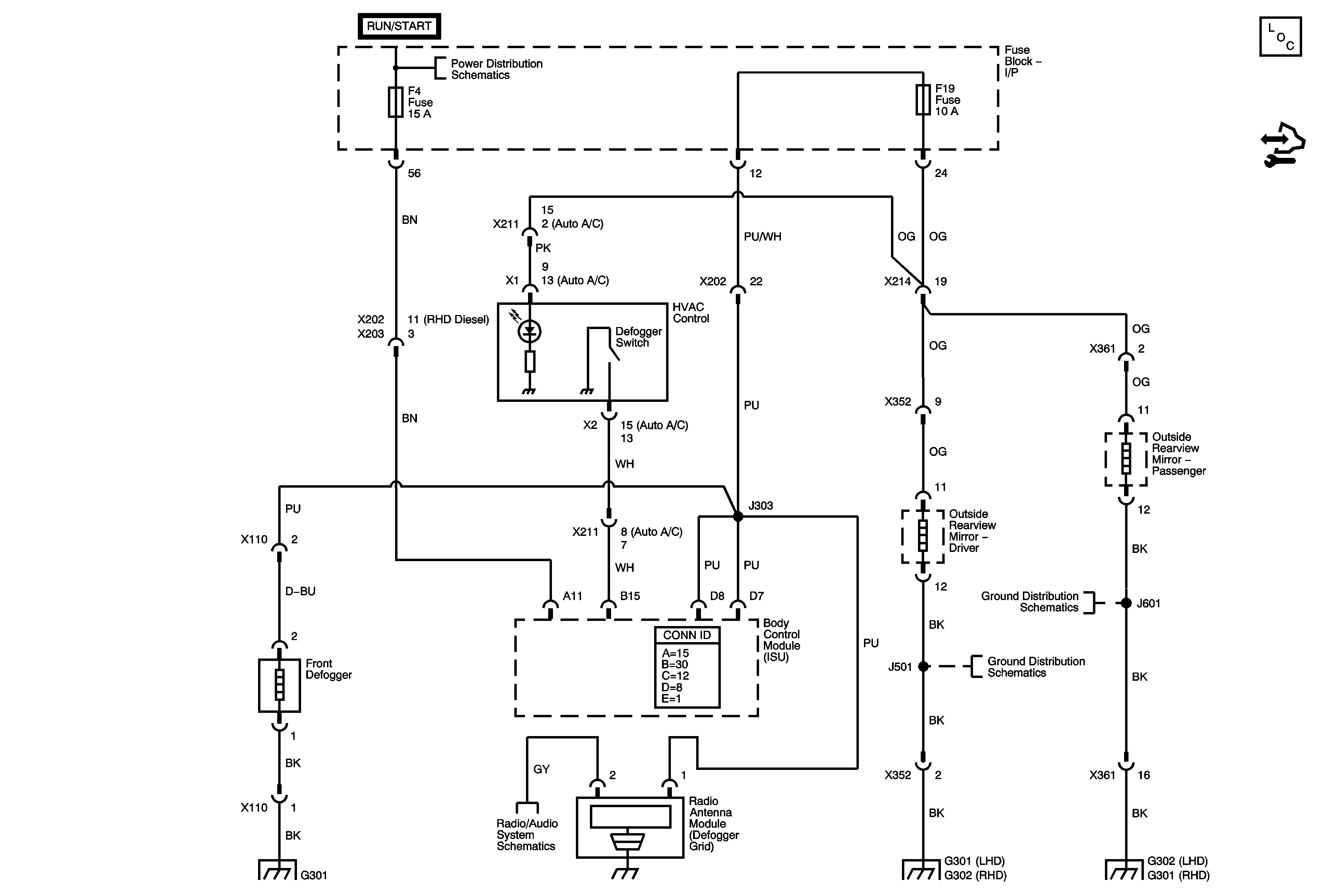
Object Number: 1860545  Size: FS
Master Electrical Component List
Control Module References
Alternator, EF1, EF3, EF5, EF18, EF19, EF27, EF30, EF33 Fuses
G101, G106, G107
G101, G106, G107
G301
G301
G302
G302
G301