GM Service Manual Online
For 1990-2009 cars only
Makes
🢒
Chevrolet
🢒
2007
🢒
Epica
🢒
Roof
🢒
Sunroof
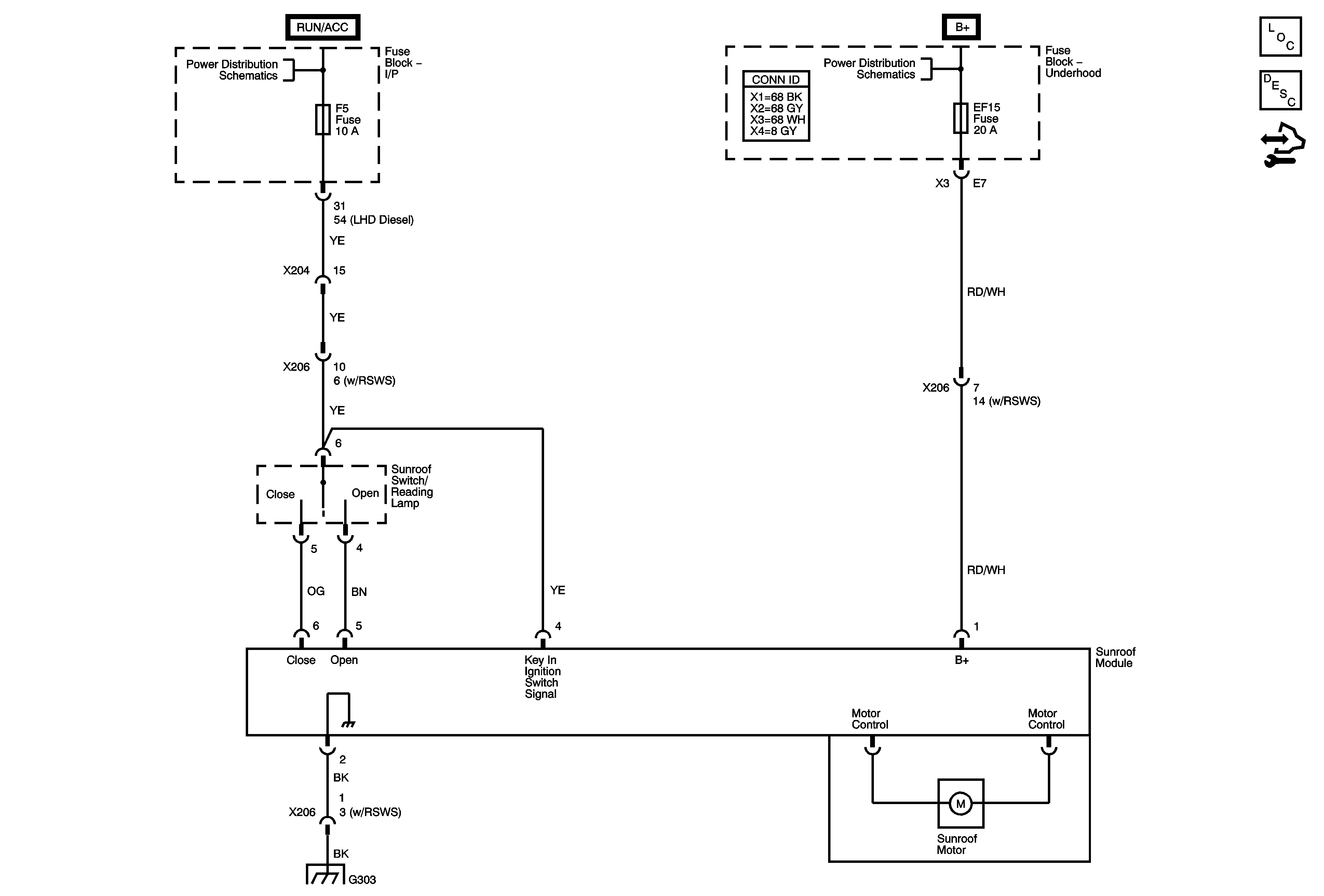
🢒 Sunroof Schematics
Master Electrical Component List
Sunroof Description and Operation
Control Module References
Alternator, EF1, EF3, EF5, EF18, EF19, EF27, EF30, EF33 Fuses
Alternator, EF1, EF3, EF5, EF18, EF19, EF27, EF30, EF33 Fuses
G303