GM Service Manual Online
For 1990-2009 cars only

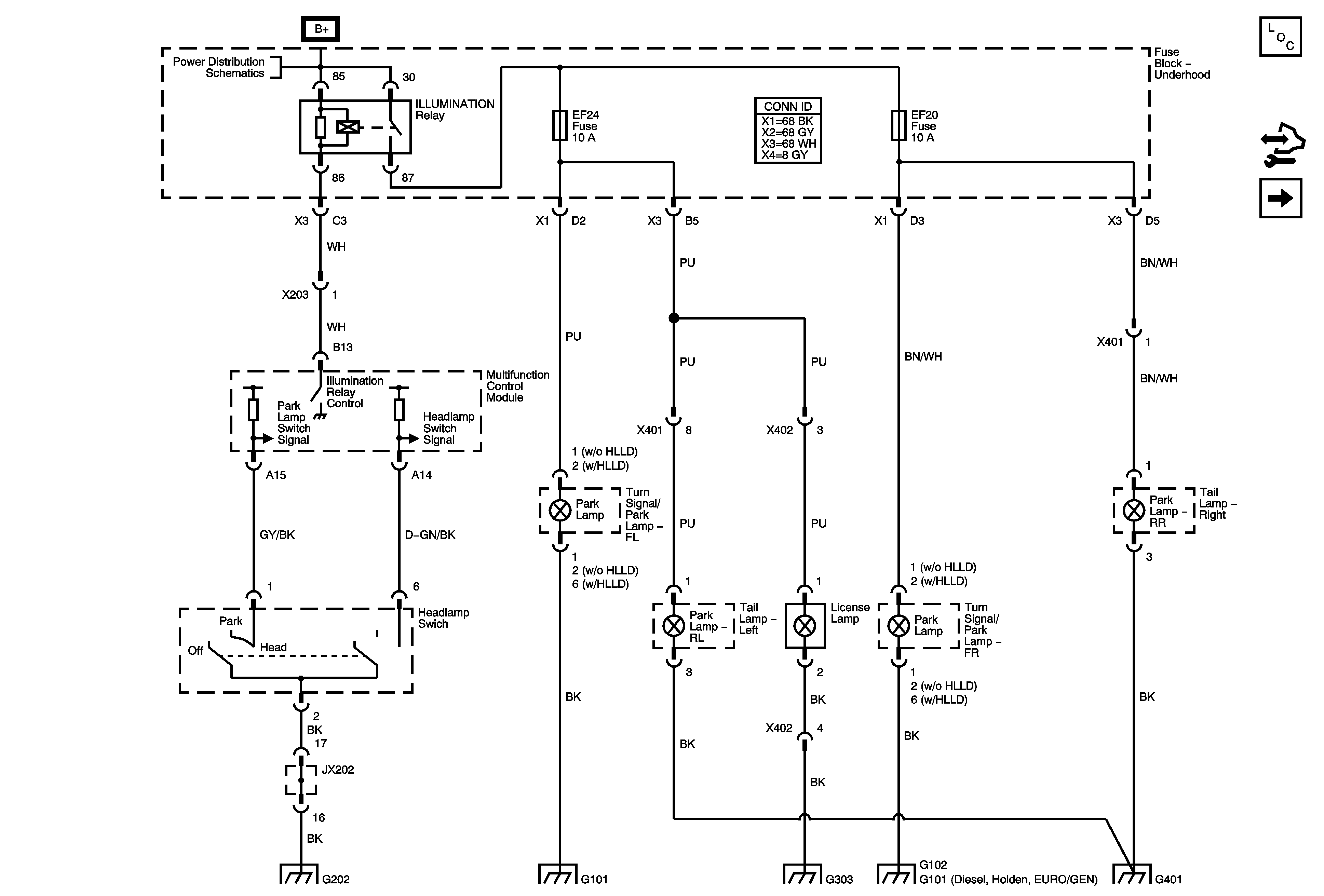
Park Lamps

Park Lamps


Object Number: 1861369  Size: FS
Master Electrical Component List
Control Module References
Turn and Hazard Lamps
Alternator, EF1, EF3, EF5, EF18, EF19, EF27, EF30, EF33 Fuses
G202 (1 of 2)
G101, G106, G107
G303
G102
G101, G106, G107
G401