GM Service Manual Online
For 1990-2009 cars only
Makes
🢒
Chevrolet
🢒
2007
🢒
Epica
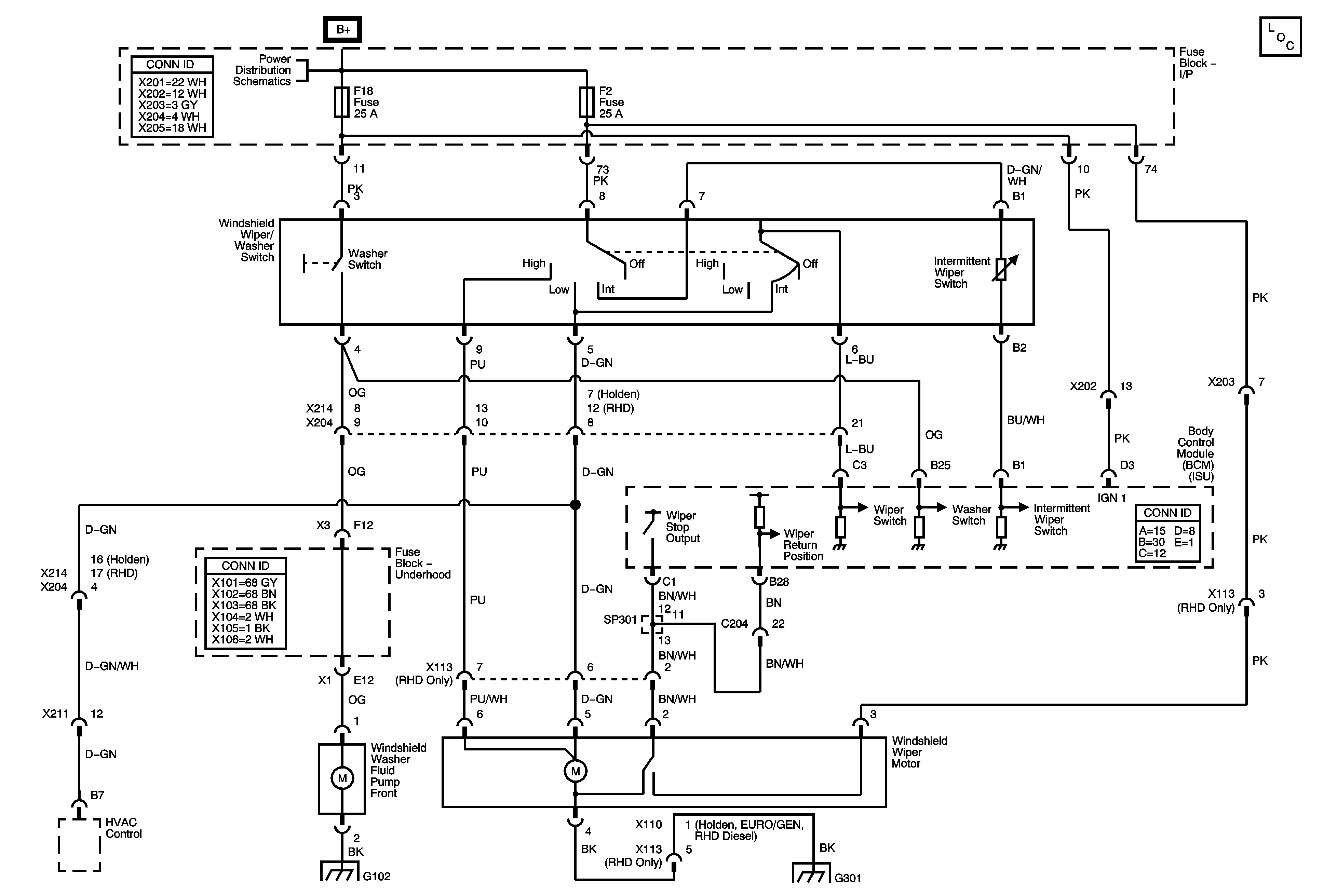
🢒 Wiper/Washer System Schematics
Wiper/Washer System Schematics
Master Electrical Component List
Alternator, EF1, EF3, EF5, EF18, EF19, EF27, EF30, EF33 Fuses
G102
G301