GM Service Manual Online
For 1990-2009 cars only
Makes
🢒
Chevrolet
🢒
2007
🢒
Epica
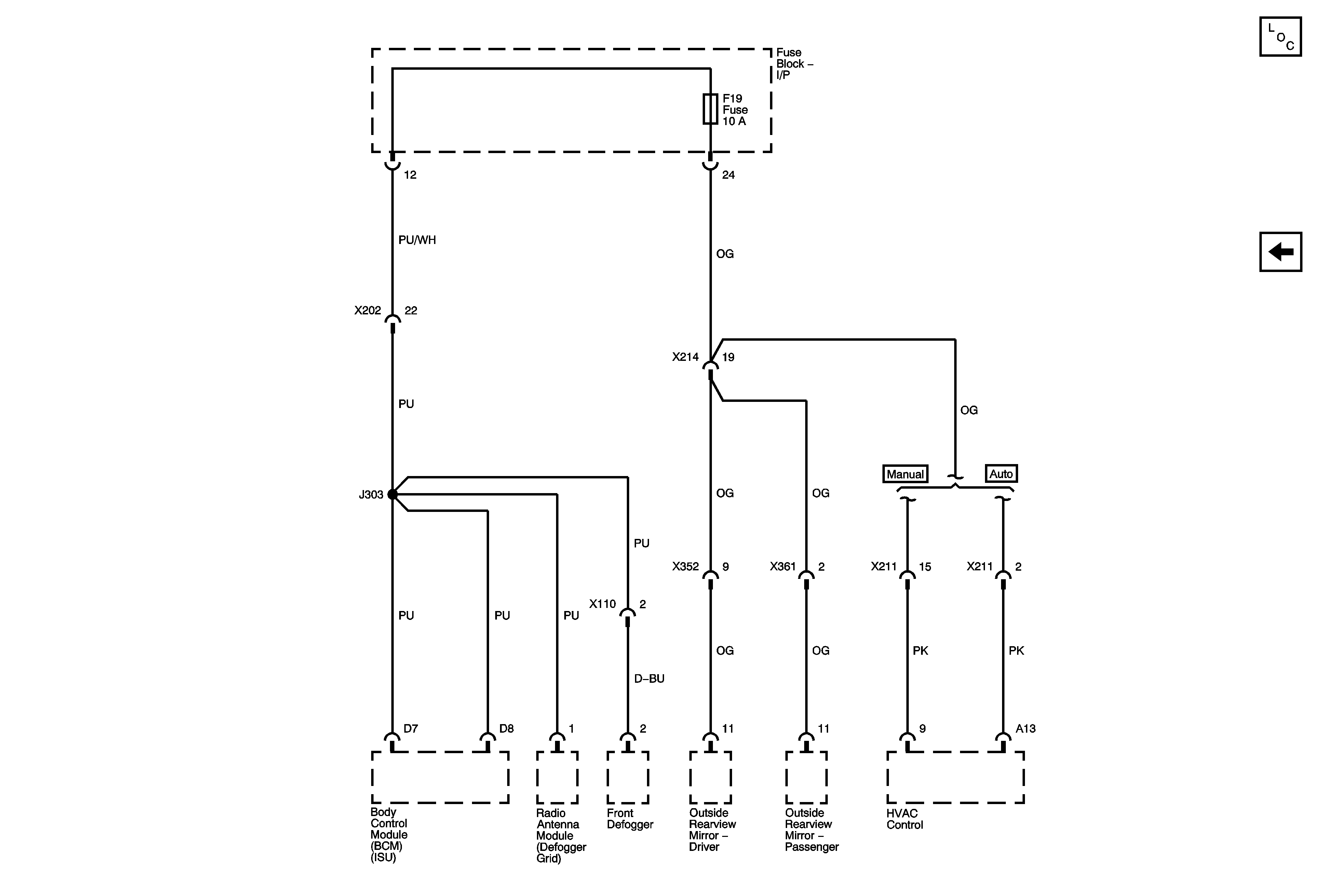
🢒 F19 Fuse
F19 Fuse
F19 Fuse
Master Electrical Component List
F5, F6, F7, F14 Fuses