GM Service Manual Online
For 1990-2009 cars only
Makes
🢒
Chevrolet
🢒
2007
🢒
Epica
🢒 Release Systems Schematics
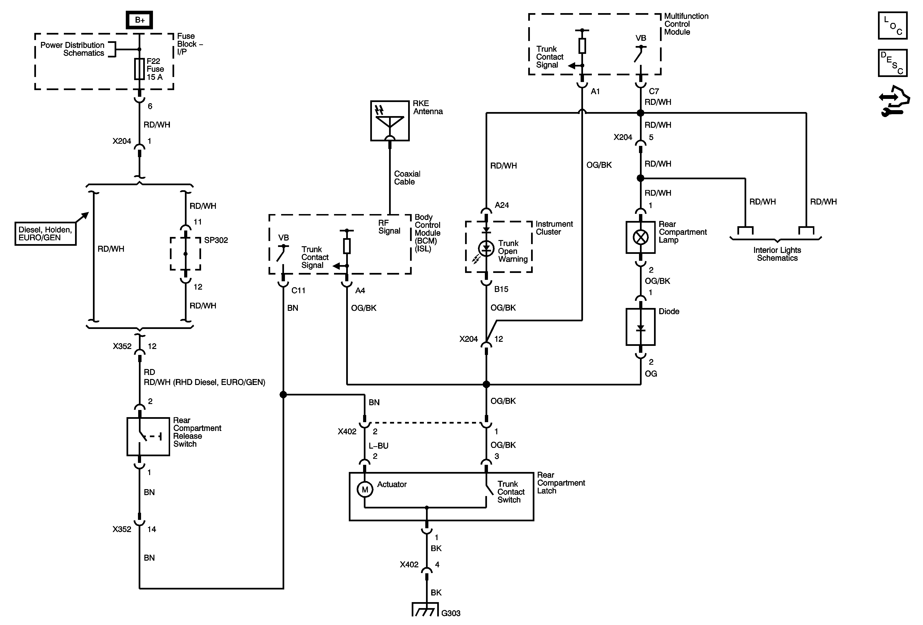
Release Systems Schematics
Master Electrical Component List
Power Door Locks Description and Operation
Control Module References
Alternator, EF1, EF3, EF5, EF18, EF19, EF27, EF30, EF33 Fuses
Courtesy Lamps
G303