GM Service Manual Online
For 1990-2009 cars only
Makes
🢒
Chevrolet
🢒
2007
🢒
Epica
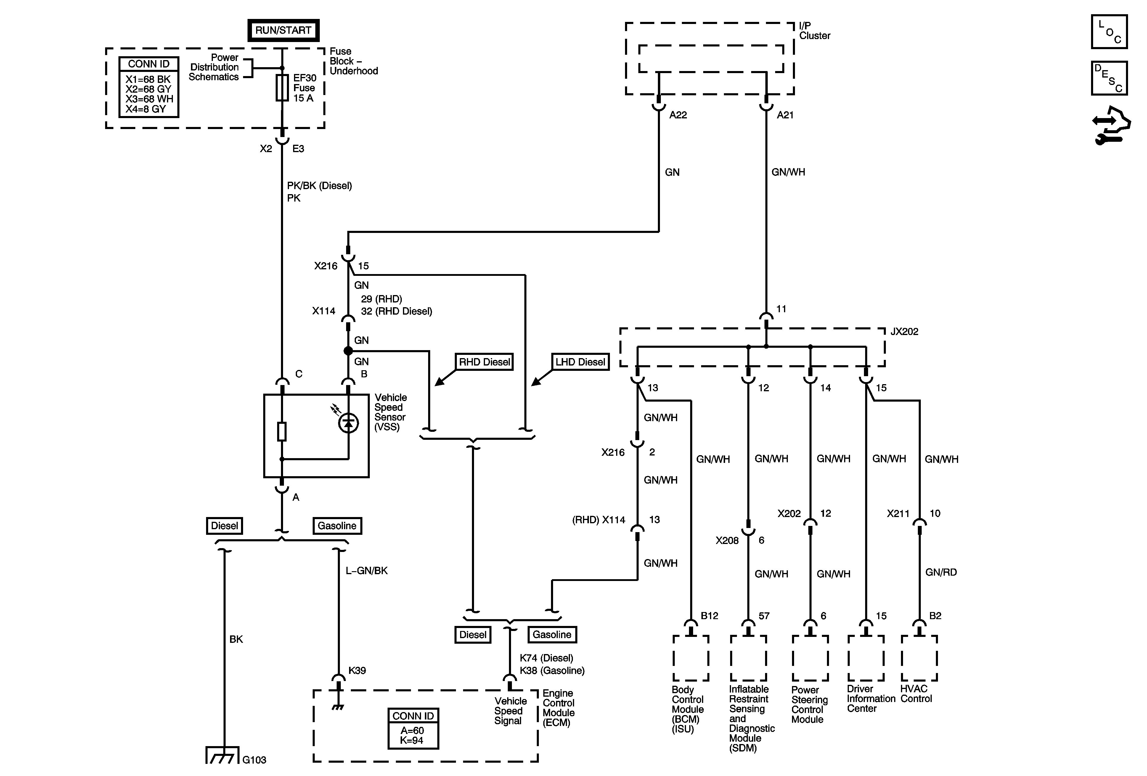
🢒 Manual Transmission Schematics - 2.0L MR-140
Manual Transmission Schematics - 2.0L MR-140
Master Electrical Component List
Transmission System Description and Operation
Control Module References
Alternator, EF1, EF3, EF5, EF18, EF19, EF27, EF30, EF33 Fuses
G103, G105, G201