GM Service Manual Online
For 1990-2009 cars only
Makes
🢒
Chevrolet
🢒
2007
🢒
Epica
🢒 Auxiliary Underhood Fuse Block - (Diesel)
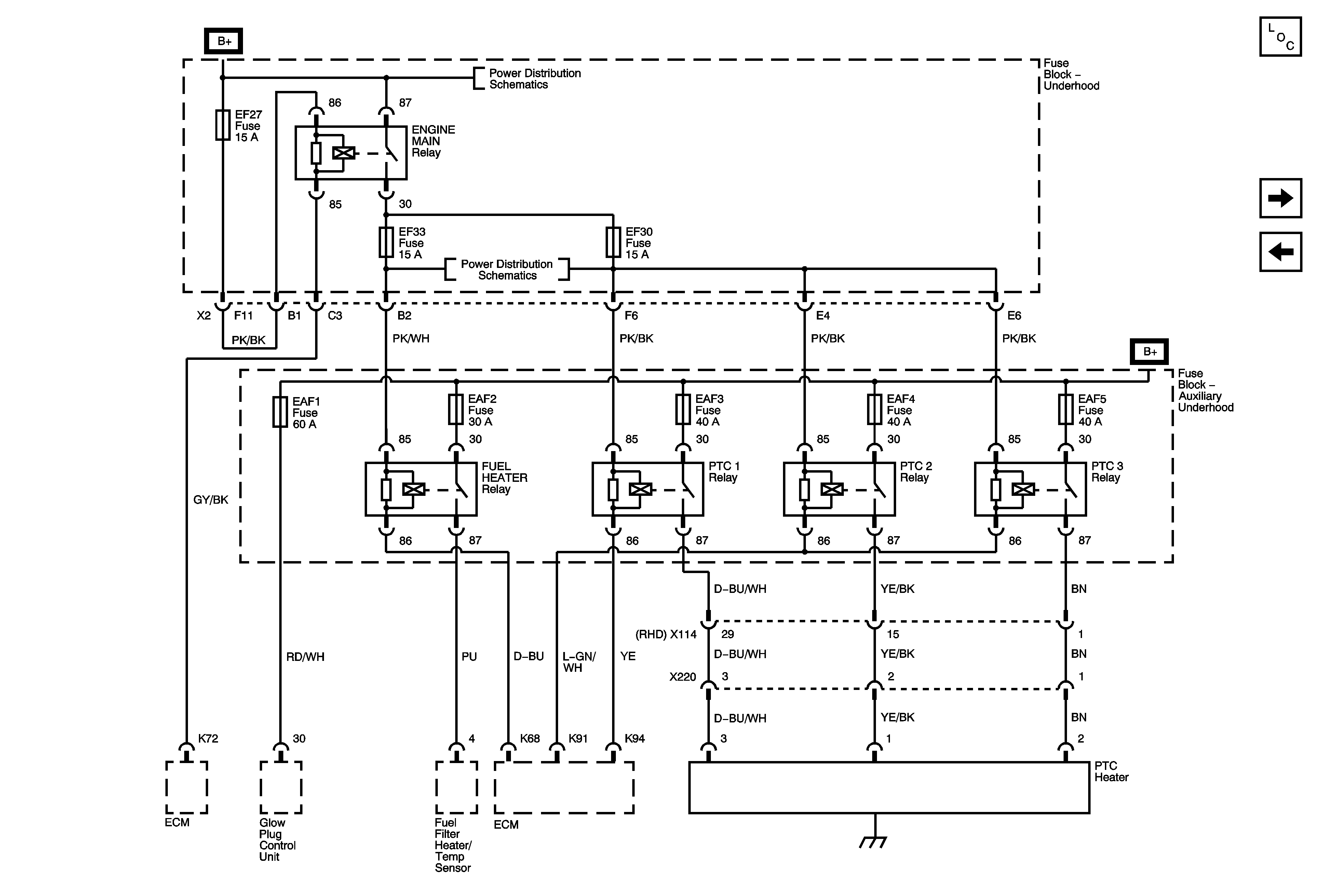
Auxiliary Underhood Fuse Block - (Diesel)
Auxiliary Underhood Fuse Block - Diesel
Master Electrical Component List
EF33 Fuse
Alternator, EF1, EF3, EF5, EF18, EF19, EF27, EF30, EF33 Fuses
Alternator, EF1, EF3, EF5, EF18, EF19, EF27, EF30, EF33 Fuses
Alternator, EF1, EF3, EF5, EF18, EF19, EF27, EF30, EF33 Fuses