GM Service Manual Online
For 1990-2009 cars only
Makes
🢒
Chevrolet
🢒
2008
🢒
Epica
🢒 2.0L Diesel
2.0L Diesel
2.0L Diesel
Master Electrical Component List
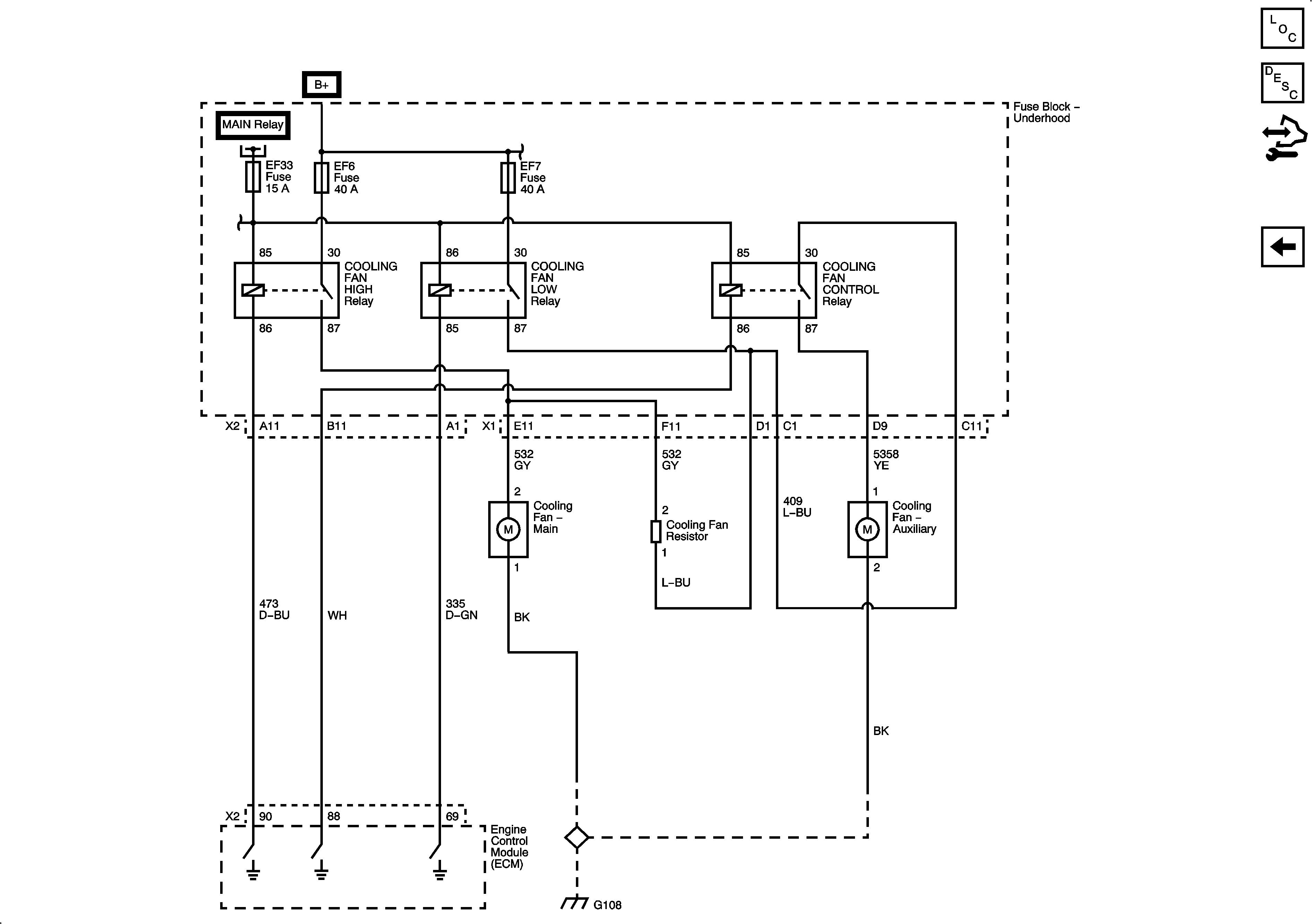
Cooling System Description and Operation Diesel
Control Module References
2.0L/2.5L
Fuse Block - Underhood EF33 Fuse
B+ Bus
B+ Bus
G103, G105, G108 (Diesel), G201