GM Service Manual Online
For 1990-2009 cars only
Makes
🢒
Chevrolet
🢒
2008
🢒
Epica
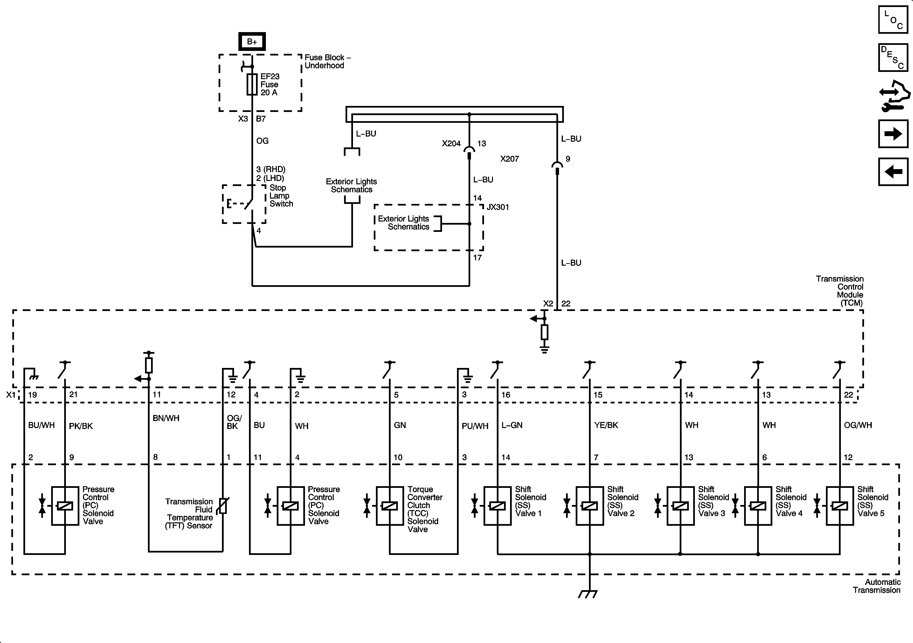
🢒 Solenoids, Stop Lamp, TFT Sensor
Solenoids, Stop Lamp, TFT Sensor
Solenoids, Stop Lamp, TFT Sensor
Master Electrical Component List
Transmission General Description
Control Module References
Speed Sensors
Power, Ground, Serial Data, Hold Mode
B+ Bus
Stop Lamps
Stop Lamps