GM Service Manual Online
For 1990-2009 cars only
Makes
🢒
Chevrolet
🢒
2008
🢒
Epica
🢒 Except Holden w/o CE1
Except Holden w/o CE1
Except Holden w/o CE1
Master Electrical Component List
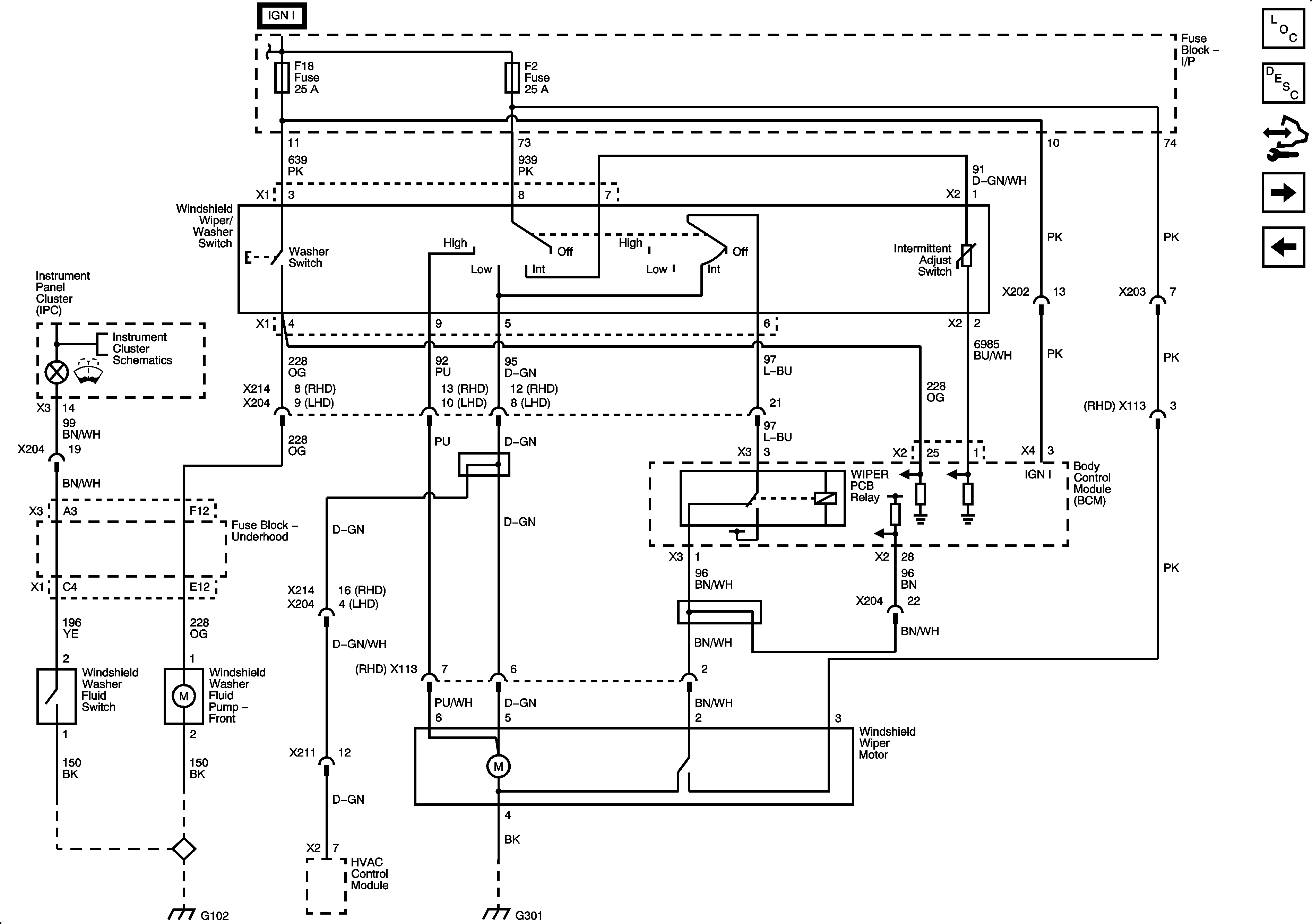
Wiper/Washer System Description and Operation
Control Module References
LHD w/CE1
Holden w/o CE1
Ignition Switch
Indicators 1 of 3
G102
G301 (LHD)
G301 (RHD)