GM Service Manual Online
For 1990-2009 cars only
Makes
🢒
Chevrolet
🢒
2008
🢒
Epica
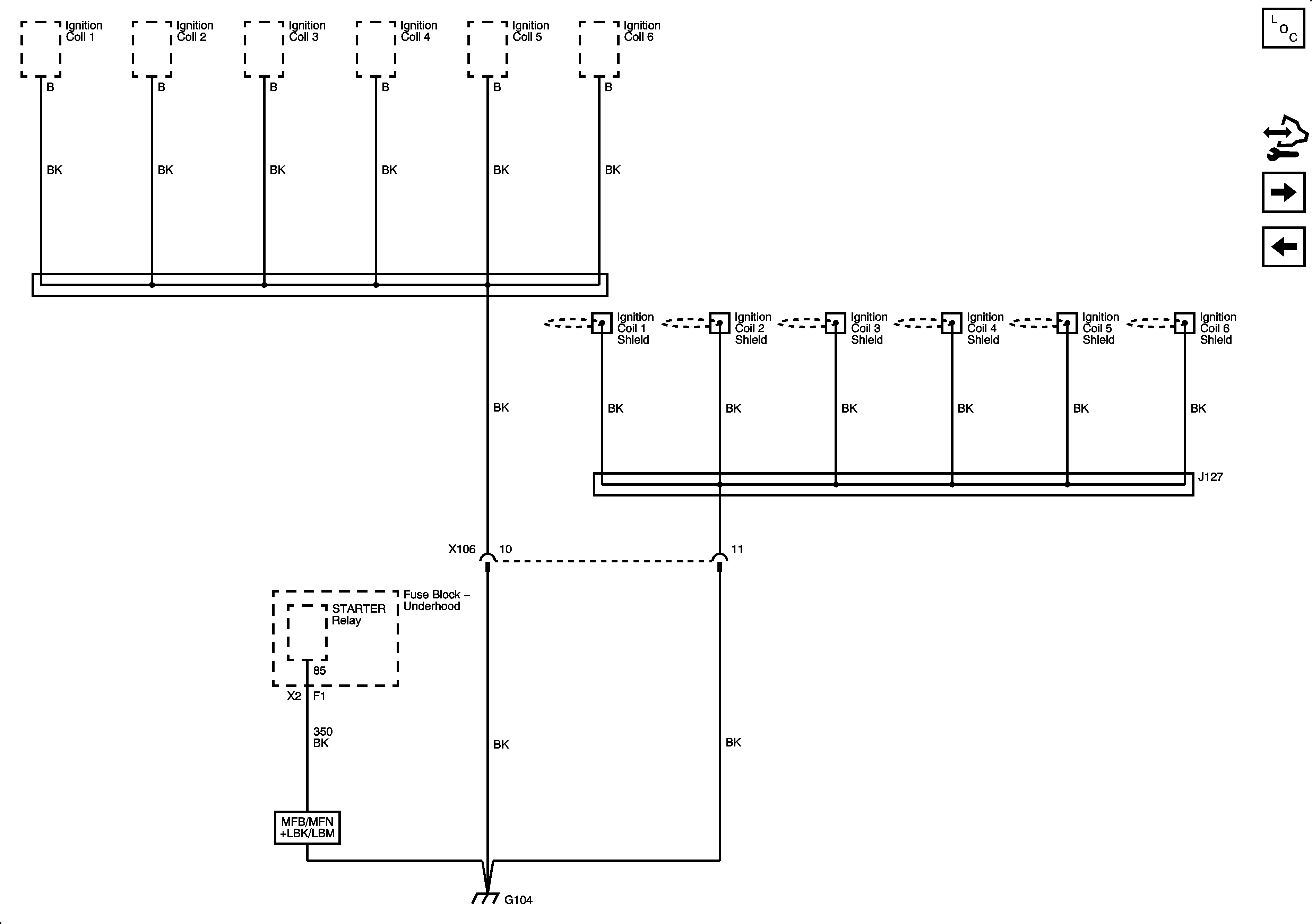
🢒 G104
G104
G104
Master Electrical Component List
Control Module References
G103, G105, G108 (Diesel), G201
G102