GM Service Manual Online
For 1990-2009 cars only
Makes
🢒
Chevrolet
🢒
2008
🢒
Epica
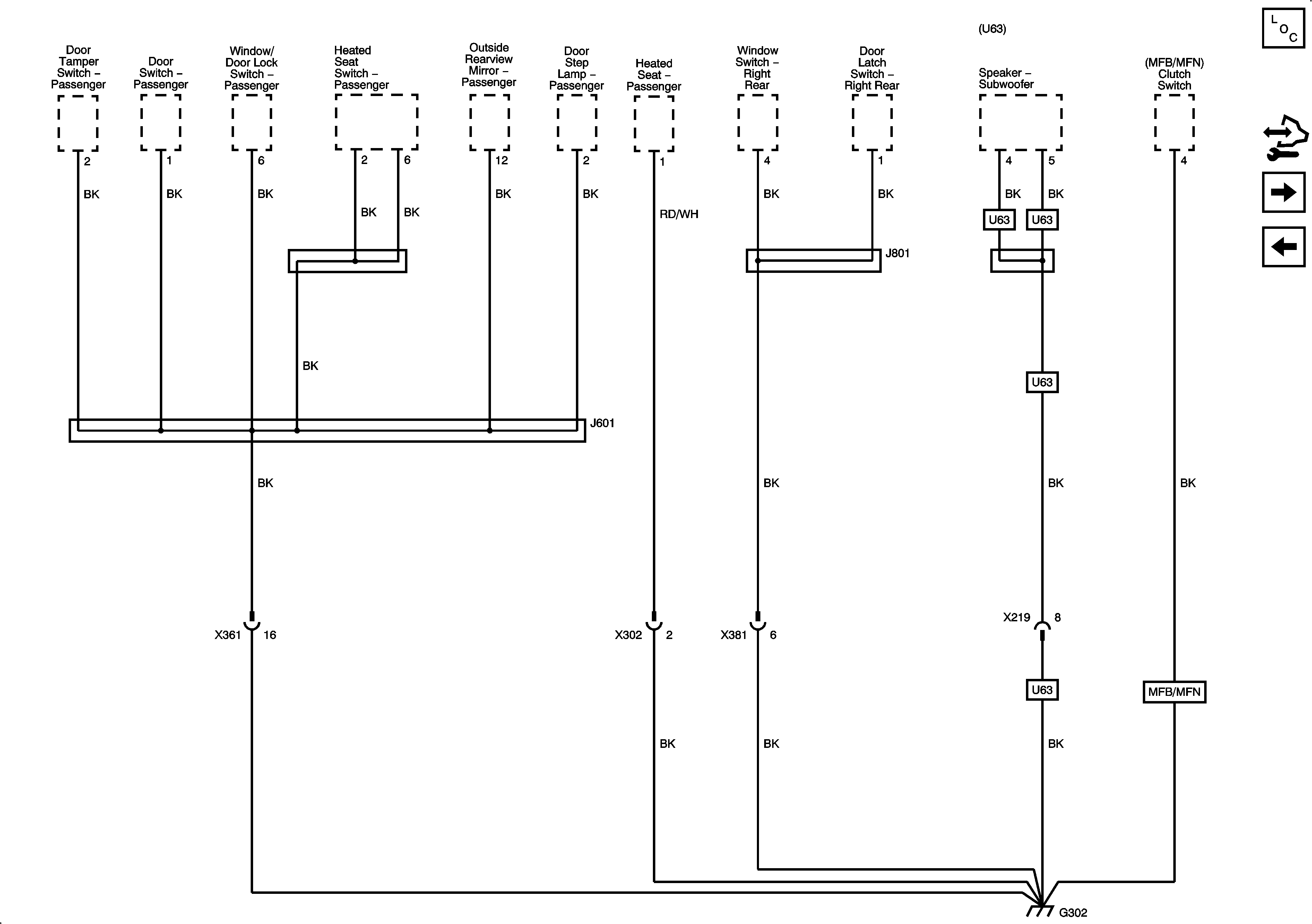
🢒 G302 (LHD)
G302 (LHD)
G302 (LHD)
Master Electrical Component List
Control Module References
G302 (RHD)
G301 (RHD)