GM Service Manual Online
For 1990-2009 cars only
Makes
🢒
Chevrolet
🢒
2008
🢒
Epica
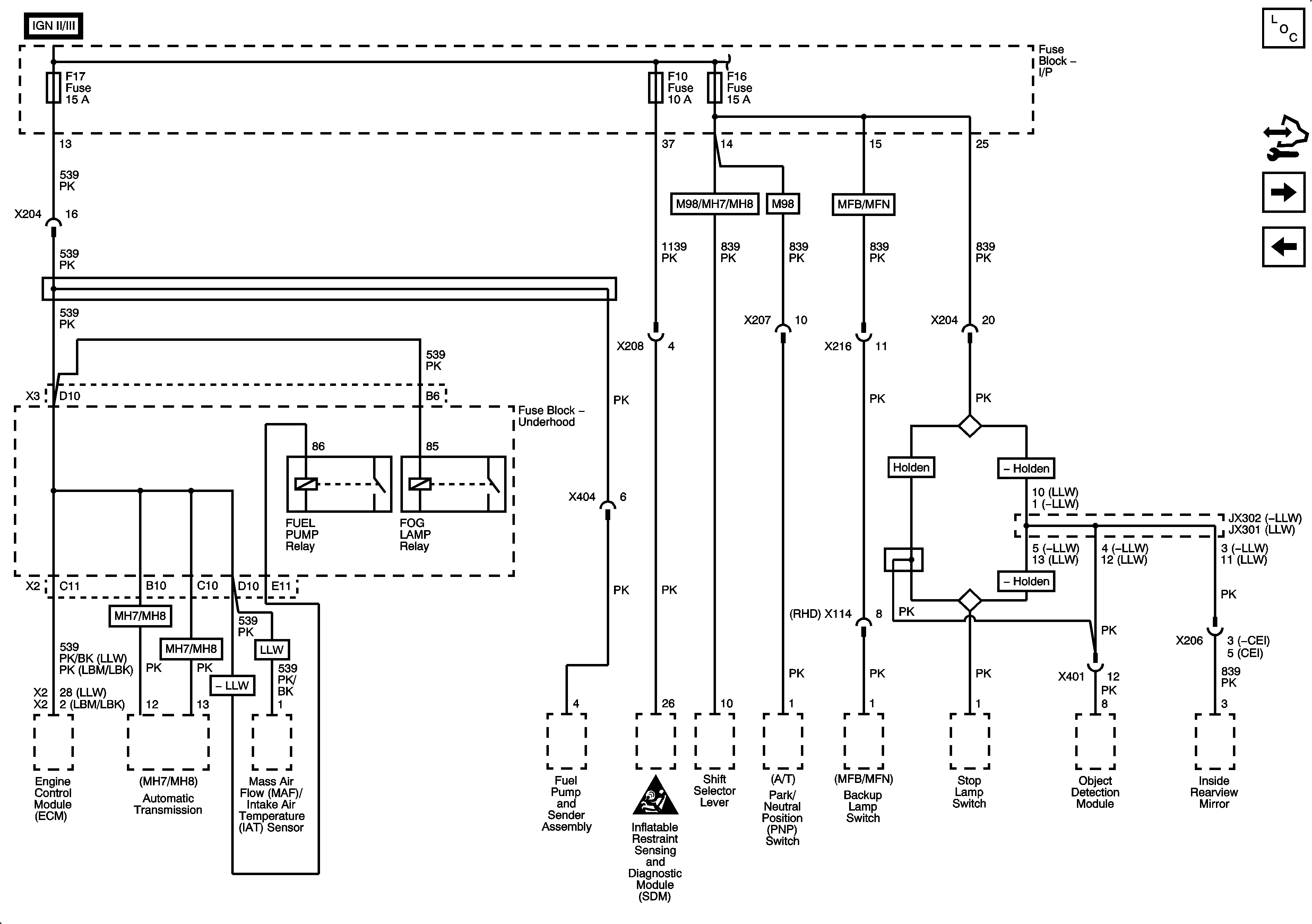
🢒 Fuse Block - I/P F10, F16, F17 Fuses
Fuse Block - I/P F10, F16, F17 Fuses
Fuse Block - I/P F10, F16, F17 Fuses
Master Electrical Component List
Control Module References
Fuse Block - I/P F1, F2, F3, F11, F12, F18 Fuses
Ignition Switch
Ignition Switch
SIR Caution for Zoning