GM Service Manual Online
For 1990-2009 cars only

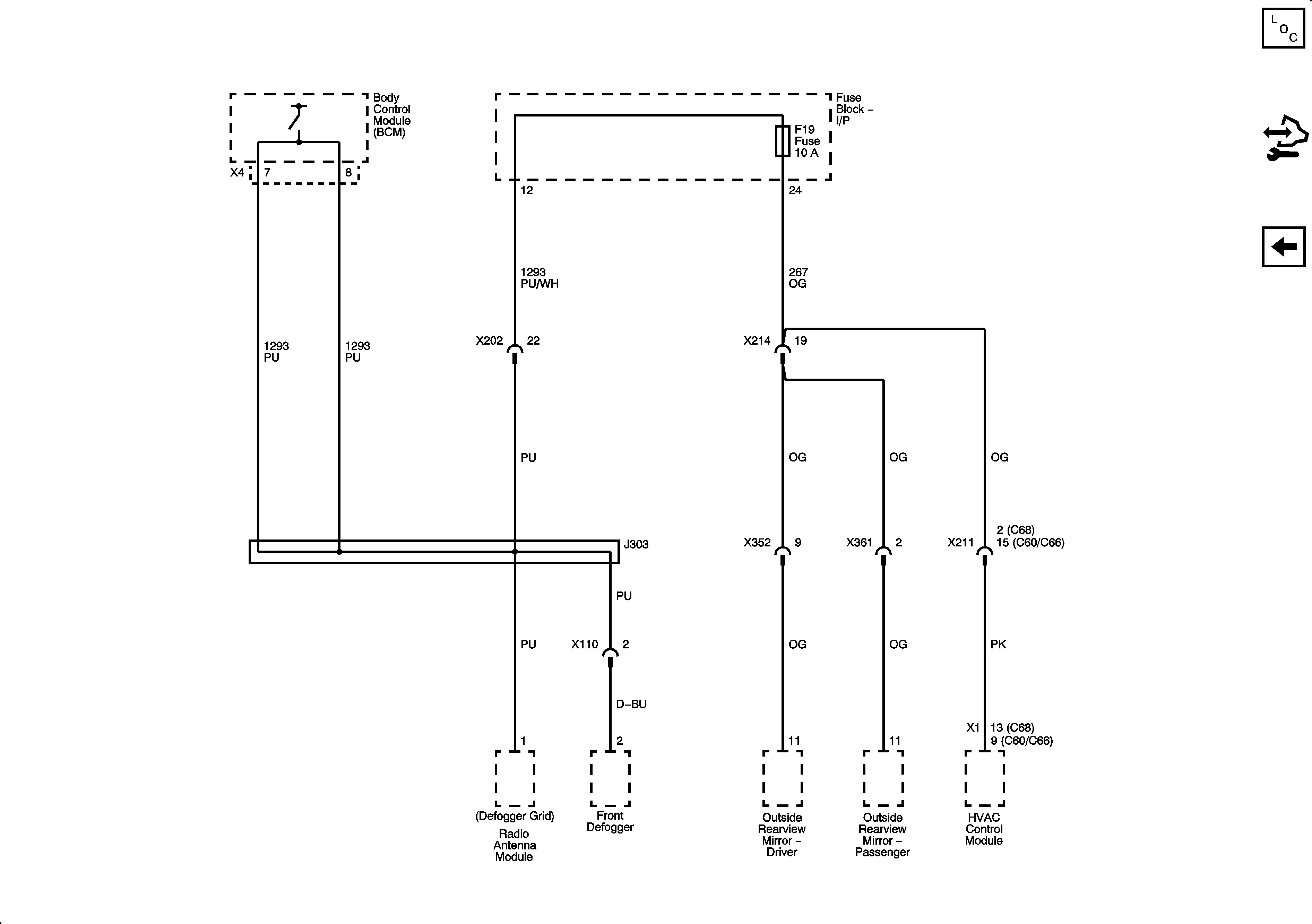
Fuse Block-I/P F19 Fuse

Fuse Block - I/P F19 Fuse


Object Number: 2003469  Size: FS
Master Electrical Component List
Control Module References
Fuse Block - I/P F5, F6, F7, F14 Fuses