GM Service Manual Online
For 1990-2009 cars only
Makes
🢒
Chevrolet
🢒
2008
🢒
Epica
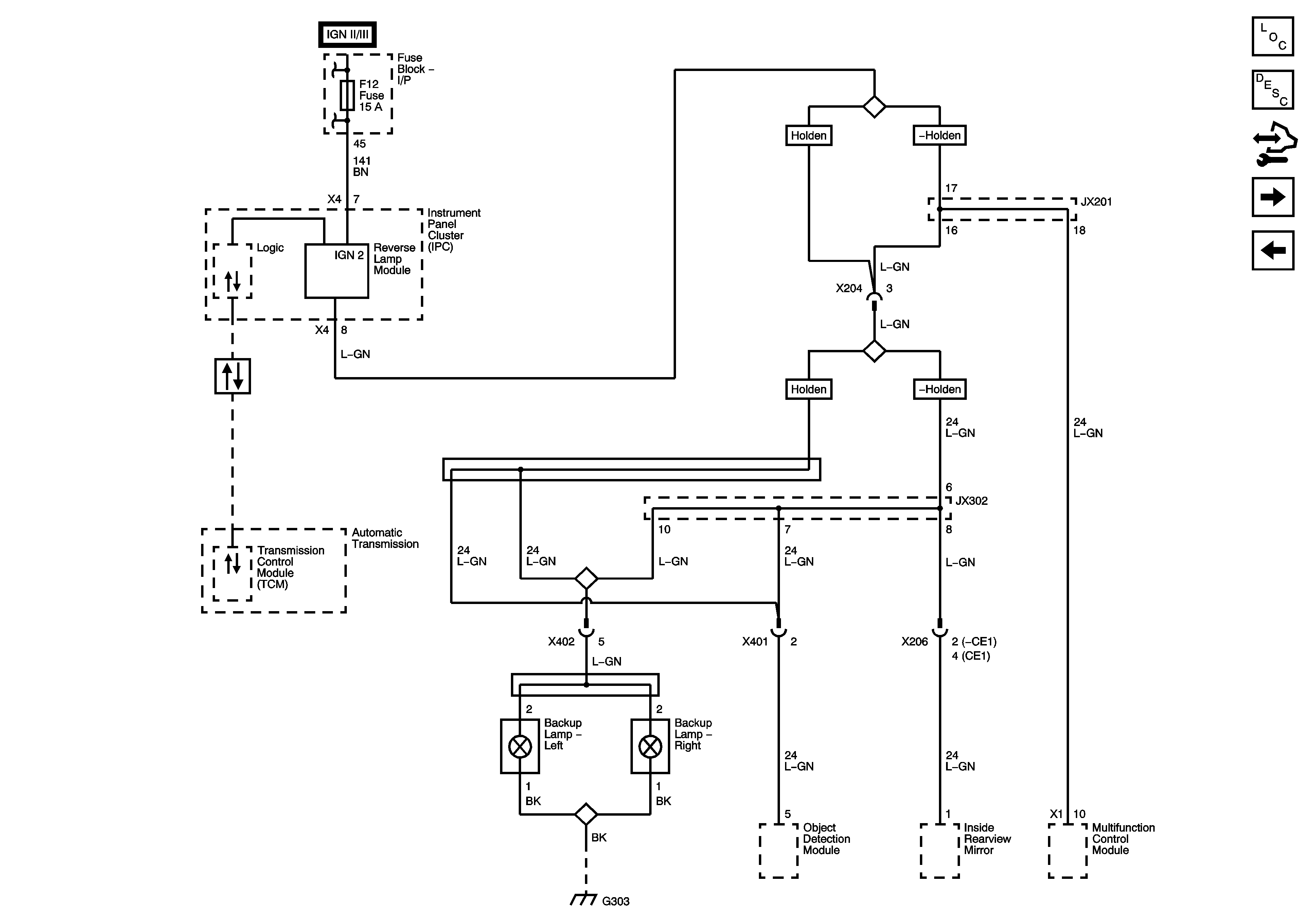
🢒 Backup Lamps (MH7/MH8)
Backup Lamps (MH7/MH8)
Backup Lamps (MH7/MH8)
Master Electrical Component List
Exterior Lighting Systems Description and Operation
Control Module References
Battery Saver
Backup Lamps (M98/MFB/MFN)
Ignition Switch
Fuse Block - I/P F1, F2, F3, F11, F12, F18 Fuses
High Speed GMLAN - MH7/MH8
G303