GM Service Manual Online
For 1990-2009 cars only
Makes
🢒
Chevrolet
🢒
2008
🢒
Epica
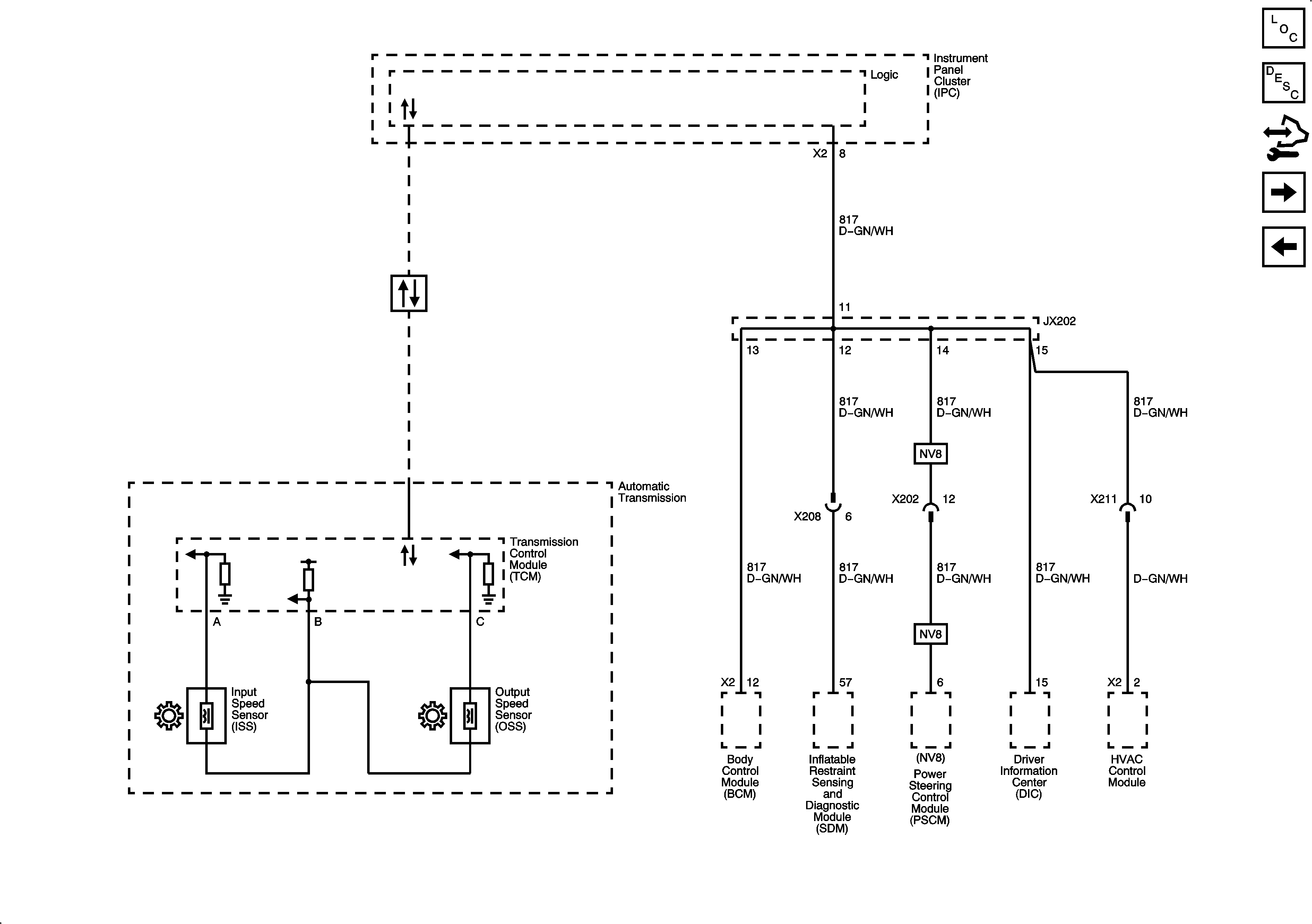
🢒 Speed Sensors
Speed Sensors
Speed Sensors
Master Electrical Component List
Transmission Component and System Description
Control Module References
IMS, Tap Up/Tap Down Switches
Solenoids, TFT Sensor, TFP Switch
High Speed GMLAN - MH7/MH8