GM Service Manual Online
For 1990-2009 cars only
Figure 1:

Upper End


Object Number: 1376390  Size: LF
(1)Vacuum Pipe
(2)Fuel Pressure Regulator
(3)Clip
(4)Fuel Rail Hose
(5)Fuel Rail
(6)Fuel Injector
(7)O-Ring
(8)Fuel Injector Clip
(9)PCV Valve
(10)PCV Vacuum Hose
(11)Variable Intake System (VIS) Actuator
(12)VIS Valve
(13)Manifold Air Pressure (MAP) Sensor
(14)Throttle Body Seal
(15)Intake Air Temperature (IAT) Sensor
(16)Intake Manifold
(17)VIS Vacuum Tank
(18)Engine Beautification Cover
(19)VIS Solenoid
(20)Exhaust Gas Recirculation (EGR) Valve
(21)Intake EGR Pipe
(22)EGR Adapter
(23)Exhaust EGR Pipe
(24)Upper Heat Shield
(25)Exhaust Manifold (1-3)
(26)Exhaust Manifold (4-6)
(27)Lower Heat Shield
(28)Rear Support Bracket
(29)Bolt
(30)Coolant Outlet Port Gasket
(31)Coolant Outlet Port
(32)Wiring Harness
(33)Valve Spring Retainer
(34)Valve Key
(35)Valve Spring
(36)Valve Stem Seal
(37)Valve Seat Ring
(38)Intake Valve
(39)Exhaust Valve
(40)Valve Guide
(41)Cylinder Head Gasket
(42)Engine Mount Bracket Support
(43)Front Support Bracket
(44)Intake Cam Sprocket
(45)Exhaust Cam Sprocket
(46)Plug
(47)Front Rocker Arm Shaft
(48)Cylinder Head
(49)Rocker Arm
(50)Top Chain Guide
(51)Camshaft Position (CMP) Sensor
(52)Rocker Arm Shaft Plug
(53)Rear Rocker Arm Shaft
(54)Spring
(55)Intake Camshaft
(56)Exhaust Camshaft
(57)Camshaft Cap
(58)Cylinder Head Cover Gasket
(59)Intake Manifold Bracket
(60)Feeding and Return Heater Pipe
(61)Intake Manifold Support Bracket
(62)Oil Filler Cap
(63)Spark Plug
(64)Ignition Coil
(65)Cylinder Head Cover
(66)Intake Port Seal
(67)EGR Seal
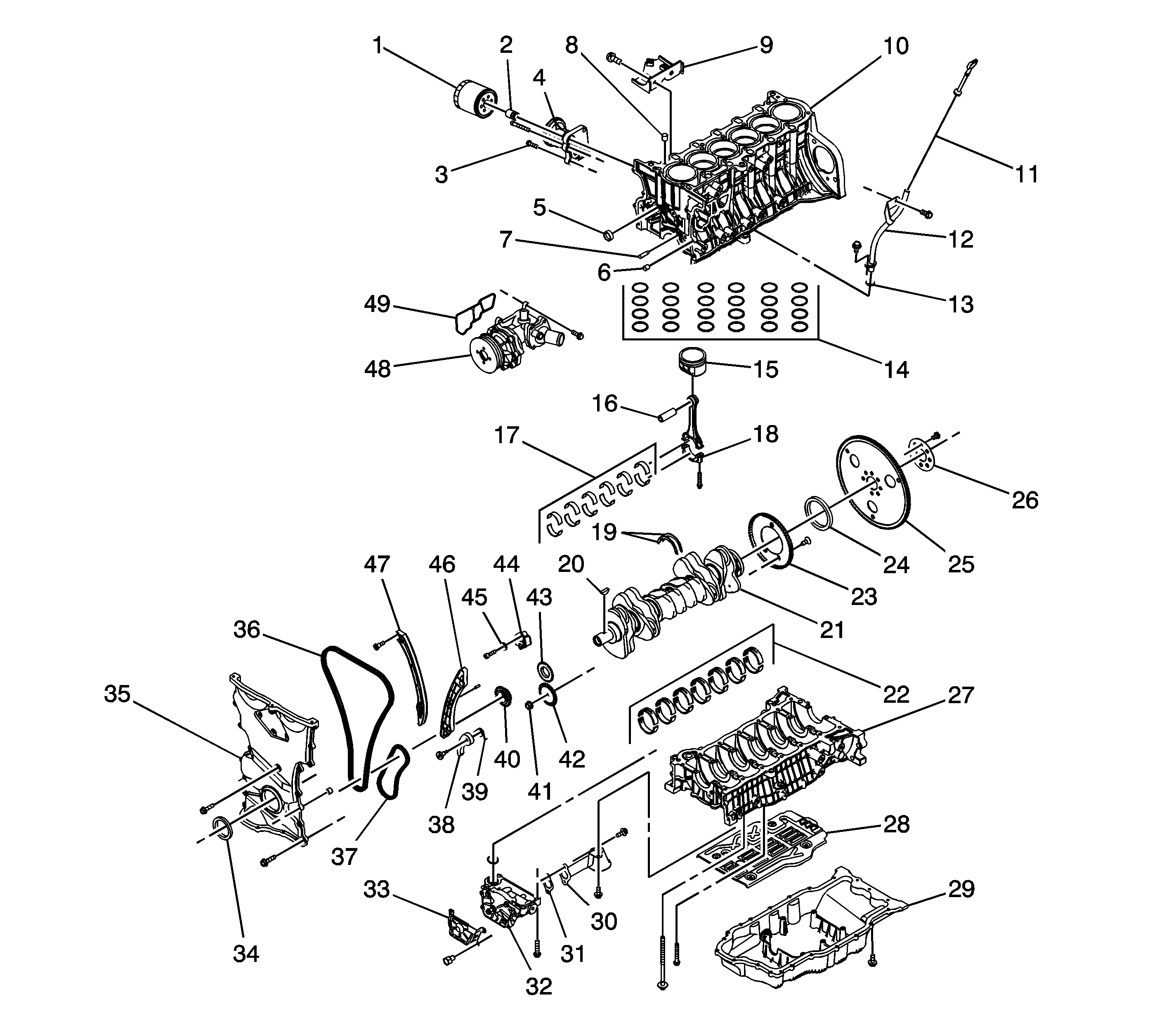
Figure 2:

Lower End


Object Number: 1376388  Size: LF
(1)Oil Filter
(2)Connecting Piece
(3)Bolt
(4)Oil Filter Adapter
(5)Oil Gallery Plug
(6)Dowel Ring
(7)Oil Jet Nozzle
(8)Dowel Pin
(9)Upper Exhaust Bracket
(10)Cylinder Block
(11)Engine Oil Dipstick
(12)Engine Oil Dipstick Tube
(13)O-Ring
(14)Piston Ring
(15)Piston
(16)Piston Pin
(17)Connecting Rod Bearing
(18)Connecting Rod
(19)Thrust Bearing
(20)Woodruff Key
(21)Crankshaft
(22)Crankshaft Bearing
(23)Target Wheel
(24)Rear Oil Seal
(25)Flexible Plate
(26)Flexible Plate Disk Reinforce
(27)Bed Plate
(28)Bed Plate Baffle
(29)Oil Pan
(30)Oil Suction Pipe
(31)Gasket
(32)Oil Pump
(33)Oil Pump Sprocket Cover
(34)Front Oil Seal
(35)Timing Chain Cover
(36)Timing Chain
(37)Oil Pump Chain
(38)Oil Pump Chain Lever
(39)Oil Pump Chain Lever Spring
(40)Crankshaft Sprocket
(41)Nut
(42)Oil Pump Sprocket
(43)Crankshaft Oil Pump Sprocket
(44)Timing Chain Tensionear
(45)Spring Washer
(46)Fixed Chain Guide
(47)Timing Chain Lever
(48)Water Pump
(49)Water Pump Gasket
Figure 3:

Air Intake System


Object Number: 1376391  Size: LF
(1)Intake Manifold
(2)Throttle Body Assembly
(3)Breather Hose
(4)Clamp
(5)Auxiliary Resonator Neck
(6)Air Filter Hose Joint
(7)Air Filter Diffuser
(8)Air Filter Seal
(9)Upper Air Filter Housing
(10)Bolt
(11)Air Filter Element
(12)Air Filter Housing Clip
(13)Lower Air Filter Housing
(14)Resonator Seal
(15)Resonator Neck
(16)Bracket
(17)Resonator
(18)Air Filter Inlet Hose
(19)Air Filter Snorkel
Figure 4:

Engine Mount System


Object Number: 1376392  Size: LF
(1)Engine Mount Support Bracket
(2)Bolt
(3)Hydro Mount
(4)Washer
(5)Nut
(6)Engine Mount Bracket
(7)Rear Transaxle Mount Bracket
(8)Rear Damper Bush Bracket
(9)Front Suspension Member
(10)Transaxle Mount Cage
(11)Transaxle Mount Bracket
(12)Engine Under Cover
(13)Front Engine Mount Bracket
(14)Front Damper Bush Bracket