GM Service Manual Online
For 1990-2009 cars only
Makes
🢒
Chevrolet
🢒
2009
🢒
Epica
🢒
Body Systems
🢒
Lighting
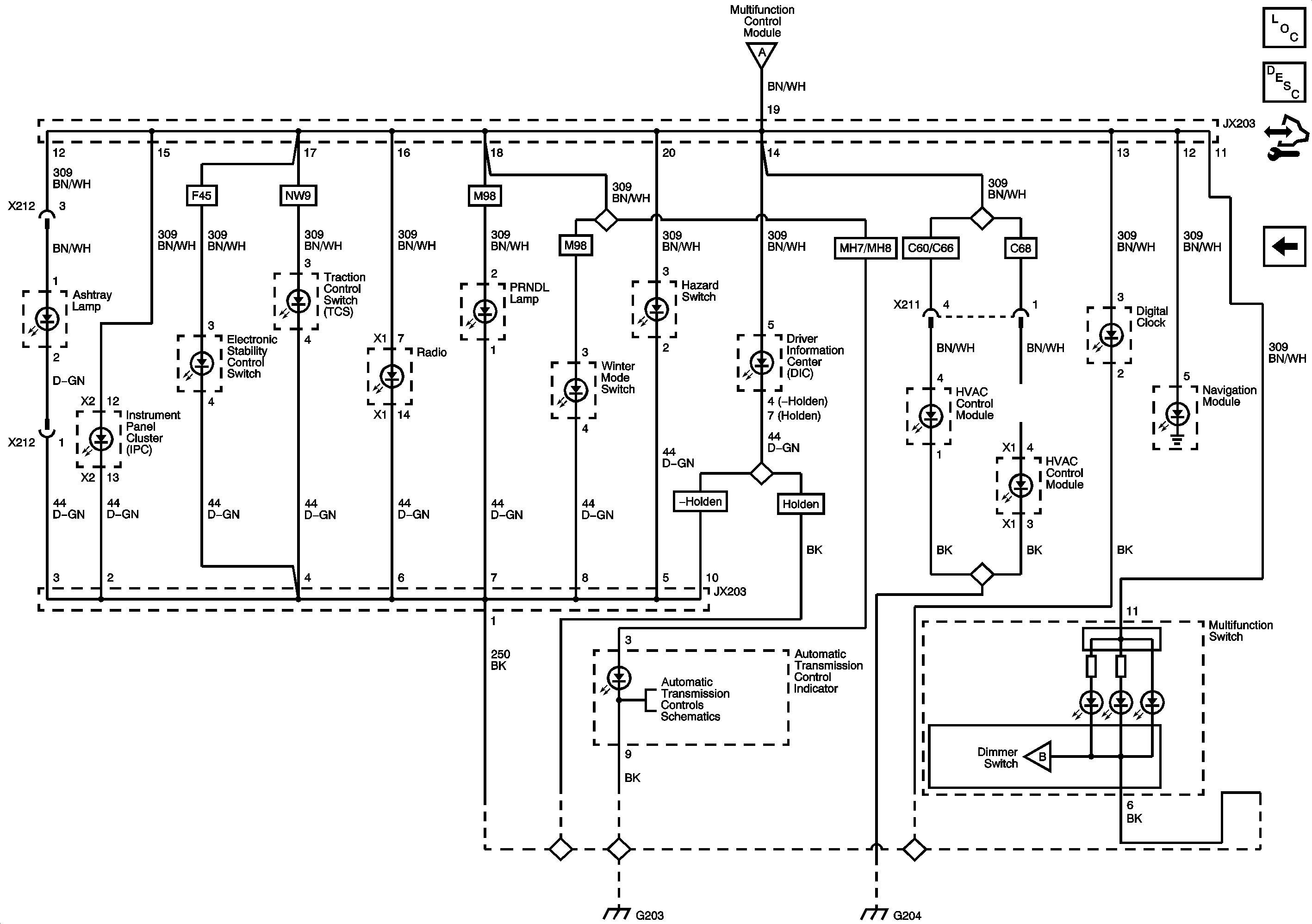
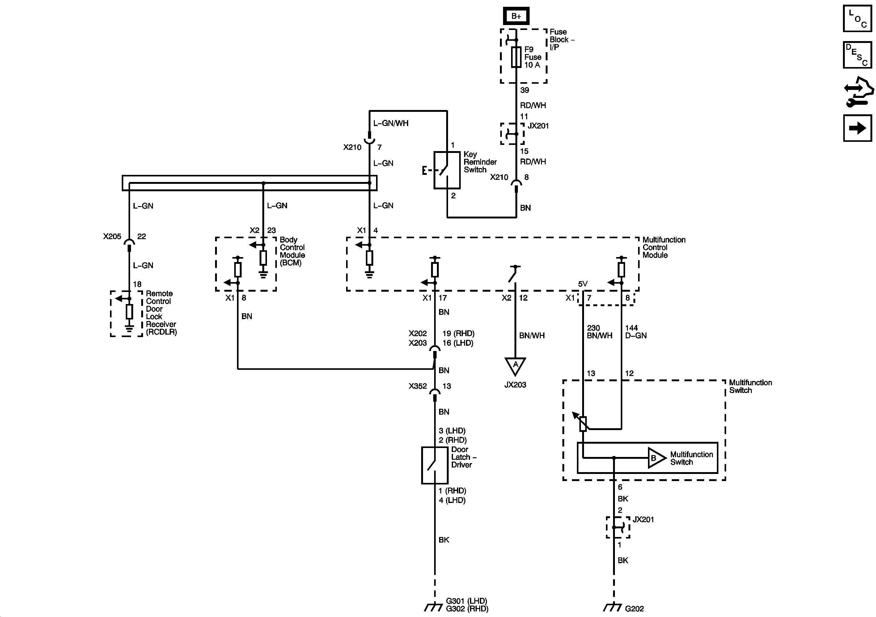
🢒 Interior Lights Dimming Schematics
Figure
1:
Dimming Control
Figure
2:
Illumination