GM Service Manual Online
For 1990-2009 cars only
Figure 1:

Power, Ground, Serial Data, Hold Mode


Object Number: 2077757  Size: FS
Figure 2:

Solenoids, Stop Lamp, TFT Sensor


Object Number: 2077764  Size: FS
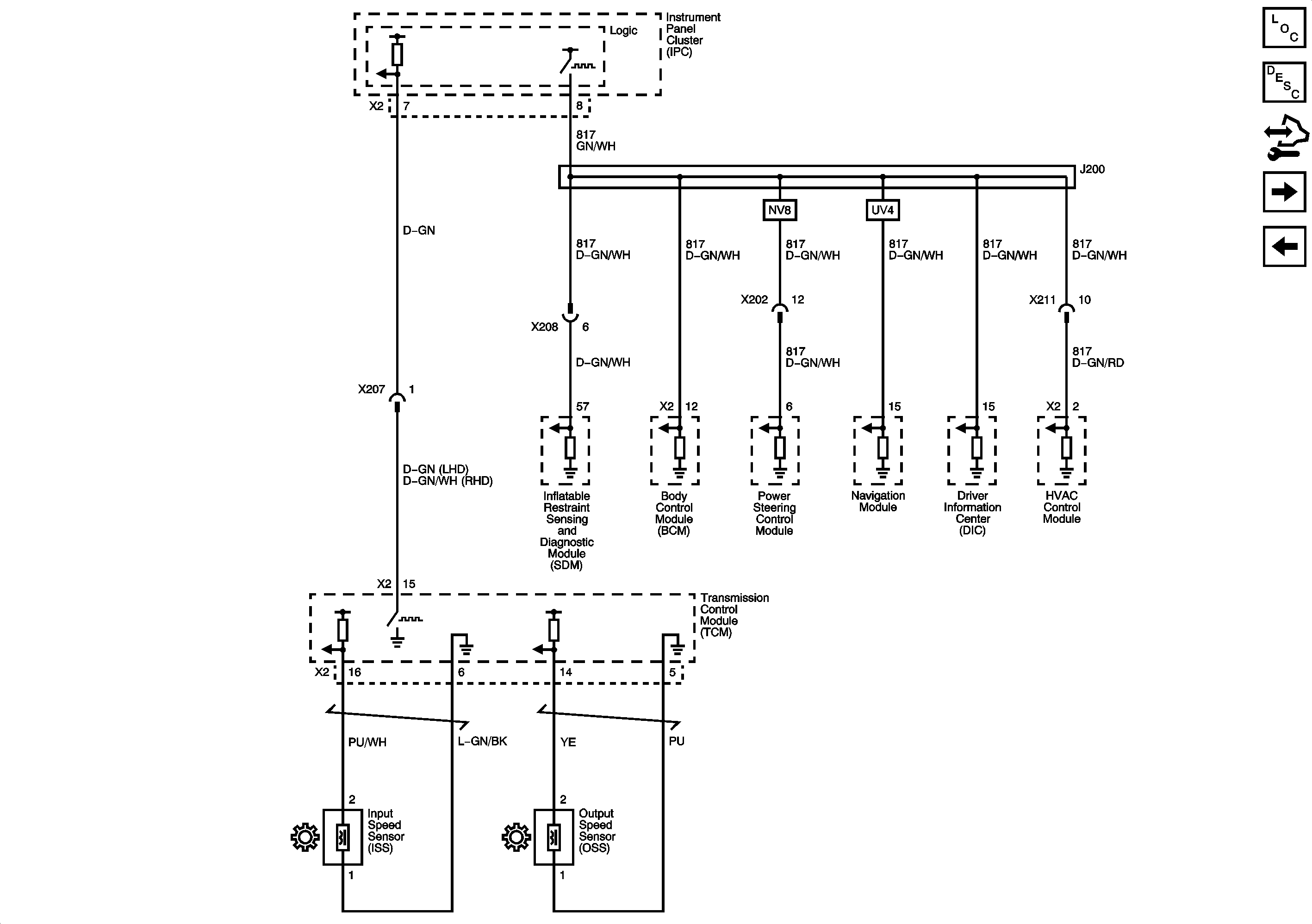
Figure 3:

Speed Sensors


Object Number: 2077772  Size: FS
Figure 4:

PNP Switch, Shift Lever


Object Number: 2077777  Size: FS