GM Service Manual Online
For 1990-2009 cars only
Makes
🢒
Chevrolet
🢒
2005
🢒
Equinox
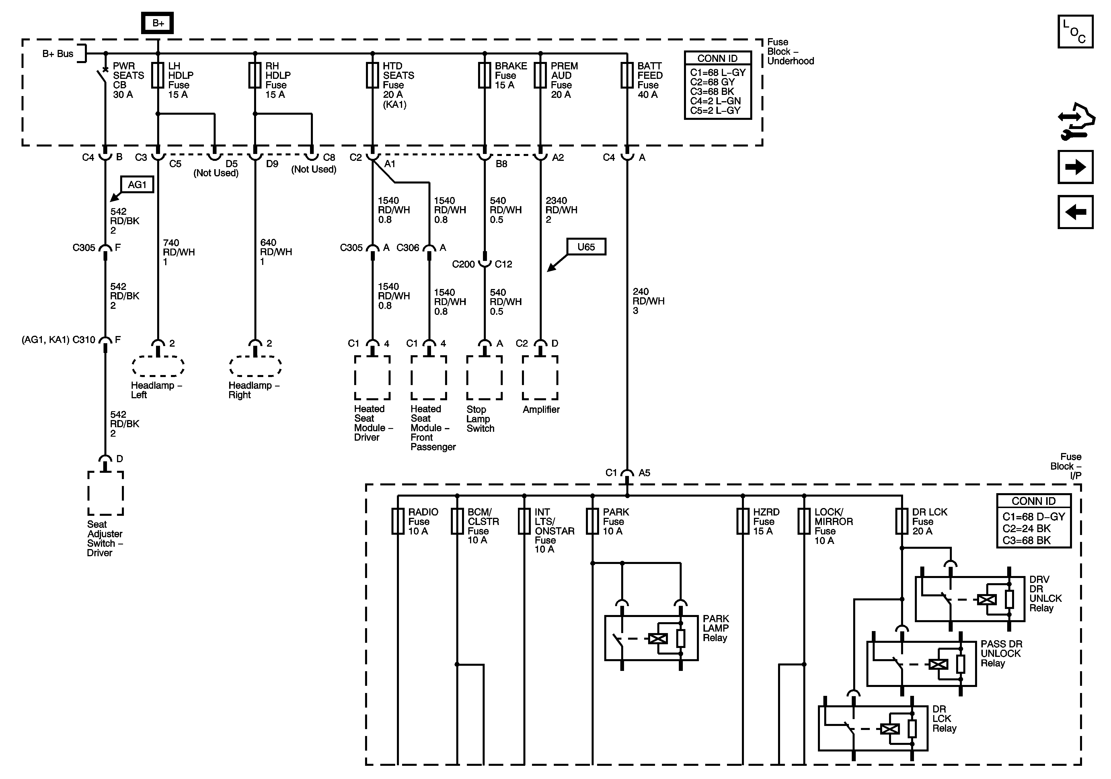
🢒 LH HDLP, RH HDLP, HTD SEATS, BRAKE, PREM AUD, BATT FEED Fuses, and PWR SEATS CB
LH HDLP, RH HDLP, HTD SEATS, BRAKE, PREM AUD, BATT FEED Fuses, and PWR SEATS CB
PWR SEATS CB, LH HDLP Fuse, RH HDLP Fuse, HTD SEATS Fuse, BRAKE Fuse, PREM AUD Fuse and the BATT FEED Fuse Supply to the I/P Fuse Block B+ Fuses
Master Electrical Component List
Control Module References
RADIO, BCM/CLUSTER, INT LTS, PARK, HZRD, and LOCK/MIRROR Fuses
PWD WDW, SUNROOF, ABS, ABS PWR, HVAC BLOWER, AUX1 OUTLET, AUX2/CARGO, CIGAR, and ECM/TCM Fuses
B+ Bussing