GM Service Manual Online
For 1990-2009 cars only
Makes
🢒
Chevrolet
🢒
2006
🢒
Equinox
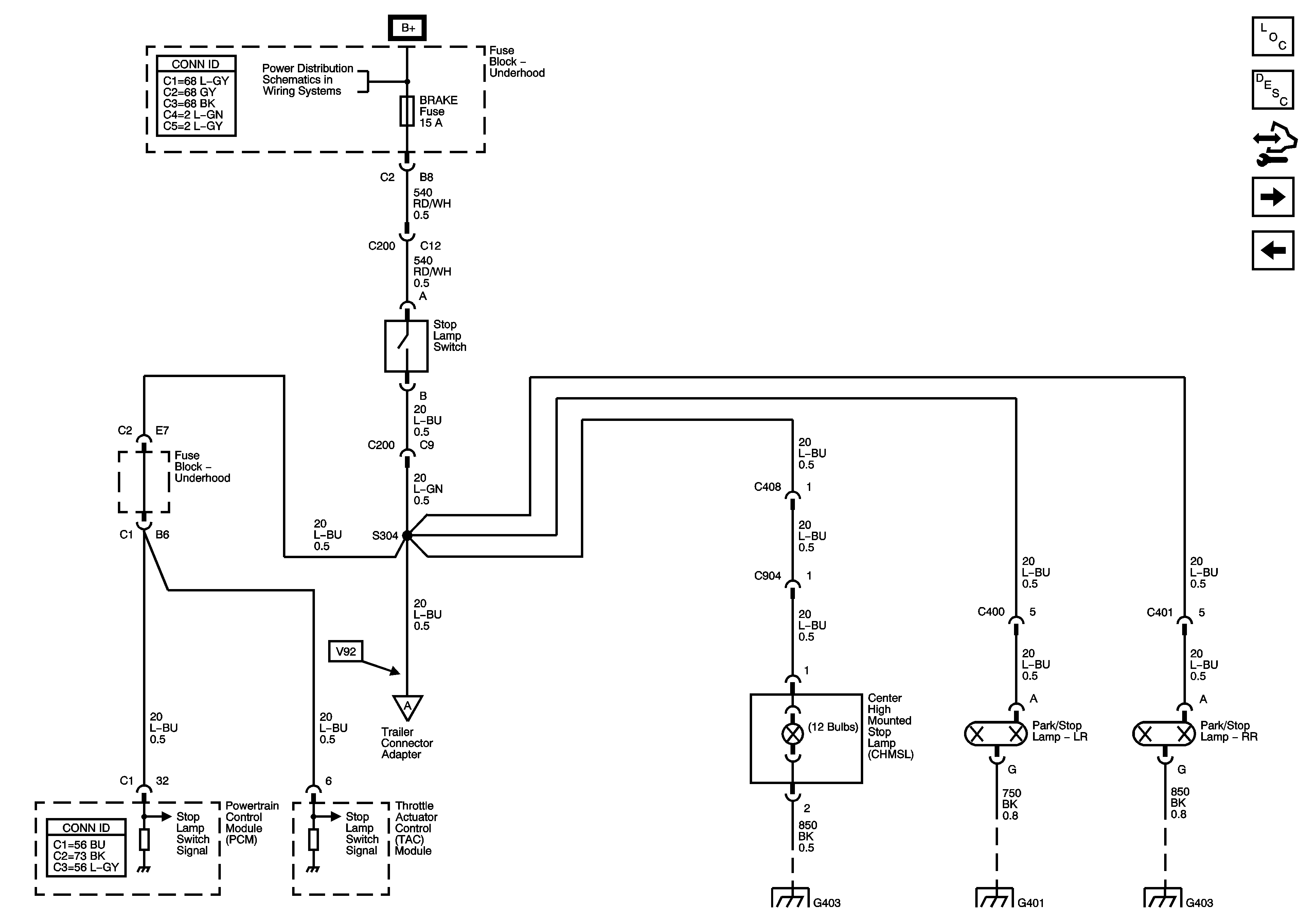
🢒 Stop Lamps
Stop Lamps
Stop Lamps
Master Electrical Component List
Exterior Lighting Systems Description and Operation
Control Module References
Backup Lamps
Hazards, Turn Signal Lamps
B+ Bus and EPS Fuse
Trailer Connector Adapter
G401 and G403
G401 and G403
G401 and G403